电脑桌面
添加小米粒文库到电脑桌面
安装后可以在桌面快捷访问

GB923788冷设备通用技术规范VIP专享

GB923788冷设备通用技术规范_第1页
1/29
GB923788冷设备通用技术规范_第2页
2/29
GB923788冷设备通用技术规范_第3页
3/29
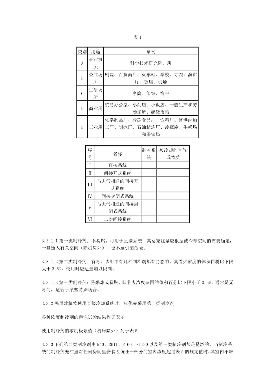
GB 9237--88 制冷设备通用技术规范 本规范等效于ISO R1662-1971 1 规范 1.1 本规范拟定了保障人身安全和健康及保护财产免遭损失的措施。 1.2 要达到1.1 条的目的,设备应有良好的设计、制造、安装、操作和管理。 1.3 本规范适用于新建、扩建或改建的制冷工厂以及易地安装运行的工厂。 1.4 本规范也适用于更改制冷剂的设备。例如:R40 改为 R12,或 R717 改为 R22。 1.5 更换现有设备应由制造厂或技术装备安装单位来完成。 2 应用领域 2.1 本规范适用于各种制冷系统,在该系统中制冷剂在一个封闭的制冷回路里蒸发和冷凝,其中包括热泵和吸收式系统,但不适用于水或空气作为制冷剂的系统,以及有特殊要求的如矿井、运输(铁路、公路车辆运输、轮船和飞机)等部门的系统。 2.2 只充注少量制冷剂的小型制冷装置和工厂组装机组,例如:家用冰箱、商用冷藏柜、单元式空调器等仅部分条款适用,并在附录A 中列出。 3 分类 3.1 建筑 物 制冷系统的安全问 题 应考 虑 其设置场 所 和该场 所 容 纳 的人数 及所 用建筑 物 的类 别 。建筑 物 类 别 列于表 1。 3.1.1 一个建筑 物 包括多 种用房 类 别 时 ,应把 不同 的用房 分开 ,并用严 密 的隔 墙 、地板 、天 花 板与 建筑 物 的其它 部分隔 开 。否 则 ,应按 其中最 严 格 的来要求。 3.1.2 在表 1 所 列的建筑 物 附近 安装设备时 ,应考 虑 其邻 近 建筑 物 的安全。 3.2 冷却 系统 按 照 被 冷却 的空气或物 质 的吸热方 法 对 冷却 系统分类 (见 表 2),其定义 按 有关 《 制冷名 词 术语 》的规定。 3.3 制冷剂 3.3.1 制冷剂分为三 类 (见 表 3)。 表1 类别 用途 举例 A 事业机关 科学技术研究院、所 B 公共场所 剧院、百货商店、火车站、学校、寺院、演讲厅、饭店、机场 C 生活场所 家庭、旅馆、宿舍 D 商业用 贸易办公室、小商店、小饭店、一般生产和劳动场所、超级市场 E 工业用 化学制品厂、冷冻食品厂、饮料厂、冰淇淋加工厂、制冰厂、石油精炼厂、冷藏库、牛奶场和屠宰场 序号 名称 制冷系统 被冷却的空气或物质 Ⅰ 直接系统 Ⅱ 间接开式系统 Ⅲ 与大气相通的间接开式系统 Ⅳ 间接封闭式系统 Ⅴ 与大气相通的间接封闭式系统 Ⅵ 二次间接系统 3.3.1.1 第一类制冷剂:不易燃。可用于直接系统,其总充注量...

1、当您付费下载文档后,您只拥有了使用权限,并不意味着购买了版权,文档只能用于自身使用,不得用于其他商业用途(如 [转卖]进行直接盈利或[编辑后售卖]进行间接盈利)。
2、本站所有内容均由合作方或网友上传,本站不对文档的完整性、权威性及其观点立场正确性做任何保证或承诺!文档内容仅供研究参考,付费前请自行鉴别。
3、如文档内容存在违规,或者侵犯商业秘密、侵犯著作权等,请点击“违规举报”。

碎片内容

GB923788冷设备通用技术规范

确认删除?
VIP
微信客服
  • 扫码咨询
会员Q群
  • 会员专属群点击这里加入QQ群
客服邮箱
回到顶部