电脑桌面
添加小米粒文库到电脑桌面
安装后可以在桌面快捷访问

HA17555精密定时器

HA17555精密定时器_第1页
1/10
HA17555精密定时器_第2页
2/10
HA17555精密定时器_第3页
3/10
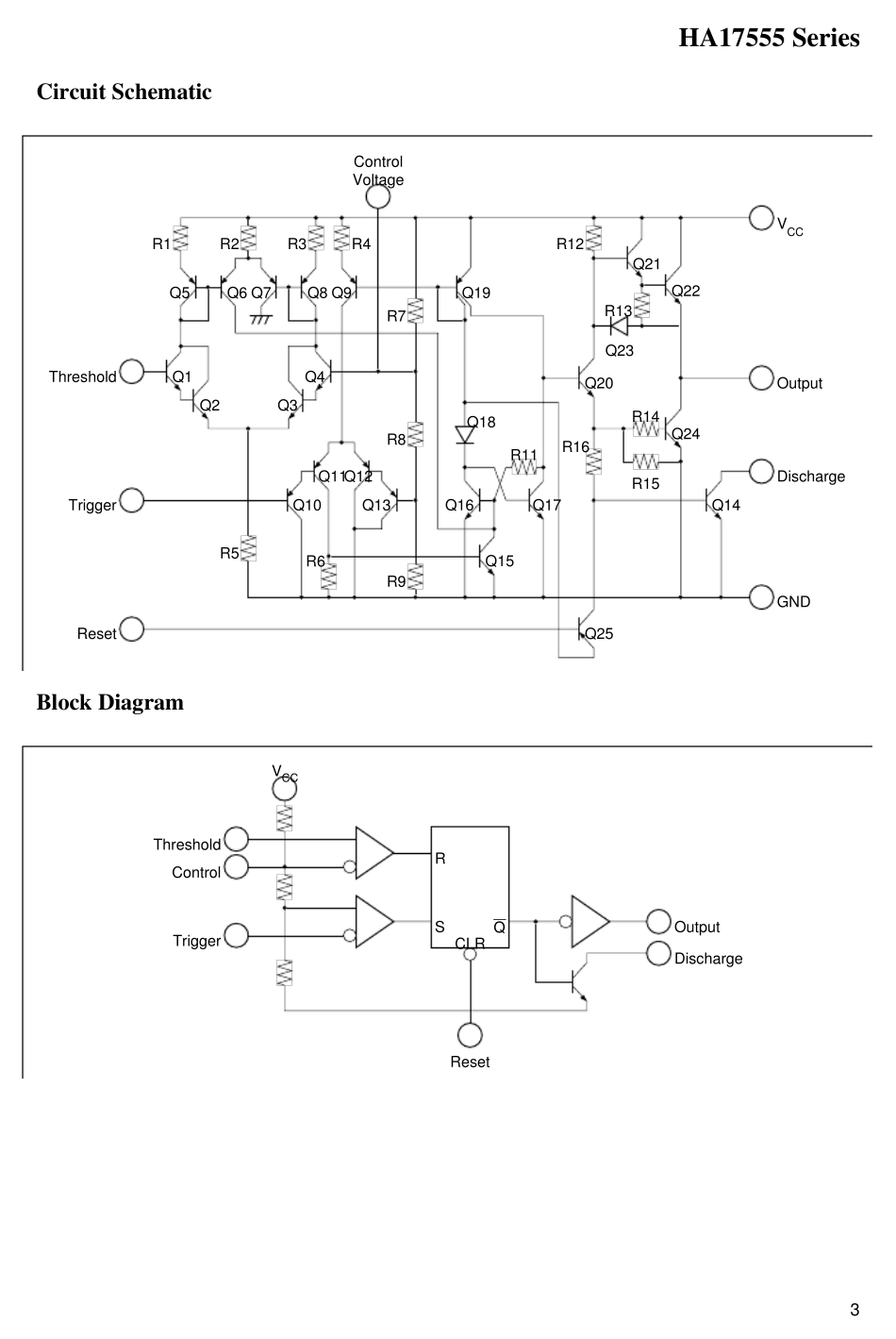
HA17555 SeriesPrecision TimerDescriptionHA17555 Series are ICs designed for accurate time delays or oscillations. It provides both of triggerterminal and reset terminal in order to enable a wide scope of application including Mono Multi Vibratorand Astable Multi Vibrator, and the number of external components is fewer. Further, it’s compatible withNE555 of singnetics.Featu res• Mono multi vibrator can be constructed with one resistor and one capacitor.• Astable multi vibrator can be constructed with two resistors and one capacitor.• Delay time can be established widely from several µ seconds to several hours.• Pulse Duty can be controlled.• The maximum value of both sink current and source current is 200mA.• Direct connection of output to TTL is possible.• Temperature/delay time ratio is 50 ppm/°C (typ).• Output is normally in the on and off states.Ordering InformationApplicationTy pe No.PackageIndu strial u seHA17555PSDP-8HA17555FPFP-8DCommercial u seHA17555DP-8HA17555FFP-8DHA17555 Series2Applications• Delay Time Generator (Mono Mu lti Vibrator)• Pu lse Generator (Astable Mu lti Vibrator)• Pu lse Width Modu lator• Pu lse Location Modu lator• Miss Pu lse DetectorPin Arrangement12348765GNDTriggerOutputResetVCCDischargeThresholdControl Voltage(Top View)Pin DescriptionPin No.Fu nction1Ground pin2Trigger pin3Output pin4Reset pin5Control voltage pin6Threshold pin7Discharge pin8VCC pinHA17555 Series3Circu it SchematicR1R2R4Q5Q7Q9Q8ControlVoltageVCCThresholdTriggerQ6Q11Q10Q12Q13Q17Q16R11Q18Q15Q25Q20Q23Q19Q4Q2Q1Q3Ou tpu tDischargeGNDResetR3R6R5R9R8R7Q21Q22Q24R12R13Q14R14R15R16Block DiagramControlResetOu tpu tThresholdDischargeTriggerVCCQRSCLRHA17555 Series4Absolute Maximum Ratings (Ta = 25°C)ItemSy mbolHA17555PS/FPHA17555/FUnitSupply voltageVCC1818VDischarge c...

1、当您付费下载文档后,您只拥有了使用权限,并不意味着购买了版权,文档只能用于自身使用,不得用于其他商业用途(如 [转卖]进行直接盈利或[编辑后售卖]进行间接盈利)。
2、本站所有内容均由合作方或网友上传,本站不对文档的完整性、权威性及其观点立场正确性做任何保证或承诺!文档内容仅供研究参考,付费前请自行鉴别。
3、如文档内容存在违规,或者侵犯商业秘密、侵犯著作权等,请点击“违规举报”。

碎片内容

HA17555精密定时器

您可能关注的文档

确认删除?
VIP
微信客服
  • 扫码咨询
会员Q群
  • 会员专属群点击这里加入QQ群
客服邮箱
回到顶部