电脑桌面
添加小米粒文库到电脑桌面
安装后可以在桌面快捷访问

ISTA包装测试2B

ISTA包装测试2B_第1页
1/7
ISTA包装测试2B_第2页
2/7
ISTA包装测试2B_第3页
3/7
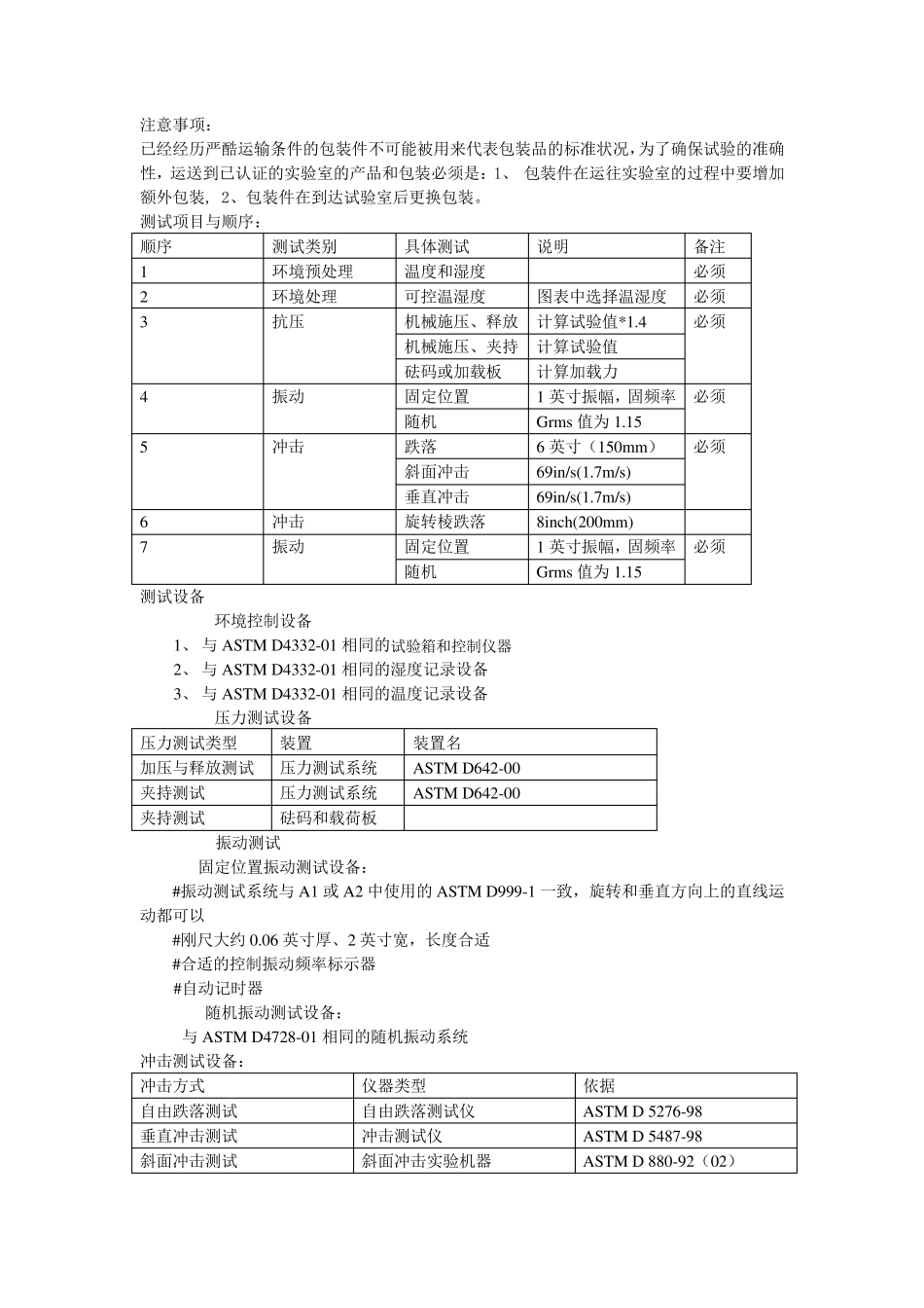
2B 包装件的重量大于150 磅(68Kg) ISTA 是运输包装联盟,是包装行业的先驱。 ISTA 2 系列是1 系列(不模拟完整性测试)和2 系列(完全模拟测试)高级测试的结合 用于考察包装的保护能力以及产品和包装承受运输工具的能力,但只是部分的模拟实际运输环境 按照ISTA 标准进行包装的好处有: 1 减少包装开发时间,是产品运输更有保障; 2 保护产品,同时减少破损和产品损失,保持利润 3 有效的平衡运输成本; 4 使客户满意 整个过程有三部分:概述、测试和报告。 概述就是在进入实验室测试之前提供总体的资料,测试即早实验室测试的具体程序说明,报告则是记录必要的数据并提交给 ISTA ISTA 测试程序中的重量和高度有两种计量单位。英制(英寸/磅)和国际单位制(米制)。英制单位一般先用而国际单位制则标在后面的括号内。 两种单位系统都用做测量单位,但必须在此试验中前后保持一致,并使用2 位有效数字,两种单位可以互相转换,但不完全等价。 2B 概述 2B 是部分模拟的单个包装测试 #它可以用来衡量包装产品 #可以用来比较包装设计和产品设计的好坏 #可以用来估计包装件的全球运输 #包装和产品是同时考虑的而不是单独的设计 #有些运输环境没有考虑,比如湿度、压力和不正当的搬运等 其它的ISTA 程序可能适合不同的环境条件或不同的物件。 2B 测试程序用于重量小于或等于150 磅的运输包装件的测试 此外:当单个包装件打滑或有固定棘爪的,则按照完全不模拟测试程序 1E 或完全模拟测试程序 3E 测试 发货人在测试之前应该知道以下几点: 产品的破坏方式和破坏程度,产品破损的允许限度是什么,以及在测试结论中确定测试后产品破坏程度的方法和可以接受的产品破坏程度。 注意:当进行压力测试时: 如果包装件在运输过程中的仓储时间超过24 小时,而在测试中有包装压溃的现象,这表明在仓储时包装的堆叠可能倒塌;如果运输过程中的仓储时间没有24 小时,测试中的包装压溃现象是允许的。在测试的结论中,可以认为产品在破损的忍受范围内而不会破损,包装仍然是合格的。 试样必须是未是使用的产品和包装,如果试样和合格,替代品必须与原来的试样是一样的 样品的数量:最少一个 建议重复试验: 为了保证正确确定包装产品典型的性能,ISTA #要求执行此试验标准一次,但 #建议执行此试验标准五次或更多次,每次使用新的样品。 注意事项: 已经经历严酷运输条件的包装件不可能被用来代表包装...

1、当您付费下载文档后,您只拥有了使用权限,并不意味着购买了版权,文档只能用于自身使用,不得用于其他商业用途(如 [转卖]进行直接盈利或[编辑后售卖]进行间接盈利)。
2、本站所有内容均由合作方或网友上传,本站不对文档的完整性、权威性及其观点立场正确性做任何保证或承诺!文档内容仅供研究参考,付费前请自行鉴别。
3、如文档内容存在违规,或者侵犯商业秘密、侵犯著作权等,请点击“违规举报”。

碎片内容

ISTA包装测试2B

您可能关注的文档

确认删除?
VIP
微信客服
  • 扫码咨询
会员Q群
  • 会员专属群点击这里加入QQ群
客服邮箱
回到顶部