电脑桌面
添加小米粒文库到电脑桌面
安装后可以在桌面快捷访问

JGT4692015泡沫玻璃外墙外保温系统材料技术要求

JGT4692015泡沫玻璃外墙外保温系统材料技术要求_第1页
1/19
JGT4692015泡沫玻璃外墙外保温系统材料技术要求_第2页
2/19
JGT4692015泡沫玻璃外墙外保温系统材料技术要求_第3页
3/19
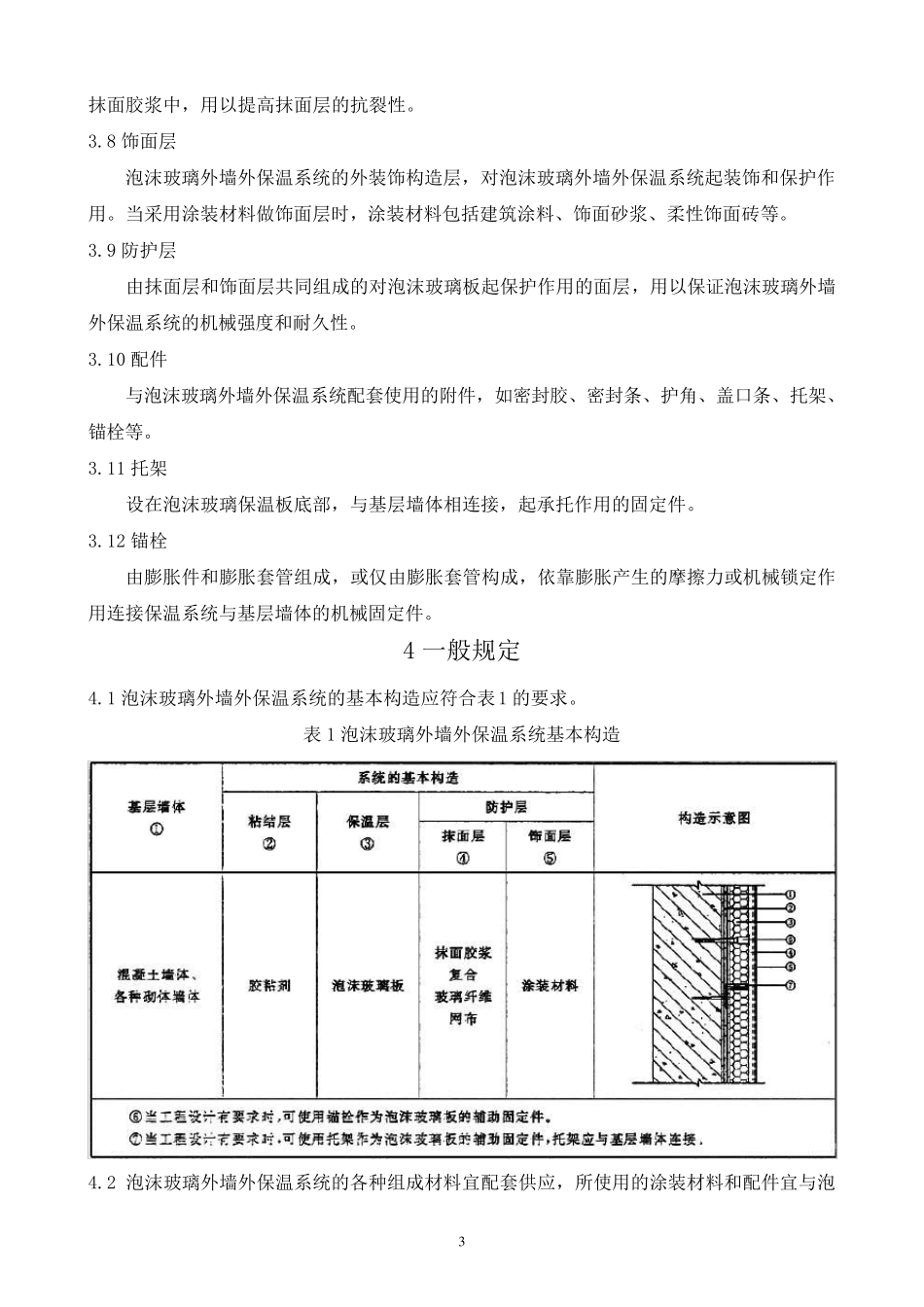
1 泡沫玻璃外墙外保温系统材料技术要求 JG/T469-2015 发布日期2015 年1 月20 日实施日期2015 年7 月1 日 前言 本标准按照GB/T1.1-2009给出的规则起草。 本标准由住房和城乡建设部标准定额研究所提出。 本标准由住房和城乡建设部建筑制品与构配件标准化技术委员会归口。 本标准主要负责起草单位:上海市建筑科学研究院(集团)有限公司、浙江振申绝热科技有限公司。 本标准参加起草单位:上海永丽节能墙体材料有限公司、浙江德和绝热科技有限公司、上海建科检验有限公司、匹兹堡康宁(烟台)保温材料有限公司、宁波卫山多宝建材有限公司、瓦克化学(中国)有限公司、上海曙建五金保温材料厂、上海市建筑材料行业协会、福建省产品质量检验研究院、安徽省产品质量监督检验研究院。 本标准主要起草人:时志洋、朱一军、徐颖、张春华、高薇、陶娅龄。 1 范围 本标准规定了泡沫玻璃外墙外保温系统材料的术语和定义、一般规定、要求、试验方 法 、检验规则、包 装 、运 输 和贮 存 。 本标准适 用 于 建筑外墙用 的泡沫玻璃外保温系统材料。 2 规范性 引 用 文 件 下 列 文 件对 于 本文 件的应 用 是 必 不 可 少 的。凡 是 注 日期的引 用 文 件, 仅 注 日期的版 本适用 于 本文 件。凡 是 不 注 日期的引 用 文 件, 其 最 新 版 本(包 括 所有的修 改 单)适 用 于 本文 件。 GB/T308.1-2013 滚 动 轴 承 球 第 1 部分 :钢 球 GB/T5486-2008 无 机 硬 质绝热制品试验方 法 GB/T7689.5-2013 增 强 材料机 织 物 试验方 法 第 5 部分 :玻璃纤 维 拉 伸 断 裂 强 力 和断 裂 伸长 的测 定 GB/T8170 数 值 修 约 规则与极 限数 值 的表 示 和判 定 GB/T9914.3-2013 增 强 制品试验方 法 第 3 部分 :单位面 积 质量的测 定 GB/T10294 绝热材料稳 态 热阻 及 有关 特 性 的测 定防 护 热板 法 2 GB/T10295 绝热材料稳态热阻及有关特性的测定热流计法 GB/T17146 建筑材料水蒸气透过性能试验方法 GB/T17671 水泥胶砂强度检验方法(ISO 法) GB/T20102 玻璃纤维网布耐碱性试验方法氢氧化钠溶液浸泡法 JC/T647 泡沫玻璃绝热制品 JG/T157-2009 建筑外墙用腻子 JG/T366 外墙保温用锚栓 JG/T429 外墙外保温系统耐候性试验方法 3 术语和定义 下列术语和定义适用于...

1、当您付费下载文档后,您只拥有了使用权限,并不意味着购买了版权,文档只能用于自身使用,不得用于其他商业用途(如 [转卖]进行直接盈利或[编辑后售卖]进行间接盈利)。
2、本站所有内容均由合作方或网友上传,本站不对文档的完整性、权威性及其观点立场正确性做任何保证或承诺!文档内容仅供研究参考,付费前请自行鉴别。
3、如文档内容存在违规,或者侵犯商业秘密、侵犯著作权等,请点击“违规举报”。

碎片内容

JGT4692015泡沫玻璃外墙外保温系统材料技术要求

小辰2+ 关注
实名认证
内容提供者

出售各种资料和文档

确认删除?
VIP
微信客服
  • 扫码咨询
会员Q群
  • 会员专属群点击这里加入QQ群
客服邮箱
回到顶部