电脑桌面
添加小米粒文库到电脑桌面
安装后可以在桌面快捷访问

悬挑脚手架计算

悬挑脚手架计算_第1页
1/20
悬挑脚手架计算_第2页
2/20
悬挑脚手架计算_第3页
3/20
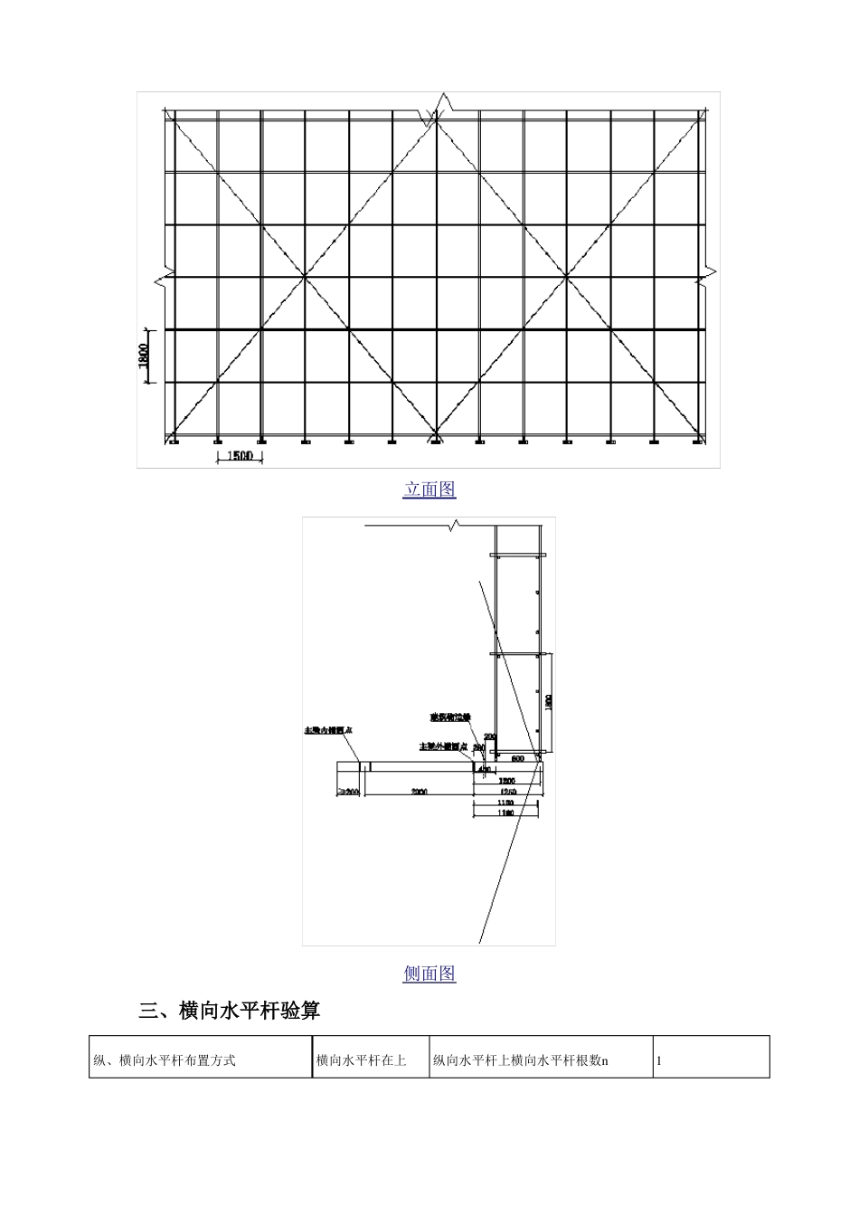
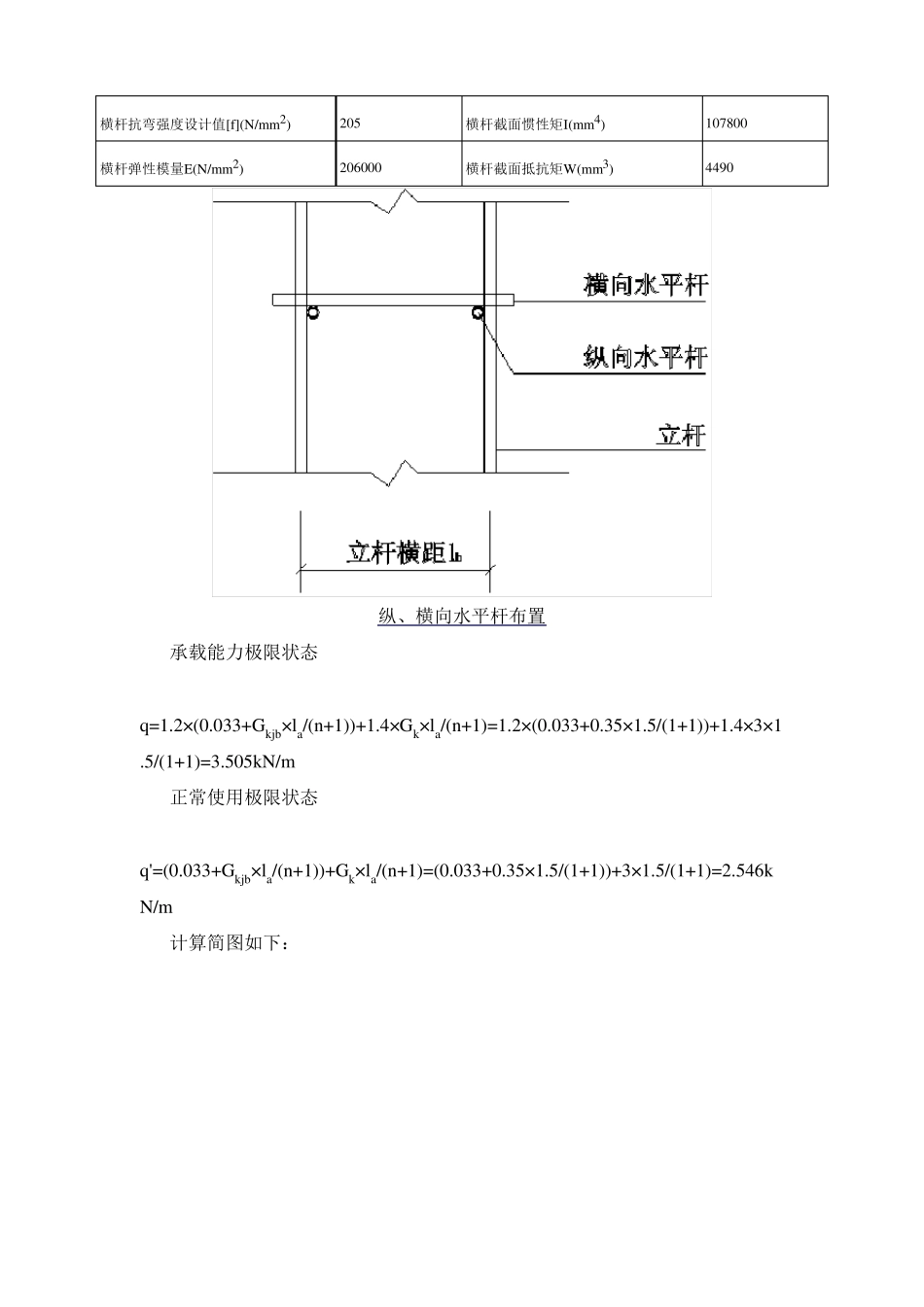
悬挑脚手架计算一、脚手架参数脚手架设计类型脚手架搭设排数脚手架架体高度H(m)立杆纵距或跨距la(m)横向水平杆计算外伸长度a1(m)双立杆计算方法结构脚手架双排脚手架191.50.1不设置双立杆卸荷设置脚手架钢管类型立杆步距h(m)立杆横距lb(m)内立杆离建筑物距离a(m)无Ф48×31.80.80.2二、荷载设计脚手板类型脚手板铺设方式竹串片脚手板1步1设脚手板自重标准值Gkjb(kN/m )20.35密目式安全立网自重标准值Gkmw(kN/0.01m )2挡脚板类型挡脚板铺设方式竹串片挡脚板1步1设栏杆与挡脚板自重标准值Gkdb(kN/m)0.17每米立杆承受结构自重标准值gk(kN/m 0.12)横向斜撑布置方式结构脚手架荷载标准值Gkjj(kN/m )安全网设置风荷载体型系数μs26跨1设3全封闭1.132结构脚手架作业层数njj地区基本风压ω0(kN/m )21贵州遵义市0.2风压高度变化系数μz(连墙件、单立杆0.938,0.65稳定性)风荷载标准值ωk(kN/m )(连墙件、单立杆稳定性)20.212,0.147计算简图:立面图侧面图三、横向水平杆验算纵、横向水平杆布置方式横向水平杆在上纵向水平杆上横向水平杆根数n1横杆抗弯强度设计值[f](N/mm )横杆弹性模量E(N/mm )22205206000横杆截面惯性矩I(mm )横杆截面抵抗矩W(mm )341078004490纵、横向水平杆布置承载能力极限状态q=1.2×(0.033+Gkjb×la/(n+1))+1.4×Gk×la/(n+1)=1.2×(0.033+0.35×1.5/(1+1))+1.4×3×1.5/(1+1)=3.505kN/m正常使用极限状态q'=(0.033+Gkjb×la/(n+1))+Gk×la/(n+1)=(0.033+0.35×1.5/(1+1))+3×1.5/(1+1)=2.546kN/m计算简图如下:1、抗弯验算Mmax=max[qlb2/8,qa12/2]=max[3.505×0.82/8,3.505×0.12/2]=0.28kN·mσ=Mmax/W=0.28×106/4490=62.449N/mm2≤[f]=205N/mm2满足要求!2、挠度验算νmax=max[5q'lb4/(384EI),q'a14/(8EI)]=max[5×2.546×8004/(384×206000×107800),2.546×1004/(8×206000×107800)]=0.611mmνmax=0.611mm≤[ν]=min[lb/150,10]=min[800/150,10]=5.333mm满足要求!3、支座反力计算承载能力极限状态Rmax=q(lb+a1)2/(2lb)=3.505×(0.8+0.1)2/(2×0.8)=1.774kN正常使用极限状态Rmax'=q'(lb+a1)2/(2lb)=2.546×(0.8+0.1)2/(2×0.8)=1.289kN四、纵向水平杆验算承载能力极限状态由上节可知F1=Rmax=1.774kNq=1.2×0.033=0.04kN/m正常使用极限状态由上节可知F1'=Rmax'=1.289kNq'=0.033kN/m1、抗弯验算计算简图如下:弯矩图(kN·m)σ=Mmax/W=0.472×106/4490=105.217N/mm2≤[f]=205N/mm2满足要求!2、挠度验算计算...

1、当您付费下载文档后,您只拥有了使用权限,并不意味着购买了版权,文档只能用于自身使用,不得用于其他商业用途(如 [转卖]进行直接盈利或[编辑后售卖]进行间接盈利)。
2、本站所有内容均由合作方或网友上传,本站不对文档的完整性、权威性及其观点立场正确性做任何保证或承诺!文档内容仅供研究参考,付费前请自行鉴别。
3、如文档内容存在违规,或者侵犯商业秘密、侵犯著作权等,请点击“违规举报”。

碎片内容

悬挑脚手架计算

您可能关注的文档

爱的疯狂+ 关注
实名认证
内容提供者

该用户很懒,什么也没介绍

相关文档

确认删除?
VIP
微信客服
  • 扫码咨询
会员Q群
  • 会员专属群点击这里加入QQ群
客服邮箱
回到顶部