电脑桌面
添加小米粒文库到电脑桌面
安装后可以在桌面快捷访问

《汽车用铝合金板材》VIP专享

《汽车用铝合金板材》_第1页
1/7
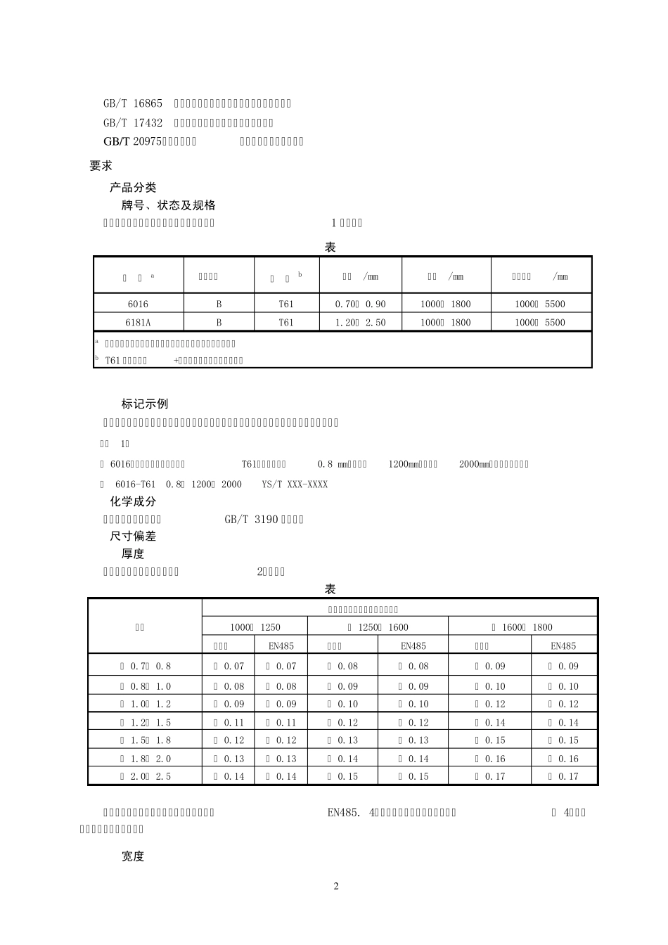
《汽车用铝合金板材》_第2页
2/7
《汽车用铝合金板材》_第3页
3/7
1 《汽车用铝合金板材》 行业标准送审稿编制说明,2009-07-06 一、任务来源 随着我国国民经济的发展,汽车工业迅速发展,汽车用铝合金板材的应用将会成为一种趋势,应用越来越广,量会越来越大。我国目前还没有一个汽车用铝合金板材专用的国家标准或行业标准。为了规范汽车用铝合金板材的市场,保证汽车用铝合金板材的产品质量,制定汽车用铝合金板材的行业标准是非常必要和及时的。中国有色金属工业协会以中色协综字[2007]132 号 ,下达了《汽车用铝合金板材》的行业标准制订任务,由西南铝业(集团)有限责任公司任主编单位,负责起草该标准。 二、工作简况 1 编制组查阅了国内外有关标准、资料,包括: a) EN485《铝及铝合金薄板、厚板和带材》; b) GM6412M-2008《车体和闭合仪表盘closure panel用铝板》; c) 2009年大众汽车股份公司《6000系铝合金板、带材快速回火(时效)材料要求》; d) 2004年大众汽车集团《AlMgSi合金板、带材》。 e) 福特公司的WSB-M2A152-A1标准。 2 根据我国铝及铝合金加工企业的生产情况和用户的需要及使用情况,于 2008 年 4 月 22 日提出本标准的《征求意见稿》。 3 全国有色金属标准化技术委员会轻标委于2008 年 5 月 14 日主持在江西景德镇对本标准的《征求意见稿》进行了会议讨论,现根据会议精神,于2009 年 7 月 6 日提出本标准的《送审稿》。 三、标准的制定原则 本标准参照了EN485《铝及铝合金薄板、厚板和带材》、GM6412M-2008《车体和闭合仪表盘closure panel用铝板》、 2009年大众汽车股份公司《 6000系铝合金板、带材快速回火(时效)材料要求》、 2004年大众汽车集团《AlMgSi合金板、带材》、福特公司的WSB-M2A152-A1 等标准,并根据目前我国汽车板的市场开发情况制定的。 四、标准的主要内容说明 1、 范围 本标准规定了汽车车身用铝合金板材的要求、试验方法、检验规则、标志、包装、运输、贮存及合同内容。 本标准适用于汽车车身用铝合金板材。 2、规范性引用文件 下列文件中的条款通过本标准的引用而成为本标准的条款。凡是注日期的引用文件,其随后所有的修改单(不包括勘误的内容)或修订版均不适用于本标准,然而,鼓励根据本标准达成协议的各方研究是否可使用这些文件的最新版本。凡是不注日期的引用文件,其最新版本适用于本标准。 GB/T 228 金属材料 室温拉伸试验方法 GB/T 232 金属材料 弯曲试验方法 GB/T 3190 变形铝及铝...

1、当您付费下载文档后,您只拥有了使用权限,并不意味着购买了版权,文档只能用于自身使用,不得用于其他商业用途(如 [转卖]进行直接盈利或[编辑后售卖]进行间接盈利)。
2、本站所有内容均由合作方或网友上传,本站不对文档的完整性、权威性及其观点立场正确性做任何保证或承诺!文档内容仅供研究参考,付费前请自行鉴别。
3、如文档内容存在违规,或者侵犯商业秘密、侵犯著作权等,请点击“违规举报”。

碎片内容

《汽车用铝合金板材》

确认删除?
VIP
微信客服
  • 扫码咨询
会员Q群
  • 会员专属群点击这里加入QQ群
客服邮箱
回到顶部