电脑桌面
添加小米粒文库到电脑桌面
安装后可以在桌面快捷访问

《混凝土结构设计》课程设计VIP专享

《混凝土结构设计》课程设计_第1页
1/17
《混凝土结构设计》课程设计_第2页
2/17
《混凝土结构设计》课程设计_第3页
3/17
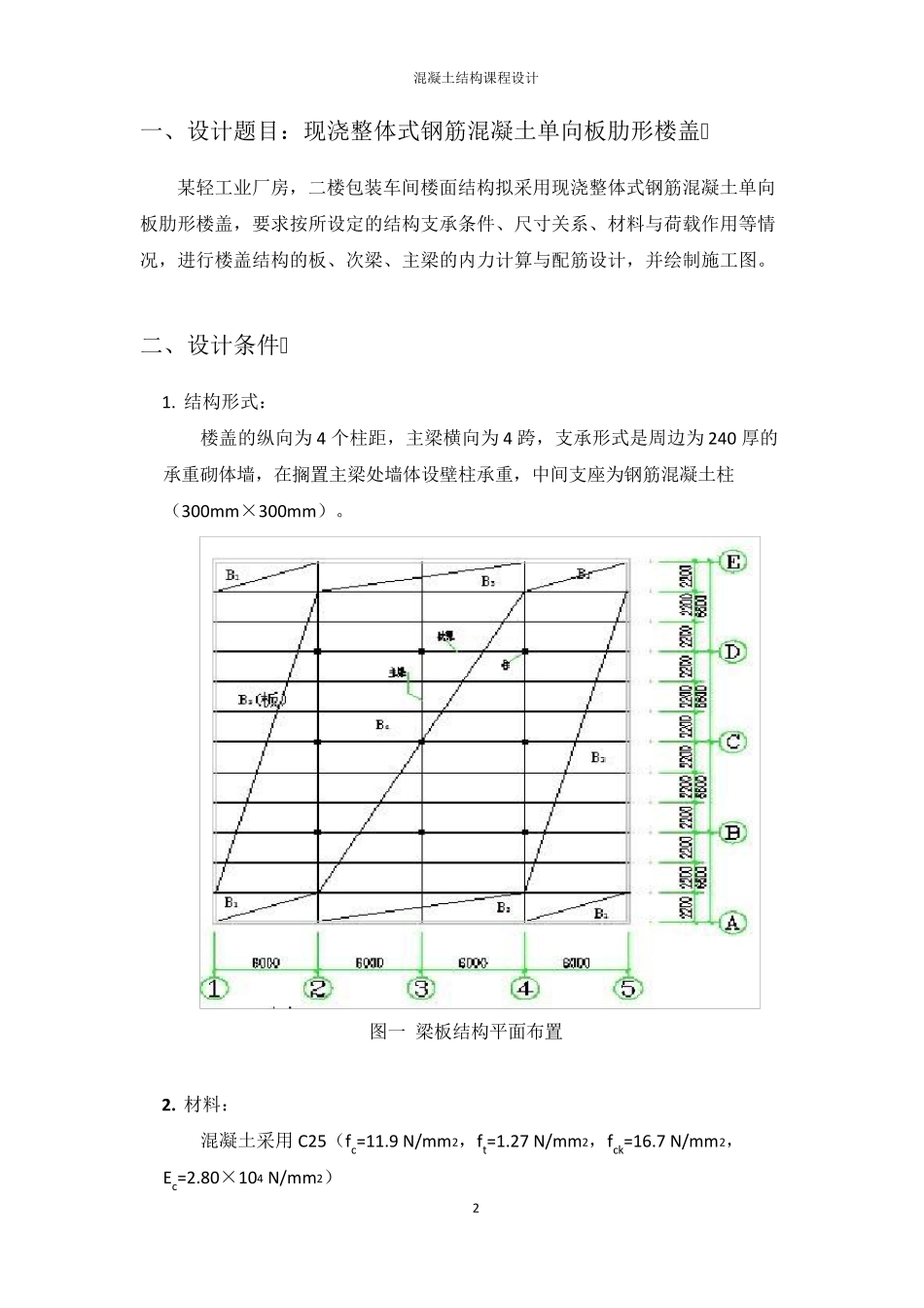
混凝土结构课程设计 1 《混凝土结构设计》课程设计 现浇整体式钢筋混凝土单向板肋形楼盖 指导教师: 学生姓名: 学 号: 班 级: 混凝土结构课程设计 2 一、设计题目:现浇整体式钢筋混凝土单向板肋形楼盖 某轻工业厂房,二楼包装车间楼面结构拟采用现浇整体式钢筋混凝土单向板肋形楼盖,要求按所设定的结构支承条件、尺寸关系、材料与荷载作用等情况,进行楼盖结构的板、次梁、主梁的内力计算与配筋设计,并绘制施工图。 二、设计条件 1. 结构形式: 楼盖的纵向为4 个柱距,主梁横向为4 跨,支承形式是周边为240 厚的承重砌体墙,在搁置主梁处墙体设壁柱承重,中间支座为钢筋混凝土柱(300mm×300mm)。 图一 梁板结构平面布置 2 . 材料: 混凝土采用C25(fc=11.9 N/mm2,ft=1.27 N/mm2,fck=16.7 N/mm2,Ec=2.80×104 N/mm2) 混凝土结构课程设计 3 钢筋采用HPB235(fy=210N/mm2,Es=2.1×105 N/mm2)或 HRB335(fy=300N/mm2,Es=2.0×105 N/mm2) 3 . 荷载: 1) 恒载 楼面构造层做法:采用20mm 厚水泥砂浆找平,面层用10mm 耐磨砂浆压关抹平;板底梁侧与顶棚均采用20 厚混合砂浆抹面(参考标准容重可分别取 20kN/m3,22 kN/m3,18 kN/m3)。 2) 活载 标准值为 7.0 kN/m2。 恒载分项系数为 1.2,活载分项系数为 1.3。 三、板的计算 板按考虑塑性内力重分布方法计算。板的 21ll = 6000=2.7332200m mm m,宜按双向板设计,按沿短边方向受力的单向板计算时,应沿长边方向布置足够数量的构造钢筋。本设计按单向板设计。 板的厚度按构造要求取 h=80>140l= 2200=5540m mm m 。次梁截面高度取h=450mm>26000==4001515lm mm m ,截面宽度 b=200mm。板尺寸及支承情况如图下: 图二 板的尺寸 混凝土结构课程设计 4 图三 计算简图 1) 荷载 恒荷载标准值 20 ㎜厚水泥砂 0.02m×20 kN/m3=0.4 kN/㎡ 80mm 钢筋混凝土板 0.08m×25 kN/m3=2.0 kN/㎡ 10mm 耐磨砂浆 0.01m×22 kN/m3=0.22 kN/㎡ 20mm 厚混合砂浆 0.02m×18 kN/m3=0.36 kN/㎡ 2=2.98/kgkNm 线恒载设计值 g=1.2×2.98 kN/㎡=3.58 kN/㎡ 线活载设计值 q=1.3×7.00 kN/㎡=9.10kN/㎡ g+q=3.58 kN/㎡+9.10kN/㎡=12.68 kN/㎡ 即每米板宽 12.68 kN/㎡ 2) 内力计算 板计算跨度为: 边跨 mmmmmhln02.2208.022.012.02.22 mmmmmmaln02.204.2212.022.012.02.22...

1、当您付费下载文档后,您只拥有了使用权限,并不意味着购买了版权,文档只能用于自身使用,不得用于其他商业用途(如 [转卖]进行直接盈利或[编辑后售卖]进行间接盈利)。
2、本站所有内容均由合作方或网友上传,本站不对文档的完整性、权威性及其观点立场正确性做任何保证或承诺!文档内容仅供研究参考,付费前请自行鉴别。
3、如文档内容存在违规,或者侵犯商业秘密、侵犯著作权等,请点击“违规举报”。

碎片内容

《混凝土结构设计》课程设计

确认删除?
VIP
微信客服
  • 扫码咨询
会员Q群
  • 会员专属群点击这里加入QQ群
客服邮箱
回到顶部