电脑桌面
添加小米粒文库到电脑桌面
安装后可以在桌面快捷访问

《混凝土结构设计》课程设计___整体式单向板肋梁楼盖

《混凝土结构设计》课程设计___整体式单向板肋梁楼盖_第1页
1/20
《混凝土结构设计》课程设计___整体式单向板肋梁楼盖_第2页
2/20
《混凝土结构设计》课程设计___整体式单向板肋梁楼盖_第3页
3/20
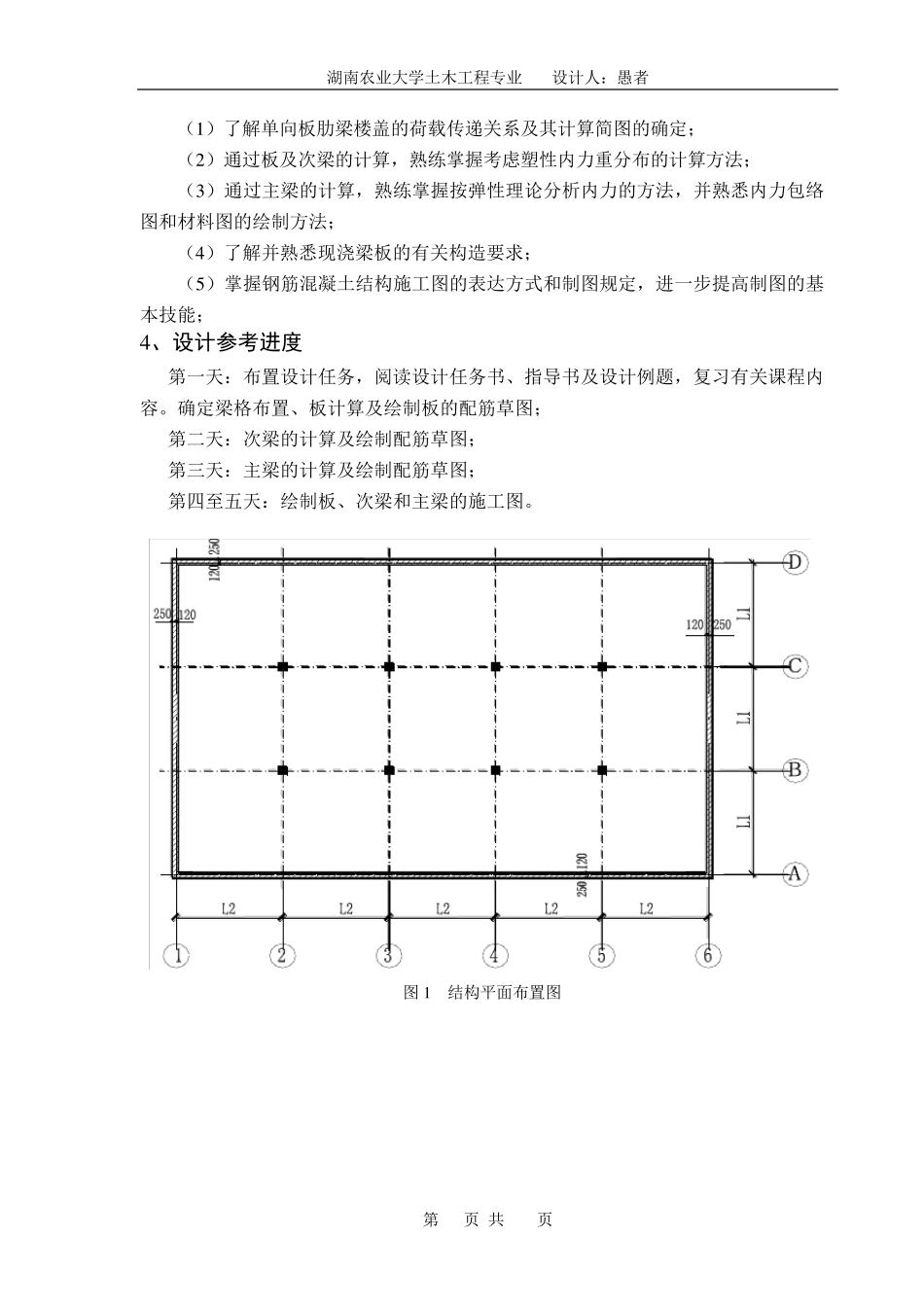
湖南农业大学东方科技学院 课程设计说明书 课程名称: 《混凝土结构设计》课程设计 题目名称: 现浇单向板肋梁楼盖结构设计 班 级:2 0 0 9 级 土木工程 专业 4 班 姓 名: 学 号: 指导教师: 评定成绩: 教师评语: 指导老师签名: 2 0 1 1 年 月 日 湖南农业大学土木工程专业 设计人:愚者 第 2 页 共 20 页 现浇整体式单向板肋梁楼盖课程设计任务书 1、设计资料 (1)某工业用仓库,设计使用年限为50 年,楼面使用活荷载为29kN/m。 (2)楼面面层为水磨石(底层20m m 厚水泥砂浆,10m m 厚面层),自重为20.65kN/m ,梁板天花用混合砂浆抹灰15m m 。 (3)材料选用 a.混凝土强度等级采用C20 、C25 或C30 。 b.钢筋采用受力纵筋 HRB335 或 HRB400;其他钢筋均用HPB235。 (4)板伸入墙内120m m ,次梁伸入墙内 240m m ,主梁伸入墙内 370m m 。 (5)二楼楼面结构平面布置图如图所示(楼梯间在此平面外)。 (6 )楼板厚度为8 0 m m ,次 梁截 面为 2 0 0 m m5 0 0 m mb h,主 梁截 面2 5 0 m m7 0 0 m mb h,柱的截面尺寸350m m350m mb h(或 400m m400m m或自定)。 2、设计内容和要求 (1)板和次梁按考虑塑性内力重分布方法计算内力;主梁按弹性理论计算内力,并绘出弯矩包络图。 (2)绘制楼盖结构施工图 1.楼面结构平面布置图(标注墙、柱定位轴线编号和梁、柱定位尺寸及构件编号).(比例 1:100~1:200); 2.板模板图及配筋平面图(标注板厚、板中钢筋的直径、间距、编号及其定位尺寸)(比例 1:100~1:200); 3.次梁模板及配筋图(标注次梁截面尺寸及几何尺寸、钢筋的直径、根数、编号及其定位尺寸)(比例 1:50,剖面图比例 1:15~1:30); 4、梁材料图、模板图及配筋图(按同一比例绘出主梁的弯矩包络图、抵抗弯矩图、模板图及配筋图),(标注主梁截面尺寸及几何尺寸、钢筋的直径、根数、编号及其定位尺寸);(比例 1:50,剖面图比例 1:15~1:30); 5.在图中标明有关设计说明,如混凝上强度等级、钢筋的种类、混凝土保护层厚度等。 (3)计算书 要求计算准确,步骤完整,内容清晰。 (4)主梁配筋图必须手工绘制,板、次梁配筋图不作规定。 (5)第11 周星期五之前提交设计成果。 3、课程设计目的 湖南农业大学土木工程专业 设计人:愚者 第 3 页 ...

1、当您付费下载文档后,您只拥有了使用权限,并不意味着购买了版权,文档只能用于自身使用,不得用于其他商业用途(如 [转卖]进行直接盈利或[编辑后售卖]进行间接盈利)。
2、本站所有内容均由合作方或网友上传,本站不对文档的完整性、权威性及其观点立场正确性做任何保证或承诺!文档内容仅供研究参考,付费前请自行鉴别。
3、如文档内容存在违规,或者侵犯商业秘密、侵犯著作权等,请点击“违规举报”。

碎片内容

《混凝土结构设计》课程设计___整体式单向板肋梁楼盖

确认删除?
VIP
微信客服
  • 扫码咨询
会员Q群
  • 会员专属群点击这里加入QQ群
客服邮箱
回到顶部