电脑桌面
添加小米粒文库到电脑桌面
安装后可以在桌面快捷访问

《珠海市蒸压加气混凝土砌块填充墙工程专项技术措施》

《珠海市蒸压加气混凝土砌块填充墙工程专项技术措施》_第1页
1/54
《珠海市蒸压加气混凝土砌块填充墙工程专项技术措施》_第2页
2/54
《珠海市蒸压加气混凝土砌块填充墙工程专项技术措施》_第3页
3/54
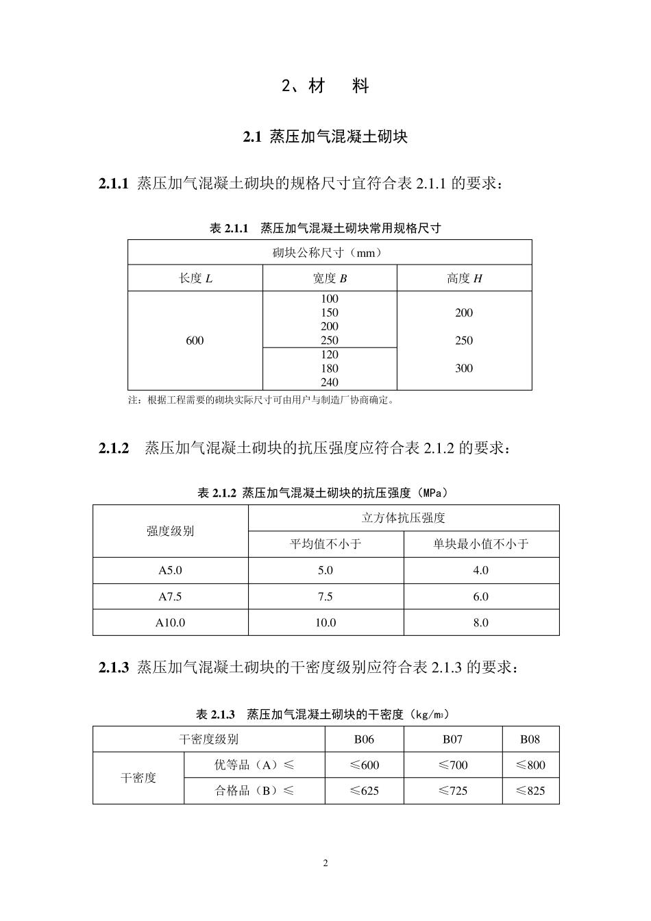
1 1 总 则 1 .0 .1 为了贯彻落实我国现行建筑节能和推广使用新型墙体材料的产业政策,治理蒸压加气混凝土砌块填充墙工程渗、漏、裂、空等质量通病,提高建筑工程质量,特制定《珠海市蒸压加气混凝土填充墙专项技术措施》。 1 .0 .2 本措施适用于珠海市行政区域内工业与民用建筑的蒸压加气混凝土砌块填充墙工程中的砌体工程、抹灰和饰面工程(包括界面处理层、找平层、饰面层、涂料面层的抹面层,下同)的设计、施工和验收。 1 .0 .3 本措施依据《建筑工程施工质量验收统一标准》GB 50300、《砌体工程施工质量验收规范》GB 50203、《建筑装饰装修工程质量验收规范》GB 50210、《建筑防水工程技术规程》DBJ 15-19 等国家和地方现行规范的基本原则,结合珠海市的气候环境、产业政策、工艺水平和产品质量状况等特点编制。 1 .0 .4 蒸压加气混凝土砌块填充墙工程的设计、施工和验收除执行本措施外,尚应符合国家和广东省现行有关技术标准的要求。 2 2、材 料 2 .1 蒸压加气混凝土砌块 2 .1 .1 蒸压加气混凝土砌块的规格尺寸宜符合表2.1.1 的要求: 表 2 .1 .1 蒸压加气混凝土砌块常用规格尺寸 砌块公称尺寸(mm) 长度L 宽度B 高度H 600 100 150 200 250 200 250 300 120 180 240 注:根据工程需要的砌块实际尺寸可由用户与制造厂协商确定。 2 .1 .2 蒸压加气混凝土砌块的抗压强度应符合表2.1.2 的要求: 表 2 .1 .2 蒸压加气混凝土砌块的抗压强度(MPa) 强度级别 立方体抗压强度 平均值不小于 单块最小值不小于 A5.0 5.0 4.0 A7.5 7.5 6.0 A10.0 10.0 8.0 2 .1 .3 蒸压加气混凝土砌块的干密度级别应符合表2.1.3 的要求: 表 2 .1 .3 蒸压加气混凝土砌块的干密度(kg/m3) 干密度级别 B06 B07 B08 干密度 优等品(A)≤ ≤600 ≤700 ≤800 合格品(B)≤ ≤625 ≤725 ≤825 3 2 .1 .4 蒸压加气混凝土砌块的强度级别应符合表2.1.4 的要求: 表2.1.4 蒸压加气混凝土砌块的强度级别 干密度级别 B06 B07 B08 强度级别 优等品(A) A5.0 A7.5 A10.0 合格品(B ) — A5.0 A7.5 2 .1 .5 蒸压加气混凝土砌块的干燥收缩值和导热系数应符合表2.1.5的要求: 表2 .1 .5 蒸压加气混凝土砌块的干燥收缩值和导热系数 干密度级别 B06 B07 B08 干燥收缩值 标准法(m m /m ) ≤ ≤0.50 快速法(m m /m ) ≤ ...

1、当您付费下载文档后,您只拥有了使用权限,并不意味着购买了版权,文档只能用于自身使用,不得用于其他商业用途(如 [转卖]进行直接盈利或[编辑后售卖]进行间接盈利)。
2、本站所有内容均由合作方或网友上传,本站不对文档的完整性、权威性及其观点立场正确性做任何保证或承诺!文档内容仅供研究参考,付费前请自行鉴别。
3、如文档内容存在违规,或者侵犯商业秘密、侵犯著作权等,请点击“违规举报”。

碎片内容

《珠海市蒸压加气混凝土砌块填充墙工程专项技术措施》

您可能关注的文档

确认删除?
VIP
微信客服
  • 扫码咨询
会员Q群
  • 会员专属群点击这里加入QQ群
客服邮箱
回到顶部