电脑桌面
添加小米粒文库到电脑桌面
安装后可以在桌面快捷访问

《电器及PLC控制技术》期终考试答卷

《电器及PLC控制技术》期终考试答卷_第1页
1/6
《电器及PLC控制技术》期终考试答卷_第2页
2/6
《电器及PLC控制技术》期终考试答卷_第3页
3/6
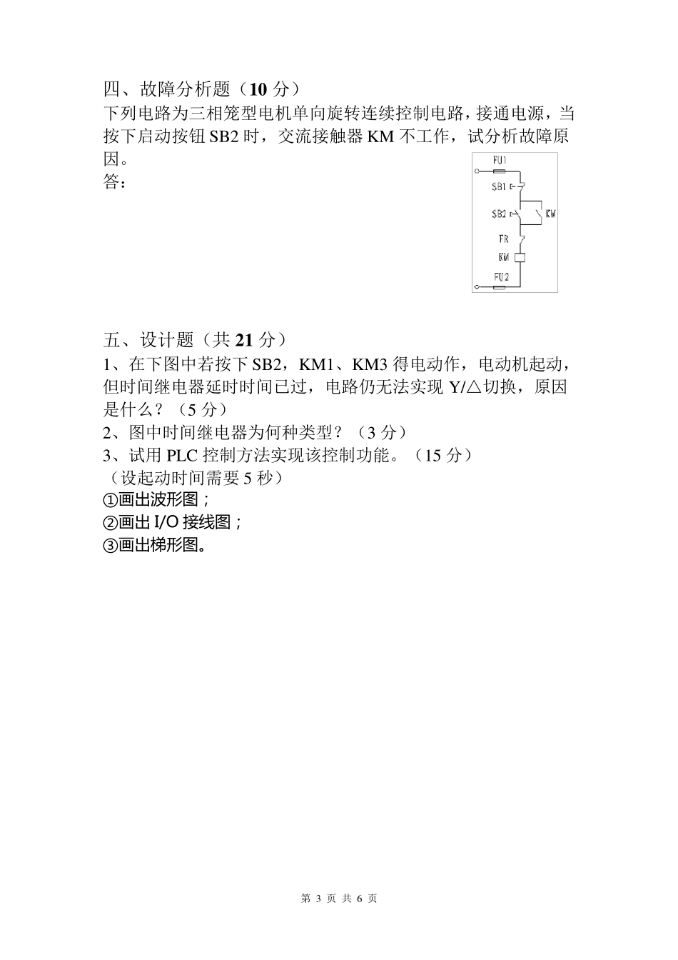
第 1 页 共 6 页 《电器及PLC 控制技术》期终考试试卷 时 量 : 90 分钟 满分: 100 分 考 生 姓 名 成 绩 一、填空题(将正确答案填入下列空白处,每题 6 分,共42 分) 1、电气控制电路中通常保护有 、 、欠电压保护及零电压保护 等。 2、PLC 循环扫描工作方式的三个阶段 、 和输出刷新阶段。 3、电气制动有 、 、电容制动等。 4、PLC 常用的编程语言有 、 、逻辑功能图和高级语言。 5、试举出两种主令电器: 、 。 6、热继电器是对电动机进行 保护和 保护的电器 。 7、PLC 的内部存储器中 ROM 是指 存储器,RAM 是 指 存储器。 二、选择题(下列每题只有一个正确答案,将正确答案的代号填入括号内,每题 4 分,共20 分) 1、FX2N-64MR 型号的 PLC 中,是( )方式输出。 A、电子管输出 B、晶体管输出 C、晶闸管输出 D、继电器输出 2、熔断器作为短路保护的电器,它是( )于被保护电路中的。 A、并接 B、串接 C、串接或并接都可以 3、下列对 PLC 软继电器的描述正确的是:( ) A、有无数对常开和常闭触点供编程时使用 B、只有 2 对常开和常闭触点供编程时使用 第 2 页 共 6 页 C、不同型号的 PLC 的情况可能不一样 D、以上说法都不正确 4、下列对 PLC 输入继电器的描述正确的是:( ) A、输入继电器的线圈只能由外部信号来驱动 B、输入继电器的线圈只能由程序来驱动 C、输入继电器的线圈既可以由外部信号来驱动又可以由程序来驱动 5、定时器 T200 的设定值为 K123 ,则在定时器的输入条件成立( )时间后,定时器输出触点动作。 A、0.123 S B、1.23 S C、12.3 S D、123 S 题号 1 2 3 4 5 答案 三、判断题(下面各题正确的在括号内划√,错误的在括号内划×,每题 1 分,共7 分) 1、电磁机构由吸引线圈、铁心、衔铁等几部分组成。……( ) 2、因为交流电磁继电器的触点工作电流较小,所以其铁心端面上不需要安装短路环。…………………………………………( ) 3、为了避免误操作,通常将控制按钮的按钮帽用红色表示停止按钮,绿色表示启动按钮。………………………………………( ) 4、安装刀开关时,刀开关在合闸状态下手柄应该向上,不能倒装和平装,以防止闸刀松动落下时误合闸。…………………( ) 5、PLC 的输出继电器的线圈只能由程序驱动。……………( ) 6、PLC 的所有软继电器都是...

1、当您付费下载文档后,您只拥有了使用权限,并不意味着购买了版权,文档只能用于自身使用,不得用于其他商业用途(如 [转卖]进行直接盈利或[编辑后售卖]进行间接盈利)。
2、本站所有内容均由合作方或网友上传,本站不对文档的完整性、权威性及其观点立场正确性做任何保证或承诺!文档内容仅供研究参考,付费前请自行鉴别。
3、如文档内容存在违规,或者侵犯商业秘密、侵犯著作权等,请点击“违规举报”。

碎片内容

《电器及PLC控制技术》期终考试答卷

确认删除?
VIP
微信客服
  • 扫码咨询
会员Q群
  • 会员专属群点击这里加入QQ群
客服邮箱
回到顶部