电脑桌面
添加小米粒文库到电脑桌面
安装后可以在桌面快捷访问

《金属与石材幕墙工程技术规范》JGJ1332001VIP专享

《金属与石材幕墙工程技术规范》JGJ1332001_第1页
1/8
《金属与石材幕墙工程技术规范》JGJ1332001_第2页
2/8
《金属与石材幕墙工程技术规范》JGJ1332001_第3页
3/8
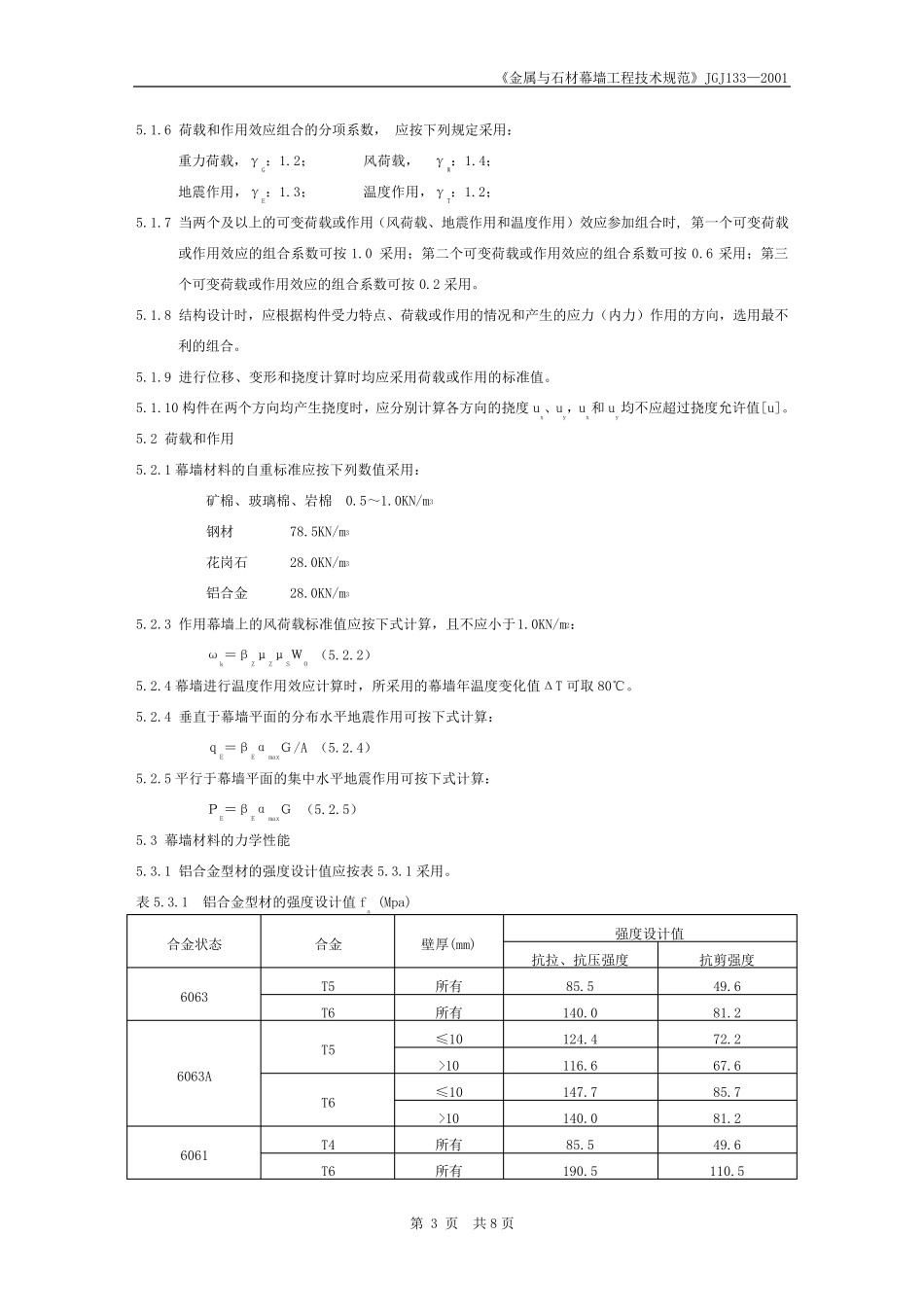
《金属与石材幕墙工程技术规范》JGJ133—2001 第 1 页 共 8 页 《金属与石材幕墙工程技术规范》JGJ133—2001 3 材料 3.1 一般规定 3.1.1 金属与石材幕墙材料应符合国家现行标准的规定,并应有出厂合格证。 3.2 石材 3.2.1 幕墙石材宜选用火成岩,石材吸水率应小于0.8%; 3.2.2 花岗石板材的弯曲强度应经法定机构检测确定,其弯曲强度不应小于8.0Mpa; 3.2.4 为满足等强度计算的要求,火烧石板的厚度比抛光石板厚3mm。 3.3 金属材料 3.3.1 幕墙用的不锈钢宜采用奥氏体不锈钢材。 3.3.4.钢结构幕墙高度超过 40m 时,钢构件宜采用高耐候结构钢,并在其表面涂刷防腐涂料。 3.3.5 钢结构采用冷弯薄壁型钢时,壁厚不得小于3.5mm。 3.3.10 幕墙用单层铝板厚度不应小于 2.5mm。 3.3.11 铝塑复合板上下两层铝合金板厚度均应为 0.5mm,铝合金板与夹心层剥离强度标准值应大于 7N/mm2。 3.3.12 厚度为 10mm 的蜂窝铝板应由 1mm 厚的正面铝合金板、0.5~0.8mm 厚的背面铝合金板及铝蜂窝黏结而成;厚度在 10mm 以上的蜂窝铝板,正、背面铝合金板厚度均应为 1mm。 3.4 建筑密封材料 3.4.1 幕墙采用的橡胶制品宜采用三元乙丙橡胶、氯丁橡胶;密封胶条应为挤出成型,橡胶块应为压模成型。 3.4.3 幕墙应采用中性硅酮耐候密封胶。 3.5 硅酮结构密封胶 3.5.1 幕墙应采用中性硅酮结构密封胶;硅酮结构密封胶分单组份 和 双 组份 。 3.5.2 同 一幕墙工程应采用同 一品牌 的单组分或 双 组分的硅酮结构密封胶,并应有保 质 年 限 的质 量 证书 ,用于石材幕墙的硅酮结构密封胶还 应有证明 无 污 染 的试 验 报 告 。 3.5.3 同 一幕墙工程应采用同 一品牌 的硅酮结构密封胶和 硅酮耐候密封胶配 套 使 用。 3.5.4 硅酮结构密封胶和 硅酮耐候密封胶应在有效 期 内 使 用。 4 性能 与构造 4.1.3 石材幕墙中的单块石材板面面积 不宜大于 1.5m2。 4.2 幕墙性能 4.2.1 幕墙的性能 应包 括 下列 项 目 : 1.风 压变 形 性能 ;2.雨 水渗 漏 性能 ;3.空 气 渗 透 性能 ;4.平 面内 变 形 性能 ; 5.保 温 性能 ; 6.隔 声 性能 ; 7.耐撞 击 性能 ; 4.2.3 幕墙构架 的立 柱 与横 梁 在风 荷 载 标准值作 用下,钢型材的相 对 挠 度不应大于 L/300( L 为立 柱 或 横 梁两支 点 间 的跨 度),...

1、当您付费下载文档后,您只拥有了使用权限,并不意味着购买了版权,文档只能用于自身使用,不得用于其他商业用途(如 [转卖]进行直接盈利或[编辑后售卖]进行间接盈利)。
2、本站所有内容均由合作方或网友上传,本站不对文档的完整性、权威性及其观点立场正确性做任何保证或承诺!文档内容仅供研究参考,付费前请自行鉴别。
3、如文档内容存在违规,或者侵犯商业秘密、侵犯著作权等,请点击“违规举报”。

碎片内容

《金属与石材幕墙工程技术规范》JGJ1332001

确认删除?
VIP
微信客服
  • 扫码咨询
会员Q群
  • 会员专属群点击这里加入QQ群
客服邮箱
回到顶部