电脑桌面
添加小米粒文库到电脑桌面
安装后可以在桌面快捷访问

一份完整的井点降水参数计算书

一份完整的井点降水参数计算书_第1页
1/10
一份完整的井点降水参数计算书_第2页
2/10
一份完整的井点降水参数计算书_第3页
3/10
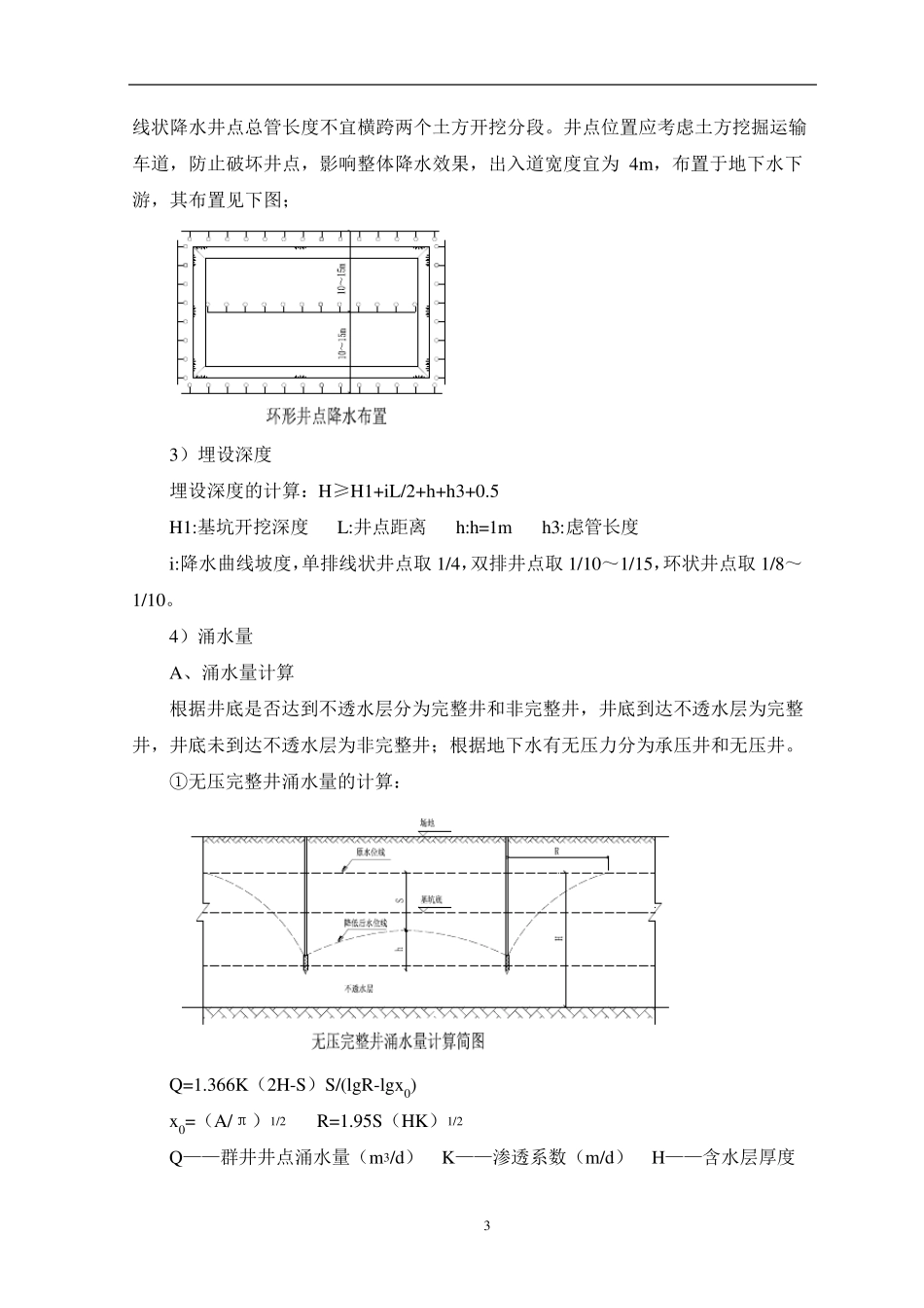
1 轻型井点降水 1 、适用范围 本工工艺标准使用于单级轻型井点降水,进行井点降水后利于基础施工、排水固结、增加基坑的稳定性、消除流沙、管涌、减少地下水对建筑的上浮作用等。 1.1、土质条件:土层渗透系数0.1~20m /d 的填土、粉土、粘土、砂土; 1.2、降水深度:≤6m ; 2 、编制依据 2.1、《上海市基坑工程技术规范》 DG/TJ08-61-2010 2.2、《建筑基坑支护技术规范》 JGJ120-99 2.3、《建筑基坑工程监测技术规范》 GB50497-2009 2.4、《建筑施工手册——第四版》 3 、施工准备 3.1、材料准备 支管、总管、连接套管、中粗砂、粘土、膨润土; 3.2、设备准备 1)泵机:真空泵或射流泵; 2)成孔设备:高压水枪、钻孔机、洛阳铲; 3.3、场地准备 1)现场用水:给水管网布置,冲孔高压水枪用水; 2)现场排水:安排合理排水管道,降水前施工现场排水系统完成; 3)现场用电:按井点冲成孔时用电量、抽水设备用电量; 4 、施工方法 4.1、布置方式 1)井点构造 2 A、井点管直径宜为38mm~55mm,长度为6m~9m; B、过滤器采用与井点管相同规格的钢管制作,长度为1m~2m,过滤器底端封闭。过滤器表面的进水孔直径10mm~15mm,梅花状排列,中心距30mm~40mm,孔隙率应大于15℅。紧贴过滤器外壁采用双层滤网包裹,内层滤网宜采用30~80目的金属网或尼龙网,外层采用3~10 目的金属网或尼龙网,管壁与滤网间采用金属丝绕成螺旋形隔开,滤网外层应再绕一层粗金属丝。滤管下端安装一个锥形铸铁头; C、连接管与集水总管 连接管采用透明塑料管,集水总管直径宜为65mm~110mm; D、抽水设备 真空井点降水通常采用真空泵、射流泵,真空泵由真空泵、离心泵、水气分离器等组成,射流泵由离心水泵、射流器、水箱等组成; 2)布型确定 井点管布置根据基坑平面形状、水文地质条件及降水深度确定; A、基坑宽度小于6m 时采用单排井点,布置于地下水上游,其布置见下图; B、基坑宽度在 6m~20m 时采用双排井点,布置于长边两侧; C、基坑宽度大于20m 时采用环形井点,大于30m 时坑中设置线状降水井点, 3 线状降水井点总管长度不宜横跨两个土方开挖分段。井点位置应考虑土方挖掘运输车道,防止破坏井点,影响整体降水效果,出入道宽度宜为4m,布置于地下水下游,其布置见下图; 3)埋设深度 埋设深度的计算:H≥H1+iL/2+h+h3+0.5 H1:基坑开挖深度 L:井点距离 h:h=1m h3:虑管长度 i:降水曲线坡度,单排...

1、当您付费下载文档后,您只拥有了使用权限,并不意味着购买了版权,文档只能用于自身使用,不得用于其他商业用途(如 [转卖]进行直接盈利或[编辑后售卖]进行间接盈利)。
2、本站所有内容均由合作方或网友上传,本站不对文档的完整性、权威性及其观点立场正确性做任何保证或承诺!文档内容仅供研究参考,付费前请自行鉴别。
3、如文档内容存在违规,或者侵犯商业秘密、侵犯著作权等,请点击“违规举报”。

碎片内容

一份完整的井点降水参数计算书

小辰3+ 关注
实名认证
内容提供者

出售各种资料和文档

确认删除?
VIP
微信客服
  • 扫码咨询
会员Q群
  • 会员专属群点击这里加入QQ群
客服邮箱
回到顶部