电脑桌面
添加小米粒文库到电脑桌面
安装后可以在桌面快捷访问

一体化教学学生工作页

一体化教学学生工作页_第1页
1/6
一体化教学学生工作页_第2页
2/6
一体化教学学生工作页_第3页
3/6
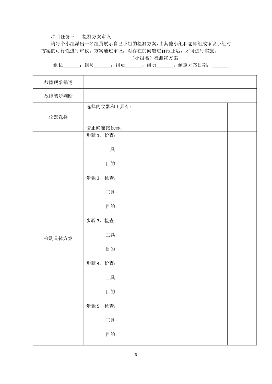
1 汽 车 电 控 系 统 一体化教学学生工作页 冷 却 液 温 度 传 感 器 项 目 姓 名 : ___________ 班 级 : ___________ 导 语 : 同 学 们 , 冷 却 液 温 度 传 感 器 是 汽 车 发 动 机 上 非 常 重 要 的 一 个 传 感 器 , 它 能 实 时 检测 发 动 机 的 冷 却 液 温 度 , 把 温 度 信 号 传 递 给 ECU , 使 发 动 机 做 出 相 应 的 调 节 , 保 证 发 动 机 处于 良 好 的 工 作 状 态 。 在 汽 车 4S 店 中 , 由 冷 却 液 温 度 传 感 器 引 起 的 故 障 也 十 分 常 见 。 本 项 目 学 习 结 束 后 , 同 学 们 在 以 后 工 作 中 要 做 到 : ( 1) 能 够 根 据 汽 车 的 故 障 现 象 初 步 分 析 出 与 冷 却 液 温 度 传 感 器 有 关 ; ( 2) 能 够 检 测 冷 却 液 温 度 传 感 器 , 并 确 定 故 障 部 位 ; ( 3) 掌 握 冷 却 液 温 度 传 感 器 的 位 置 , 作 用 , 结 构 , 特 性 等 相 关 知 识 。 项 目 任 务 一 知 识 预 习 : 请 同 学 们 根 据 【 知 识 链 接 】 的 理 论 知 识 内 容 , 课 前 完 成 下面的 题目 。 ( 1)冷 却 液 温 度 传 感 器 一 般安装在 _____________________________________________。 ( 2) 项 目 任 务 二 制定 检 测 方案: 请 同 学 们 根 据 维修小组的 划分 , 在 组长的 带领下共同 协作 制定 本 项 目 的 检 测 方案。 任 务 详解: 根 据 汽 车 的 故 障 现 象 , 我们 初 步 判断可能 是 冷 却 液 温 度 传 感 器 出 现 故 障 。 现在 需要 进行检 查确 定 , 所以 请 各小组制定 自己的 检 查方案, 要 求按照方案能 够 判断冷 却 液 温度 传 感 器 是 否存在 故 障 。 ___________( 小组名 ) 检 测 初 方案 组长_______; 组员_______; 组员_______; 组员_______; 制定 方案日期: _______ 故 障 现 象 描述 故 障 初 步 判断 仪器 选择 选择的 仪器 和工 具有 : 请 正确 连接 仪器 。 检 测 具体方案 步 骤1、...

1、当您付费下载文档后,您只拥有了使用权限,并不意味着购买了版权,文档只能用于自身使用,不得用于其他商业用途(如 [转卖]进行直接盈利或[编辑后售卖]进行间接盈利)。
2、本站所有内容均由合作方或网友上传,本站不对文档的完整性、权威性及其观点立场正确性做任何保证或承诺!文档内容仅供研究参考,付费前请自行鉴别。
3、如文档内容存在违规,或者侵犯商业秘密、侵犯著作权等,请点击“违规举报”。

碎片内容

一体化教学学生工作页

您可能关注的文档

确认删除?
VIP
微信客服
  • 扫码咨询
会员Q群
  • 会员专属群点击这里加入QQ群
客服邮箱
回到顶部