电脑桌面
添加小米粒文库到电脑桌面
安装后可以在桌面快捷访问

一体化教学工作页

一体化教学工作页_第1页
1/42
一体化教学工作页_第2页
2/42
一体化教学工作页_第3页
3/42
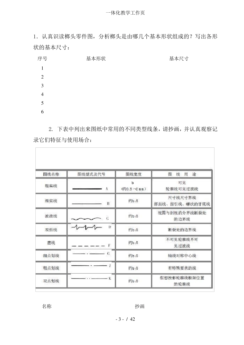
一体化教学工作页 - 1 - / 4 2 榔 头 制 作 【学习目标】 1、能看懂图样,能根据毛坯分析出所需去除的余量。 2、能查阅相关资料,解释常用材料牌号的含义。 3、能根据加工材料、加工条件选用锯条,并能正确安装、使用锯削工具去除多余材料。 4、能根据加工材料、加工条件选用锉刀,并正确使用锉削工具去除多余材料。 5、能根据加工要求合理选择、刃磨麻花钻,并能安全操纵钻床,完成孔加工。 6、能正确使用刀口尺对加工零件进行检测。 7、掌握圆弧面的挫削方法。 8、能写出工作总结并进行作品展示。 【任务描述】 某师傅在生产过程中发现缺少一把称手的小榔头,根据实际需要他设计了榔头的零件图,如下图所示 。 一体化教学工作页 - 2 - / 4 2 现在把任务安排给你,请你通过手工操作来完成该小榔头的制作。咱们首先分析榔头是由那几个基本形状组成的,各部分形状的基本尺寸有哪些,那些是定位尺寸,那些是定形尺寸,那些是设计基准,再弄清图上标注的形位公差、表面粗糙度等各项技术要求。 掌握了图纸上的要求后,需要制定合理的加工工艺路线,也就是确定加工顺序,以及使用的机床,工具、夹具、刀具、量具等。 【工作流程与活动】 1.抄画榔头加工图样(6 学时) 2.写出榔头加工工艺步骤(2 学时) 3.榔头划线(4 学时) 4.锯锉去掉榔头多余材料(26 学时) 5.榔头表面钻孔加工(6 学时) 6.工作总结、成果展示、经验交流(3 学时) 学习活动一 抄画榔头加工图样 【学习目标】  能看懂榔头加工图样。  能解释图样中零件的牌号。  能正确抄画榔头加工图样。 【建议 学时】 建议 学时 6 【学习准备 】 榔头的零件图、绘 图工具、图纸、教材。 【学习过程】 一体化教学工作页 - 3 - / 4 2 1.认真识读榔头零件图,分析榔头是由哪几个基本形状组成的?写出各形状的基本尺寸: 序号 基本形状 基本尺寸 1 2 3 4 5 6 2. 下表中列出来图纸中常用的不同类型线条,请抄画,并认真观察记录它们特征与使用场合: 名称 抄画 一体化教学工作页 - 4 - / 42 粗实线 细实线 波浪线 双折线 虚线 点画线 粗点画线 双点画线 3.查阅资料写出下列各种符号的含义 Ф:____________ R:______________ S:_______________ :_____________ :_______________ :_____________ 4.图样上 A-A 与 A 向旋转的标注表示什么含义? 答:_________________...

1、当您付费下载文档后,您只拥有了使用权限,并不意味着购买了版权,文档只能用于自身使用,不得用于其他商业用途(如 [转卖]进行直接盈利或[编辑后售卖]进行间接盈利)。
2、本站所有内容均由合作方或网友上传,本站不对文档的完整性、权威性及其观点立场正确性做任何保证或承诺!文档内容仅供研究参考,付费前请自行鉴别。
3、如文档内容存在违规,或者侵犯商业秘密、侵犯著作权等,请点击“违规举报”。

碎片内容

一体化教学工作页

您可能关注的文档

确认删除?
VIP
微信客服
  • 扫码咨询
会员Q群
  • 会员专属群点击这里加入QQ群
客服邮箱
回到顶部