电脑桌面
添加小米粒文库到电脑桌面
安装后可以在桌面快捷访问

三层电梯模型PLC控制系统设计与调试(带程序注释)

三层电梯模型PLC控制系统设计与调试(带程序注释)_第1页
1/12
三层电梯模型PLC控制系统设计与调试(带程序注释)_第2页
2/12
三层电梯模型PLC控制系统设计与调试(带程序注释)_第3页
3/12
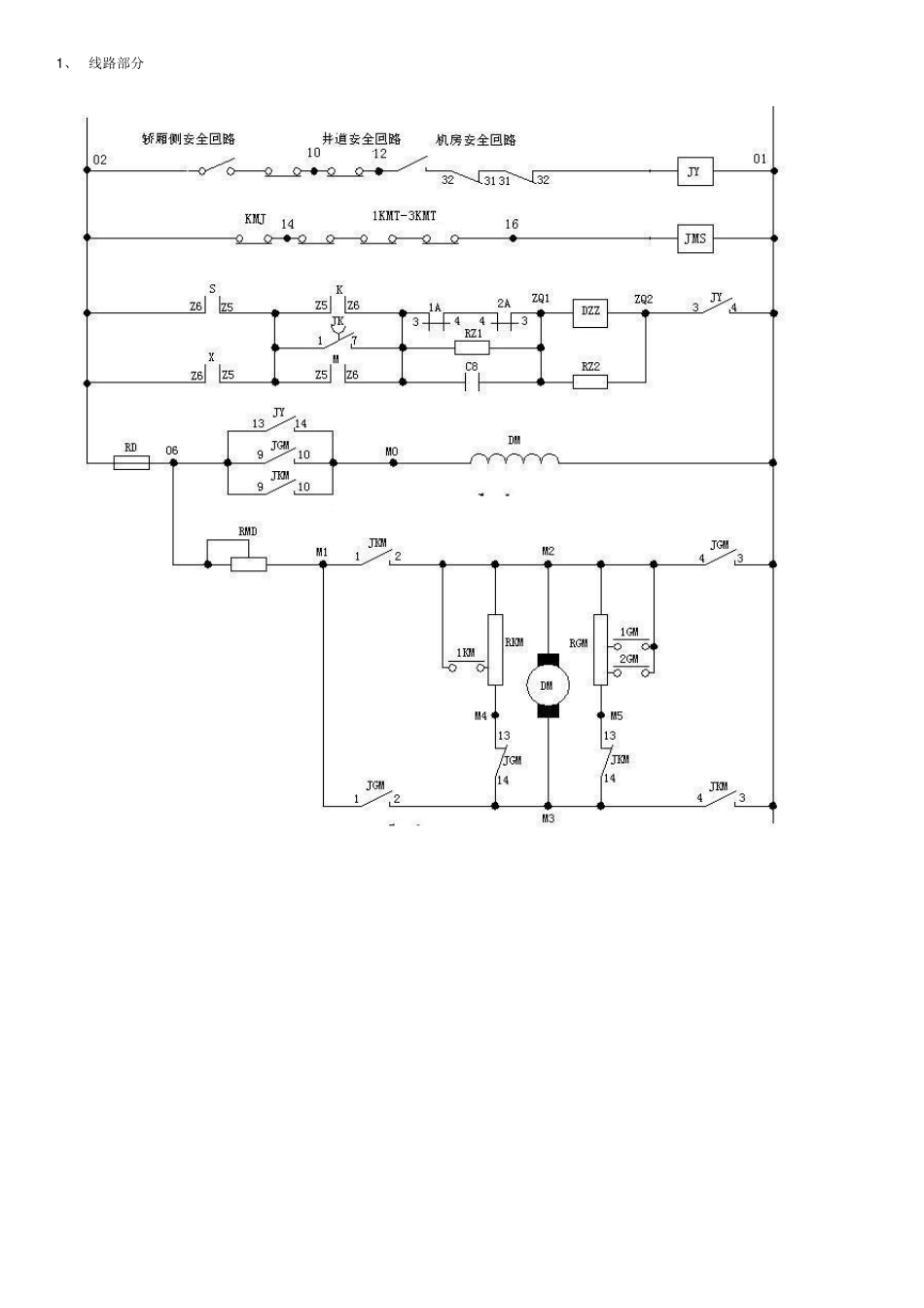
三层电梯模型 PLC 控制系统设计与调试(带程序注释) 一、控制要求: 1.系统应具备:有司机、无司机、消防三种工作模式。 2.系统应具备下列几项控制功能: 1)自动响应层楼召唤信号(含上召唤和下召唤)。 2)自动响应轿厢服务指令信号。 3)自动完成轿厢层楼位置显示(二进制方式)。 4)自动显示电梯运行方向。 5)具有电梯直达功能和反向最远停站功能。 3.系统提供的输入控制信号: AYS 向上行驶按钮 AYX 向下行驶按钮 YSJ 有/无司机选择开关 1YC 一楼行程开关 2YC 二楼行程开关 3YC 三楼行程开关 A1J 一楼指令按钮 A2J 二楼指令按钮 A3J 三楼指令按钮 AJ 指令专用开关(直驶) ZXF 置消防开关 A1S 一楼上召唤按钮 A2S 二楼上召唤按钮 A2X 二楼下召唤按钮 A3S 三楼上召唤按钮 A3X 三楼下召唤按钮 4.系统需要输出的开关控制信号: KM 开门显示 GM 关门显示 MGB 门关闭显示 DCS 上行显示 DCX 下行显示 S 上行继电器(控制电动机正转) X 下行继电器(控制电动机反转) YX 运行显示 A LED 七段显示器 a 段发光二极管 B LED 七段显示器 b 段发光二极管 C LED 七段显示器 c 段发光二极管 D LED 七段显示器 d 段发光二极管 E LED 七段显示器 e 段发光二极管 F LED 七段显示器 f 段发光二极管 G LED 七段显示器 g 段发光二极管 1DJA 一楼指令信号登记显示 2DJA 二楼指令信号登记显示 3DJA 三楼指令信号登记显示 1DAS 一楼上召唤信号登记显示 2DAS 二楼上召唤信号登记显示 2DAX 二楼下召唤信号登记显示 3DAS 三楼上召唤信号登记显示 3DAX 三楼下召唤信号登记显示 二、课题要求: 1.按题意要求,画出 PLC 端子接线图及控制梯形图。 2.完成 PLC 端子接线工作, 并利用编程器输入梯形图控制程序,完成调试。 3. 完成课程设计说明书 三、答辩问题: 1.阐明程序设计思想及工作流程。 2.当层楼数增加,开关量输入和输出的点数将作如何变化 ? 3.若需要电梯只服务于奇数楼层,梯形图将作如何变换 ? 4.若需要电梯只服务于偶数层楼,梯形图将作如何变换 ? 5.若正常运行方式作为方式 A ,上述 3、4 题运行方式作为 方式 B 、方 式 C 、方式 D , 如何采用两个输入开关来任选其中一个作为当前运行方式? 6.电梯控制中清除召唤登记的条件是什么 ? 7.电梯控制中清除指令登记的条件是什么 ? 下面是图纸: 1 、...

1、当您付费下载文档后,您只拥有了使用权限,并不意味着购买了版权,文档只能用于自身使用,不得用于其他商业用途(如 [转卖]进行直接盈利或[编辑后售卖]进行间接盈利)。
2、本站所有内容均由合作方或网友上传,本站不对文档的完整性、权威性及其观点立场正确性做任何保证或承诺!文档内容仅供研究参考,付费前请自行鉴别。
3、如文档内容存在违规,或者侵犯商业秘密、侵犯著作权等,请点击“违规举报”。

碎片内容

三层电梯模型PLC控制系统设计与调试(带程序注释)

您可能关注的文档

小辰9+ 关注
实名认证
内容提供者

出售各种资料和文档

确认删除?
VIP
微信客服
  • 扫码咨询
会员Q群
  • 会员专属群点击这里加入QQ群
客服邮箱
回到顶部