电脑桌面
添加小米粒文库到电脑桌面
安装后可以在桌面快捷访问

不锈钢管产品范围及理论重量表

不锈钢管产品范围及理论重量表_第1页
1/8
不锈钢管产品范围及理论重量表_第2页
2/8
不锈钢管产品范围及理论重量表_第3页
3/8
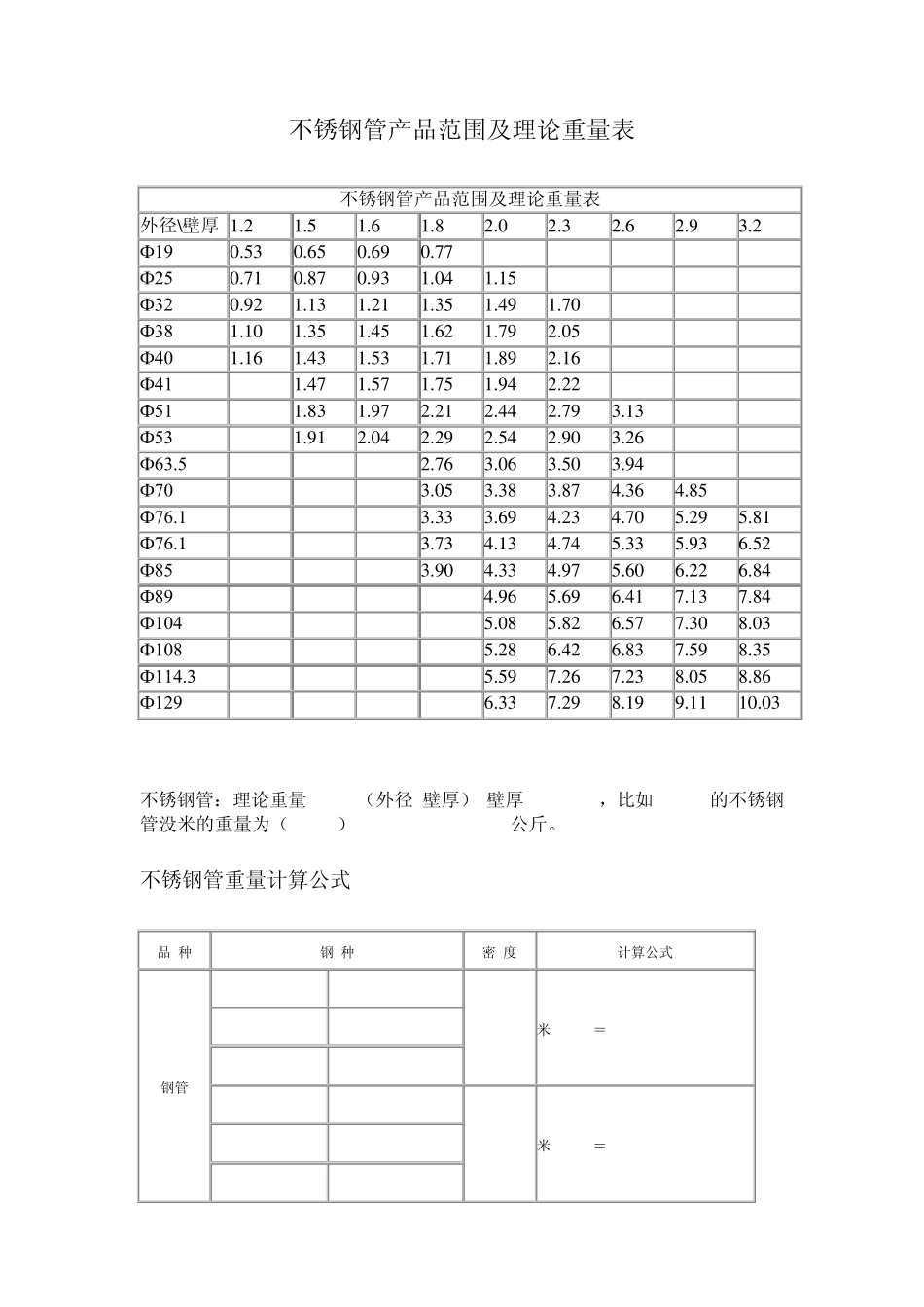
不锈钢管产品范围及理论重量表 不锈钢管产品范围及理论重量表 外径\壁厚 1.2 1.5 1.6 1.8 2.0 2.3 2.6 2.9 3.2 Ф 19 0.53 0.65 0.69 0.77 Ф 25 0.71 0.87 0.93 1.04 1.15 Ф 32 0.92 1.13 1.21 1.35 1.49 1.70 Ф 38 1.10 1.35 1.45 1.62 1.79 2.05 Ф 40 1.16 1.43 1.53 1.71 1.89 2.16 Ф 41 1.47 1.57 1.75 1.94 2.22 Ф 51 1.83 1.97 2.21 2.44 2.79 3.13 Ф 53 1.91 2.04 2.29 2.54 2.90 3.26 Ф 63.5 2.76 3.06 3.50 3.94 Ф 70 3.05 3.38 3.87 4.36 4.85 Ф 76.1 3.33 3.69 4.23 4.70 5.29 5.81 Ф 76.1 3.73 4.13 4.74 5.33 5.93 6.52 Ф 85 3.90 4.33 4.97 5.60 6.22 6.84 Ф 89 4.96 5.69 6.41 7.13 7.84 Ф 104 5.08 5.82 6.57 7.30 8.03 Ф 108 5.28 6.42 6.83 7.59 8.35 Ф 114.3 5.59 7.26 7.23 8.05 8.86 Ф 129 6.33 7.29 8.19 9.11 10.03 不锈钢管:理论重量kg/m=(外径-壁厚)*壁厚*0.02491,比如159*6的不锈钢管没米的重量为(159-6)*6*0.02491=22.87公斤。 不锈钢管重量计算公式 品 种 钢 种 密 度 计算公式 钢管 0Cr18Ni9 00Cr19Ni10 7.93 米 (Kg) = 0.02491t(D-t) SUS304 SUS304L TP304 TP304L 0Cr17Ni2Mo2 00Cr17Ni14Mo2 7.98 米 (Kg) = 0.02507t(D-t) SUS316 SUS316L TP316 TP316L 不锈钢管价格计算公式 (管坯价格/折率+加工费+利润)*税收 (2*宽+2*高)*厚*长*密度/1000000=1支方管的重量 不锈钢焊管价格=材料价*(1+损耗)+加工费+利润 不锈钢管产品范围及重量表 不锈钢管产品范围及重量表 外径\壁厚 1.2 1.5 1.6 1.8 2.0 2.3 2.6 2.9 3.2 Ø19 0.53 0.65 0.69 0.77 Ø25 0.71 0.87 0.93 1.04 1.15 Ø32 0.92 1.13 1.21 1.35 1.49 1.70 Ø38 1.10 1.35 1.45 1.62 1.79 2.05 Ø40 1.16 1.43 1.53 1.71 1.89 2.16 Ø41 1.47 1.57 1.75 1.94 2.22 Ø51 1.83 1.97 2.21 2.44 2.79 3.13 Ø53 1.91 2.04 2.29 2.54 2.90 3.26 Ø63.5 2.76 3.06 3.50 3.94 Ø70 3.05 3.38 3.87 4.36 4.85 Ø76.1 3.33 3.69 4.23 4.70 5.29 5.81 Ø76.1 3.73 4.13 4.74 5.33 5.93 6.52 Ø85 3.90 4.33 4.97 5.60 6.22 6.84 Ø89 4.96 5.69...

1、当您付费下载文档后,您只拥有了使用权限,并不意味着购买了版权,文档只能用于自身使用,不得用于其他商业用途(如 [转卖]进行直接盈利或[编辑后售卖]进行间接盈利)。
2、本站所有内容均由合作方或网友上传,本站不对文档的完整性、权威性及其观点立场正确性做任何保证或承诺!文档内容仅供研究参考,付费前请自行鉴别。
3、如文档内容存在违规,或者侵犯商业秘密、侵犯著作权等,请点击“违规举报”。

碎片内容

不锈钢管产品范围及理论重量表

您可能关注的文档

确认删除?
VIP
微信客服
  • 扫码咨询
会员Q群
  • 会员专属群点击这里加入QQ群
客服邮箱
回到顶部