电脑桌面
添加小米粒文库到电脑桌面
安装后可以在桌面快捷访问

专变采集终端使用说明书VIP专享

专变采集终端使用说明书_第1页
1/16
专变采集终端使用说明书_第2页
2/16
专变采集终端使用说明书_第3页
3/16
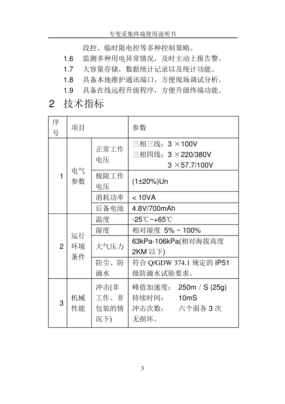
一 概述 ............................................................................. 2 1 主要特点 ..................................................................... 2 2 技术指标 ..................................................................... 3 二 安装与接线 ................................................................. 5 1 安装 ............................................................................. 5 2 端子接线说明 ............................................................. 8 3 本地 RS232 端口 ..................................................... 1 0 4 红外接口 ................................................................... 1 0 三 终端面板说明 ........................................................... 1 1 1 面板说明 ................................................................... 1 1 2 指示灯说明 ............................................................... 1 2 3 液晶显示与键盘操作................................................ 1 3 四 运输和贮存 ............................................................... 1 5 五 售后服务 ................................................................... 1 6 专变采集终端使用说明书 2 一 概述 本终端采用高性能32 位嵌入式RISC CPU 硬件平台、 自 主 开 发 的 嵌入式软 件系 统 、GPRS/GSM/SMS/CDMA 移动通信和高精度电能量等技术研制而成的新一代用电现场服务与管理终端产品。该产品功能强大、操作简单、运行稳定、维护方便、能够满足大用户用电管理、配变监测、远程抄表等多方面的应用需求。它具有采集精度高,可靠性高、存储容量大、开放性好、性能价格比高等特点,是配、用电管理系统的理想配套产品。 产品符合《电力用户用电信息采集系统技术规范》、《电力用户用电信息采集系统型式规范》、《电力用户用电信息采集系统通信协议》等标准对终端的要求。 在安装使用本终端前,请先仔细阅读本手册。 1 主要特点 1.1 高性能32 位CPU,大容量存储,高精度时钟,高点阵大屏幕液晶的硬件平台,满足数据采集、存储,高速运算,通讯,控制等要求。 1.2 远程无线通讯模块采用模块化...

1、当您付费下载文档后,您只拥有了使用权限,并不意味着购买了版权,文档只能用于自身使用,不得用于其他商业用途(如 [转卖]进行直接盈利或[编辑后售卖]进行间接盈利)。
2、本站所有内容均由合作方或网友上传,本站不对文档的完整性、权威性及其观点立场正确性做任何保证或承诺!文档内容仅供研究参考,付费前请自行鉴别。
3、如文档内容存在违规,或者侵犯商业秘密、侵犯著作权等,请点击“违规举报”。

碎片内容

专变采集终端使用说明书

确认删除?
VIP
微信客服
  • 扫码咨询
会员Q群
  • 会员专属群点击这里加入QQ群
客服邮箱
回到顶部