电脑桌面
添加小米粒文库到电脑桌面
安装后可以在桌面快捷访问

专项施工方案(浆砌片石挡土墙)

专项施工方案(浆砌片石挡土墙)_第1页
1/19
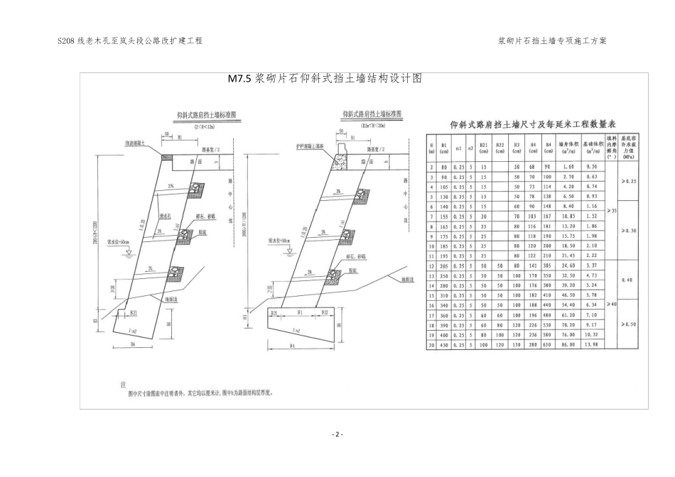
专项施工方案(浆砌片石挡土墙)_第2页
2/19
专项施工方案(浆砌片石挡土墙)_第3页
3/19
S208 线老木孔至岚头段公路改扩建工程 浆砌片石挡土墙专项施工方案 目 录 一、 工程概括 ........................................................................... - 1 - 二、施工进度计划及劳动力安排 .............................................. - 3 - 三、 原材料要求 ........................................................................ - 4 - 四、施工流程 ............................................................................. - 5 - 五、施工方案 ............................................................................. - 5 - 六、 质量检验标准 .................................................................... - 9 - 七、质量保证措施 ...................................................................... - 9 - 八、保证工期及施工安全的主要措施 ..................................... - 10 - 九、雨季施工保证措施 ............................................................ - 15 - 十、环境保护 ........................................................................... - 15 - 十一、其它 ............................................................................... - 17 - S208 线老木孔至岚头段公路改扩建工程 浆砌片石挡土墙专项施工方案 - 1 - 浆砌片石挡土墙专项方案 一、工程概括 S208 线老木孔至岚头段公路改扩建工程位于金沙县东部,系规划省道S208 赤水至开阳中的一段(目前为县道X024)。项目整体呈北南走向,起点K0+000 接木孔乡金沙县华威家机械制造有限责任公司交叉口处(原县道X024 K14+575),路线沿原有X024 县道布线,经木孔乡东南侧、鱼洞、新房子、垭口上、田尾巴、长沟、三桥村、油房、林堡后,终点在岚头镇西侧变电站门口与原有道路相接,路线全长 8.575km,全线采用 8.5m 宽路基宽度,双向两车道。 联络线起点在岚头镇西侧原道路交叉口处,与主线(K8+505.086)平交后,路线沿原老路向东延伸,终点止于岚头镇富康路与柳沙北路交叉口处,与岚头镇富康路相接,联络线路线全长 254.720m。 此次S208 线道路改建,主要以两侧设置挡墙工程为主,设置了大量的高挡土墙及护肩墙,除局部改建高填方区域采用 C20 片石砼挡土墙(K6+520~K6+720 段及K8+...

1、当您付费下载文档后,您只拥有了使用权限,并不意味着购买了版权,文档只能用于自身使用,不得用于其他商业用途(如 [转卖]进行直接盈利或[编辑后售卖]进行间接盈利)。
2、本站所有内容均由合作方或网友上传,本站不对文档的完整性、权威性及其观点立场正确性做任何保证或承诺!文档内容仅供研究参考,付费前请自行鉴别。
3、如文档内容存在违规,或者侵犯商业秘密、侵犯著作权等,请点击“违规举报”。

碎片内容

专项施工方案(浆砌片石挡土墙)

确认删除?
VIP
微信客服
  • 扫码咨询
会员Q群
  • 会员专属群点击这里加入QQ群
客服邮箱
回到顶部