电脑桌面
添加小米粒文库到电脑桌面
安装后可以在桌面快捷访问

中国化石燃料大气污染物和二氧化碳排放系数

中国化石燃料大气污染物和二氧化碳排放系数_第1页
1/76
中国化石燃料大气污染物和二氧化碳排放系数_第2页
2/76
中国化石燃料大气污染物和二氧化碳排放系数_第3页
3/76
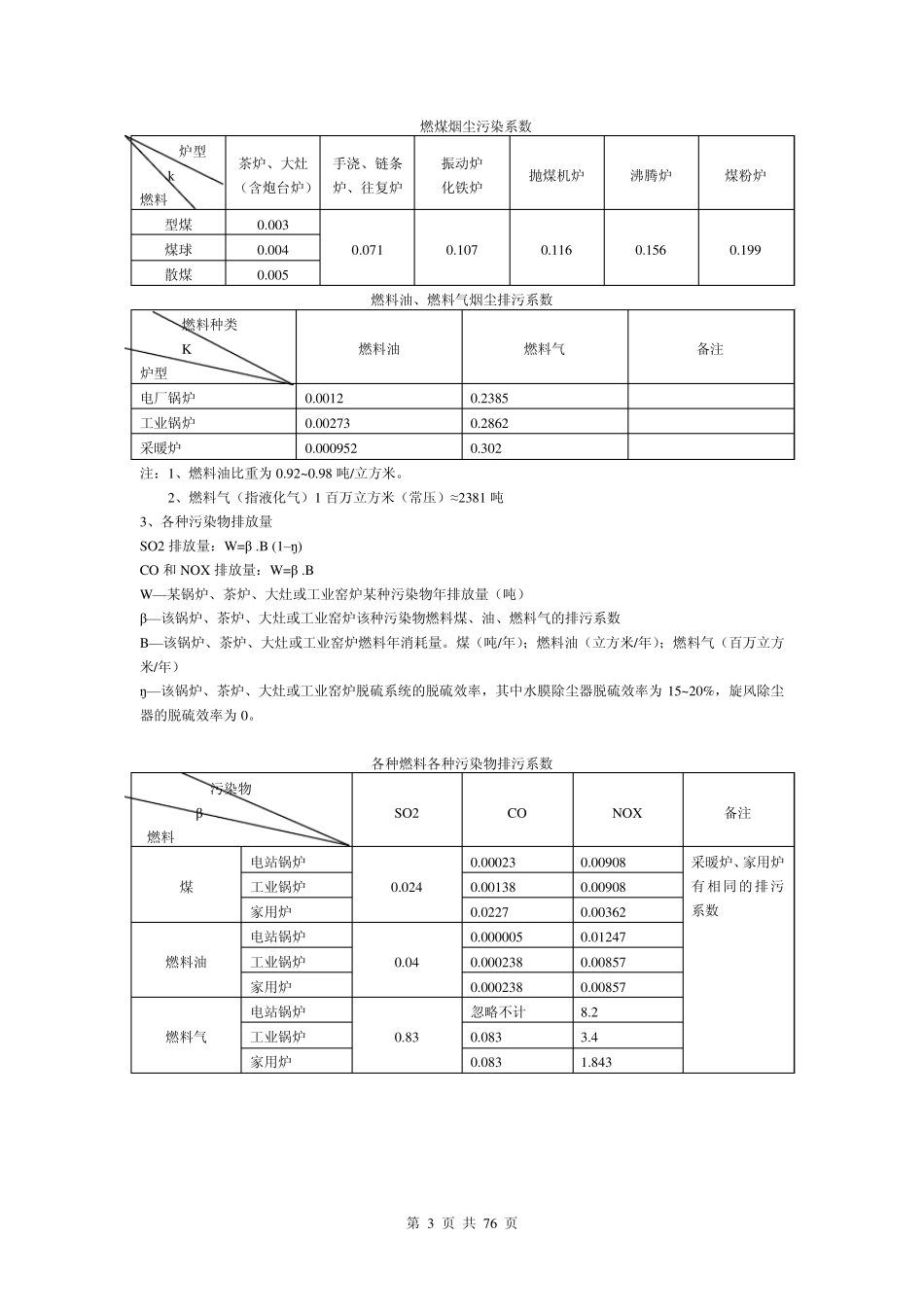
第 1 页 共 76 页 中国化石燃料大气污染物和CO2 排放系数 1、大气污染物排放系数(t/tce)(吨/吨标煤) SO2(二氧化硫) 0.0165 NOX(氮氧化合物)0.0156 烟尘 0.0096 2、CO2(二氧化碳)排放系数(t/tce)(吨/吨标煤) 推荐值:0.67(国家发改委能源研究所) 参考值:0.68(日本能源经济研究所) 0.69(美国能源部能源信息署) 3、火力发电大气污染物排放系数(g/kWh)(克/度) SO2(二氧化硫) 8.03 NOX(氮氧化合物)6.90 烟尘 3.35 来源:《节能手册 2006》 第 2 页 共 76 页 污染物排放系数及污染物排放量计算方法 一、废水部分 Wi=Ci×Qi×10 W——某一排放口i 种污染物年排放量(公斤/年) Q——该排放口年废水排放量(万吨/年) C——该排放口i 种污染物平均浓度(毫克/升) 序 号 项 目 平均浓度(毫克/升) 备 注 CODcr 油 类 1 宾馆及带客房的饭店 600 150 2 不带客房的饭店 1000 200 3 小面饭店 8000 250 4 美容、理发店 800 5 浴 室 200 6 商 场 240 不包含餐饮 餐饮业及商场年废水排放量可按年用新鲜水量的80%计;美容、理发店和浴室等行业年废水排放量可按年用新鲜水量的85%计。 二、废气部分 1、年废气排放量 Q=P•B Q—某一锅 炉 、茶 炉 、大 灶 或 工 业窑 炉 年废气排放量(万标 立 方米 /年) B——该锅 炉 、茶 炉 、大 灶 或 工 业窑 炉 年燃 料 消 耗 量(吨/年) P——该锅 炉 、茶 炉 、大 灶 或 工 业窑 炉 废气排放量的排放系数。 各 种燃 料 废气排污系数 炉 型 P 燃 料 茶 炉 、大 灶(含炮 台 炉 ) 小 于 4 吨 锅 炉 备 注 手 烧 型 链 条 等 煤 粉 炉 沸 腾 炉 无 烟 煤 1.073 0.840 0.781 0.737 0.650 链 条 、振 动 、往 复 炉排具 有 相 同 的排污系数 烟 煤 1.096 0.803 0.805 0.761 0.673 褐 煤 1.205 0.959 0.898 0.851 0.750 燃 料 油 1.028 燃 料 气 1.393 指 液 化气 2、年烟 尘排放量 G=B·K·(1-η ) G——某一锅 炉 、茶 炉 、大 灶 或 工 业窑 炉 年烟 尘排放量(吨年)。 B——该锅 炉 、茶 炉 、大 灶 或 工 业窑 炉 年燃 料 消 耗 量。煤 (吨/年);燃 料 油(立 方米 /年);燃 料 气(百万立 方米 /年)。 K——该锅 炉 、茶 炉...

1、当您付费下载文档后,您只拥有了使用权限,并不意味着购买了版权,文档只能用于自身使用,不得用于其他商业用途(如 [转卖]进行直接盈利或[编辑后售卖]进行间接盈利)。
2、本站所有内容均由合作方或网友上传,本站不对文档的完整性、权威性及其观点立场正确性做任何保证或承诺!文档内容仅供研究参考,付费前请自行鉴别。
3、如文档内容存在违规,或者侵犯商业秘密、侵犯著作权等,请点击“违规举报”。

碎片内容

中国化石燃料大气污染物和二氧化碳排放系数

确认删除?
VIP
微信客服
  • 扫码咨询
会员Q群
  • 会员专属群点击这里加入QQ群
客服邮箱
回到顶部