电脑桌面
添加小米粒文库到电脑桌面
安装后可以在桌面快捷访问

传热综合实验——竖管对流传热系数的测定

传热综合实验——竖管对流传热系数的测定_第1页
1/9
传热综合实验——竖管对流传热系数的测定_第2页
2/9
传热综合实验——竖管对流传热系数的测定_第3页
3/9
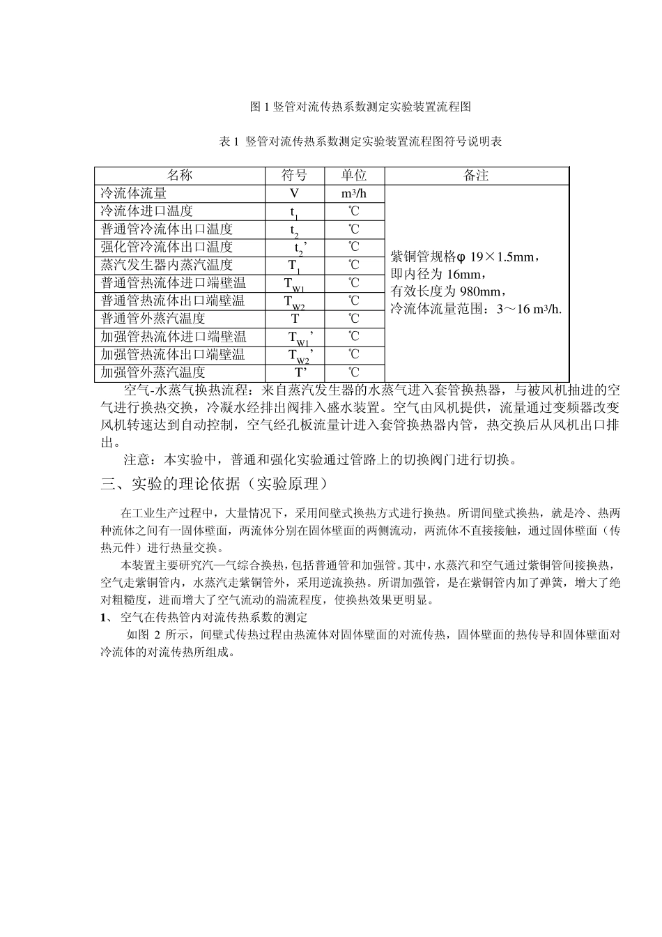
实验报告 课程名称: 过程工程原理实验(甲) 指导老师: 成绩:__________________ 实验名称: 传热综合实验——竖管对流传热系数的测定 同组学生姓名: 一、实验目的和内容 二、实验装置与流程示意图 三、实验的理论依据(实验原理) 四、注意事项 五、原始记录数据表 六、整理计算数据表 七、数据整理计算过程举例 八、实验结论 九、实验结果的分析和讨论 一、实验目的和内容 1、掌握空气在普通和强化传热管内的对流传热系数的测定方法,了解影响传热系数的因素和强化传热的途径。 2、把测得的数据整理成nBRe=Nu形势的准数方程,并与教材中相应公式进行比较。 3、了解温度、加热功率、空气流量的自动控制原理和使用方法。 二、实验装置与流程示意图 本实验装置流程如图 1 由蒸汽发生器、孔板流量变送器、变频器、套管换热器及温度传感器、智能显示仪表等构成。  装 订 线 图1 竖管对流传热系数测定实验装置流程图 表1 竖管对流传热系数测定实验装置流程图符号说明表 名称 符号 单位 备注 冷流体流量 V m3/h 紫铜管规格φ 19×1.5mm, 即内径为 16mm, 有效长度为 980mm, 冷流体流量范围:3~16 m3/h. 冷流体进口温度 t1 ℃ 普通管冷流体出口温度 t2 ℃ 强化管冷流体出口温度 t2’ ℃ 蒸汽发生器内蒸汽温度 T1 ℃ 普通管热流体进口端壁温 TW1 ℃ 普通管热流体出口端壁温 TW2 ℃ 普通管外蒸汽温度 T ℃ 加强管热流体进口端壁温 TW1’ ℃ 加强管热流体出口端壁温 TW2’ ℃ 加强管外蒸汽温度 T’ ℃ 空气-水蒸气换热流程:来自蒸汽发生器的水蒸气进入套管换热器,与被风机抽进的空气进行换热交换,冷凝水经排出阀排入盛水装置。空气由风机提供,流量通过变频器改变风机转速达到自动控制,空气经孔板流量计进入套管换热器内管,热交换后从风机出口排出。 注意:本实验中,普通和强化实验通过管路上的切换阀门进行切换。 三、实验的理论依据(实验原理) 在工业生产过程中,大量情况下,采用间壁式换热方式进行换热。所谓间壁式换热,就是冷、热两种流体之间有一固体壁面,两流体分别在固体壁面的两侧流动,两流体不直接接触,通过固体壁面(传热元件)进行热量交换。 本装置主要研究汽—气综合换热,包括普通管和加强管。其中,水蒸汽和空气通过紫铜管间接换热,空气走紫铜管内,水蒸汽走紫铜管外,采用逆流换热。所谓加强管,是在紫铜管内加了弹簧,增大了绝...

1、当您付费下载文档后,您只拥有了使用权限,并不意味着购买了版权,文档只能用于自身使用,不得用于其他商业用途(如 [转卖]进行直接盈利或[编辑后售卖]进行间接盈利)。
2、本站所有内容均由合作方或网友上传,本站不对文档的完整性、权威性及其观点立场正确性做任何保证或承诺!文档内容仅供研究参考,付费前请自行鉴别。
3、如文档内容存在违规,或者侵犯商业秘密、侵犯著作权等,请点击“违规举报”。

碎片内容

传热综合实验——竖管对流传热系数的测定

确认删除?
VIP
微信客服
  • 扫码咨询
会员Q群
  • 会员专属群点击这里加入QQ群
客服邮箱
回到顶部