电脑桌面
添加小米粒文库到电脑桌面
安装后可以在桌面快捷访问

元器件的缩写

元器件的缩写_第1页
1/14
元器件的缩写_第2页
2/14
元器件的缩写_第3页
3/14
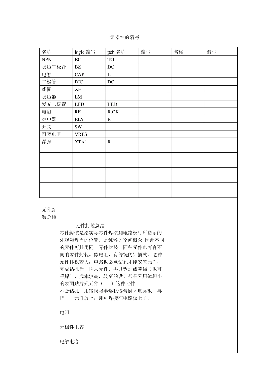
元器件的缩写 名称 lo gic 缩写 p cb 名称 缩写 名称 缩写 NPN BC TO 稳压二极管 BZ DO 电容 CAP E 二极管 DIO DO 线圈 XF 稳压器 LM 发光二极管 LED LED 电阻 RE R,CK 继电器 RLY R 开关 SW 可变电阻 VRES 晶振 XTAL R protel元件封装总结 protel元件封装总结 零件封装是指实际零件焊接到电路板时所指示的外观和焊点的位置。是纯粹的空间概念.因此不同的元件可共用同一零件封装,同种元件也可有不同的零件封装。像电阻,有传统的针插式,这种元件体积较大,电路板必须钻孔才能安置元件,完成钻孔后,插入元件,再过锡炉或喷锡(也可手焊),成本较高,较新的设计都是采用体积小的表面贴片式元件(SMD)这种元件 不必钻孔,用钢膜将半熔状锡膏倒入电路板,再把 SMD元件放上,即可焊接在电路板上了。 电阻 AXIAL 无极性电容 RAD 电解电容 RB- 电位器 VR 二极管 DIODE 三极管 TO 电源稳压块78和79系列 TO-126H和TO-126V 场效应管 和三极管一样 整流桥 D-44 D-37 D-46 单排多针插座 CON SIP 双列直插元件 DIP 晶振 XTAL1 电阻:RES1,RES2,RES3,RES4;封装属性为 axial系列 无极性电容:cap;封装属性为 RAD-0.1到rad-0.4 电解电容:electroi;封装属性为 rb.2/.4到rb.5/1.0 电位器:pot1,pot2;封装属性为 vr-1到 vr-5 二极管:封装属性为 diode-0.4(小功率)diode-0.7(大功率) 三极管:常见的封装属性为 to-18(普通三极管)to-22(大功率三极管)to-3(大功率达林 顿管) 电源稳压块有 78和79系列;78系列如 7805,7812,7820等 79系列有 7905,7912,7920等 常见的封装属性有 to126h和to126v 整流桥:BRIDGE1,BRIDGE2: 封装属性为D系列(D-44,D-37,D-46) 电阻: AXIAL0.3-AXIAL0.7 其中0.4-0.7指电阻的长度,一般用AXIAL0.4 瓷片电容:RAD0.1-RAD0.3。 其中0.1-0.3指电容大小,一般用RAD0.1 电解电容:RB.1/.2-RB.4/.8 其中.1/.2-.4/.8指电容大小。一般<100uF用 RB.1/.2,100uF-470uF用RB.2/.4,>470uF用RB.3/.6 二极管: DIODE0.4-DIODE0.7 其中0.4-0.7指二极管长短,一般用DIODE0.4 发光二极管:RB.1/.2 集成块: DIP8-DIP40, 其中8-40指有多少脚,8脚的就是 DIP8 贴片电阻 0603表示的是封装尺寸 与具体阻值没有关系 但封装尺寸与功率有关 通常来说 0201 1/20W 0402 1/16W 0603 1/10W 0805 1/8W 120...

1、当您付费下载文档后,您只拥有了使用权限,并不意味着购买了版权,文档只能用于自身使用,不得用于其他商业用途(如 [转卖]进行直接盈利或[编辑后售卖]进行间接盈利)。
2、本站所有内容均由合作方或网友上传,本站不对文档的完整性、权威性及其观点立场正确性做任何保证或承诺!文档内容仅供研究参考,付费前请自行鉴别。
3、如文档内容存在违规,或者侵犯商业秘密、侵犯著作权等,请点击“违规举报”。

碎片内容

元器件的缩写

您可能关注的文档

确认删除?
VIP
微信客服
  • 扫码咨询
会员Q群
  • 会员专属群点击这里加入QQ群
客服邮箱
回到顶部