电脑桌面
添加小米粒文库到电脑桌面
安装后可以在桌面快捷访问

六角螺栓及螺母尺寸表

六角螺栓及螺母尺寸表_第1页
1/7
六角螺栓及螺母尺寸表_第2页
2/7
六角螺栓及螺母尺寸表_第3页
3/7
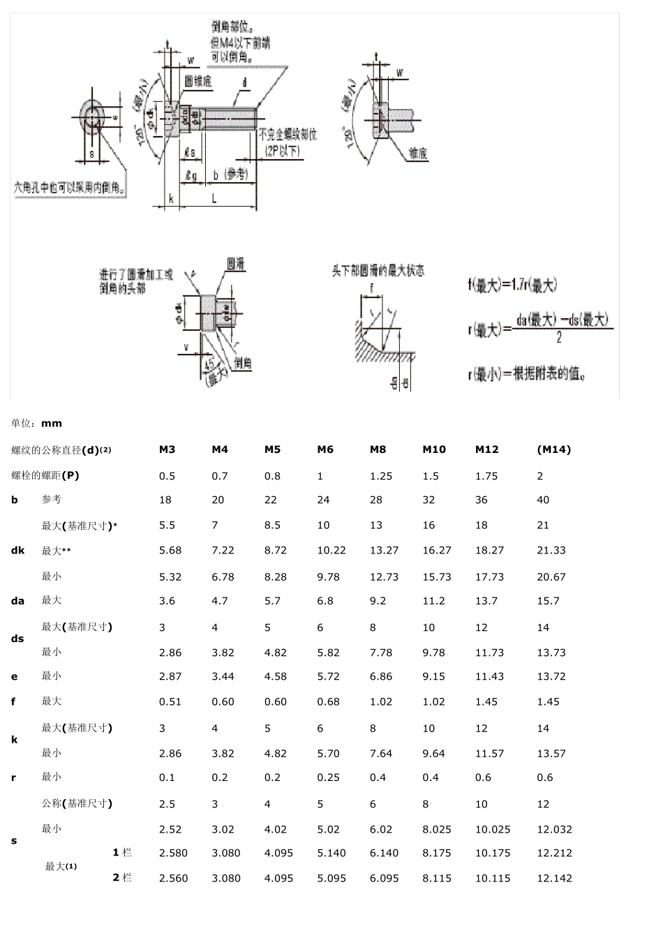
六 角 螺 母 六角螺母—C 级 I 型六角螺母—A 和B 级 六角薄螺母 (GB/T41-2000) (GB/T6170-2000) (GB/T6172.1-2000) 标记示例 螺纹规格 D=M12、性能级别为5 级、不经表面处理、C 级的六角螺母: 螺母 GB/T41-2000 M12 螺纹规格 D=M12、性能级别为8 级、不经表面处理、A 级的I 型六角螺母: 螺母 GB/T6170-2000 M12mm 注:A 级用于D≤16,B 级用于D>16 1 .各部位的尺寸 螺纹规格D M3 M4 M5 M6 M8 M10 M12 M16 M20 M24 M30 M36 M42 e GB/T41 8.63 10.89 14.20 17.59 19.85 26.17 32.95 39.55 50.85 60.79 72.07 GB/T6170 6.01 7.66 8.79 11.05 14.38 17.77 20.03 26.75 32.95 39.55 50.85 60.79 72.02 GB/T6172.1 6.01 7.66 8.79 11.05 14.38 17.77 20.03 26.75 32.95 39.55 50.85 60.79 72.02 s GB/T41 8 10 13 16 18 24 30 36 46 55 65 GB/T6170 5.5 7 8 10 13 16 18 24 30 36 46 55 65 GB/T6172.1 5.5 7 8 10 13 16 18 24 30 36 46 55 65 m GB/T41 5.6 6.1 7.9 9.5 12.2 15.9 18.7 22.3 25.4 31.5 34.9 GB/T6170 2.4 3.2 4.7 5.2 6.8 8.4 10.8 14.8 18 21.5 25.6 31 34 GB/T6172.1 1.8 2.2 2.7 3.2 4 5 6 8 10 12 15 18 21 单位:mm 螺纹的公称直径(d)(2) M3 M4 M5 M6 M8 M10 M12 (M14) 螺栓的螺距(P) 0.5 0.7 0.8 1 1.25 1.5 1.75 2 b 参考 18 20 22 24 28 32 36 40 dk 最大(基准尺寸)* 5.5 7 8.5 10 13 16 18 21 最大** 5.68 7.22 8.72 10.22 13.27 16.27 18.27 21.33 最小 5.32 6.78 8.28 9.78 12.73 15.73 17.73 20.67 da 最大 3.6 4.7 5.7 6.8 9.2 11.2 13.7 15.7 ds 最大(基准尺寸) 3 4 5 6 8 10 12 14 最小 2.86 3.82 4.82 5.82 7.78 9.78 11.73 13.73 e 最小 2.87 3.44 4.58 5.72 6.86 9.15 11.43 13.72 f 最大 0.51 0.60 0.60 0.68 1.02 1.02 1.45 1.45 k 最大(基准尺寸) 3 4 5 6 8 10 12 14 最小 2.86 3.82 4.82 5.70 7.64 9.64 11.57 13.57 r 最小 0.1 0.2 0.2 0.25 0.4 0.4 0.6 0.6 s 公称(基准尺寸) 2.5 3 4 5 6 8 10 12 最小 2.52 3.02 4.02 5.02 6.02 8.025 10.025 12.032 最大...

1、当您付费下载文档后,您只拥有了使用权限,并不意味着购买了版权,文档只能用于自身使用,不得用于其他商业用途(如 [转卖]进行直接盈利或[编辑后售卖]进行间接盈利)。
2、本站所有内容均由合作方或网友上传,本站不对文档的完整性、权威性及其观点立场正确性做任何保证或承诺!文档内容仅供研究参考,付费前请自行鉴别。
3、如文档内容存在违规,或者侵犯商业秘密、侵犯著作权等,请点击“违规举报”。

碎片内容

六角螺栓及螺母尺寸表

您可能关注的文档

确认删除?
VIP
微信客服
  • 扫码咨询
会员Q群
  • 会员专属群点击这里加入QQ群
客服邮箱
回到顶部