电脑桌面
添加小米粒文库到电脑桌面
安装后可以在桌面快捷访问

十位数字温度传感器(AD7416

十位数字温度传感器(AD7416_第1页
1/10
十位数字温度传感器(AD7416_第2页
2/10
十位数字温度传感器(AD7416_第3页
3/10
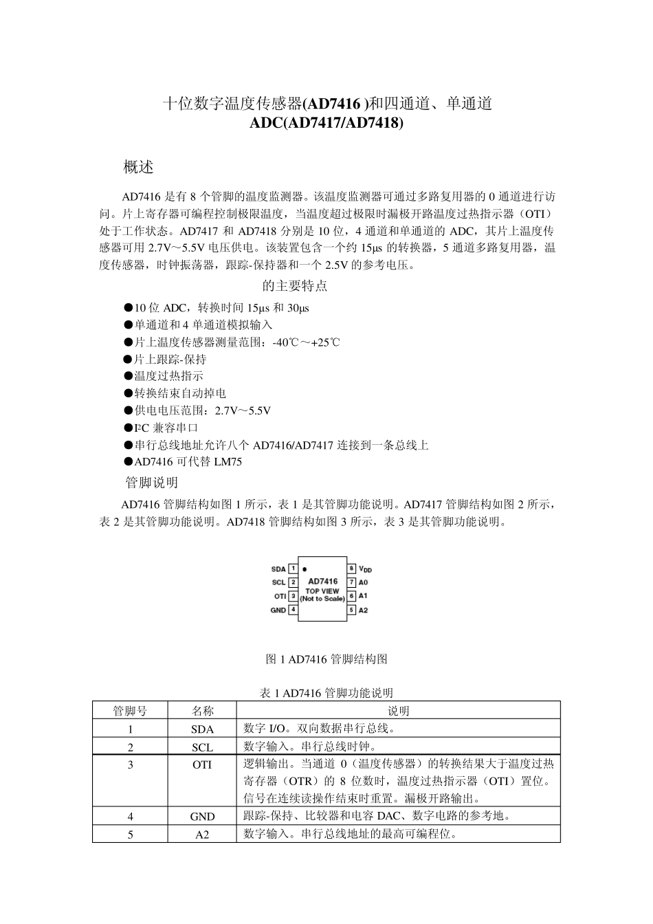
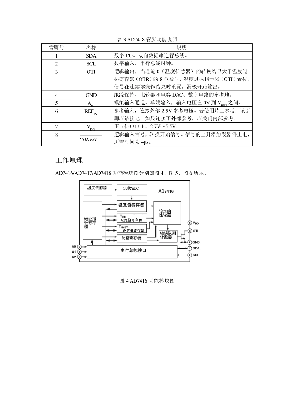
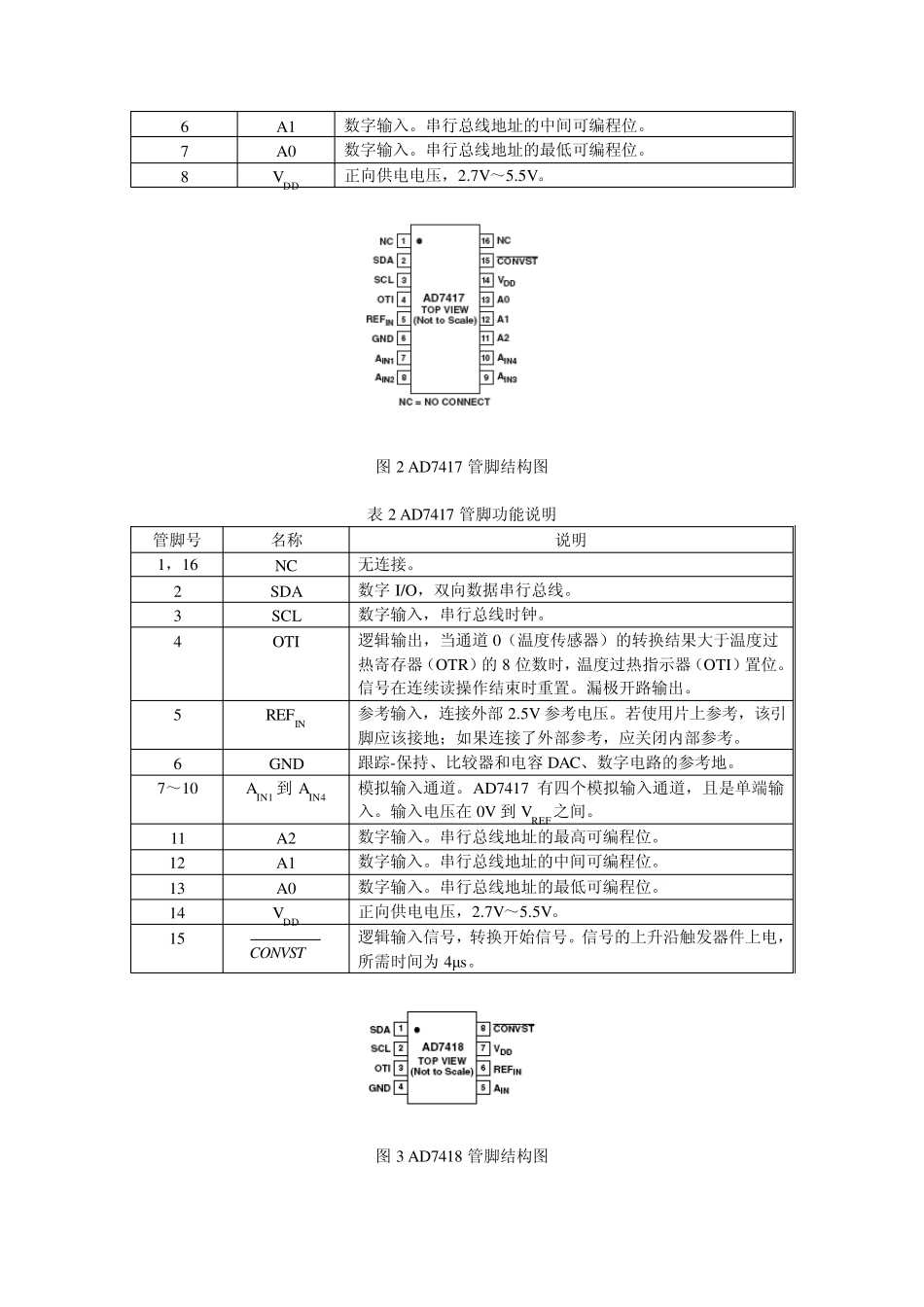
十位数字温度传感器(A D 7416 )和四通道、单通道A D C (A D 7417/A D 7418) 1. 概述 AD7416 是有8 个管脚的温度监测器。该温度监测器可通过多路复用器的0 通道进行访问。片上寄存器可编程控制极限温度,当温度超过极限时漏极开路温度过热指示器(OTI)处于工作状态。AD7417 和AD7418 分别是10 位,4 通道和单通道的ADC,其片上温度传感器可用2.7V~5.5V 电压供电。该装置包含一个约15μs的转换器,5 通道多路复用器,温度传感器,时钟振荡器,跟踪-保持器和一个2.5V 的参考电压。 1.1 AD7416/AD7417/AD7418的主要特点 ●10 位ADC,转换时间15μs和30μs ●单通道和4 单通道模拟输入 ●片上温度传感器测量范围:-40℃~+25℃ ●片上跟踪-保持 ●温度过热指示 ●转换结束自动掉电 ●供电电压范围:2.7V~5.5V ●I2C 兼容串口 ●串行总线地址允许八个AD7416/AD7417 连接到一条总线上 ●AD7416 可代替 LM75 1.2 管脚说明 AD7416 管脚结构如图 1 所示,表 1 是其管脚功能说明。AD7417 管脚结构如图 2 所示,表 2 是其管脚功能说明。AD7418 管脚结构如图 3 所示,表 3 是其管脚功能说明。 图 1 AD7416 管脚结构图 表 1 AD7416 管脚功能说明 管脚号 名称 说明 1 SDA 数字I/O。双向数据串行总线。 2 SCL 数字输入。串行总线时钟。 3 OTI 逻辑输出。当通道0(温度传感器)的转换结果大于温度过热寄存器(OTR)的8 位数时,温度过热指示器(OTI)置位。信号在连续读操作结束时重置。漏极开路输出。 4 GND 跟踪-保持、比较器和电容 DAC、数字电路的参考地。 5 A2 数字输入。串行总线地址的最高可编程位。 6 A1 数字输入。串行总线地址的中间可编程位。 7 A0 数字输入。串行总线地址的最低可编程位。 8 VDD 正向供电电压,2.7V~5.5V。 图2 AD7417 管脚结构图 表2 AD7417 管脚功能说明 管脚号 名称 说明 1,16 NC 无连接。 2 SDA 数字I/O,双向数据串行总线。 3 SCL 数字输入,串行总线时钟。 4 OTI 逻辑输出,当通道0(温度传感器)的转换结果大于温度过热寄存器(OTR)的8 位数时,温度过热指示器(OTI)置位。信号在连续读操作结束时重置。漏极开路输出。 5 REFIN 参考输入,连接外部2.5V 参考电压。若使用片上参考,该引脚应该接地;如果连接了外部参考,应关闭内部参考。 6 GND 跟踪-保持、比较器和电容 DAC、数字电路的...

1、当您付费下载文档后,您只拥有了使用权限,并不意味着购买了版权,文档只能用于自身使用,不得用于其他商业用途(如 [转卖]进行直接盈利或[编辑后售卖]进行间接盈利)。
2、本站所有内容均由合作方或网友上传,本站不对文档的完整性、权威性及其观点立场正确性做任何保证或承诺!文档内容仅供研究参考,付费前请自行鉴别。
3、如文档内容存在违规,或者侵犯商业秘密、侵犯著作权等,请点击“违规举报”。

碎片内容

十位数字温度传感器(AD7416

您可能关注的文档

小辰2+ 关注
实名认证
内容提供者

出售各种资料和文档

确认删除?
VIP
微信客服
  • 扫码咨询
会员Q群
  • 会员专属群点击这里加入QQ群
客服邮箱
回到顶部