电脑桌面
添加小米粒文库到电脑桌面
安装后可以在桌面快捷访问

十字轴式万向节传动轴总成设计规范

十字轴式万向节传动轴总成设计规范_第1页
1/6
十字轴式万向节传动轴总成设计规范_第2页
2/6
十字轴式万向节传动轴总成设计规范_第3页
3/6
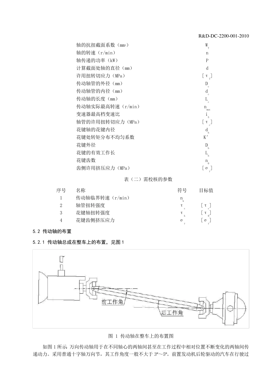
十字轴式万向节传动轴总成设计规范 R&D-DC-2200-001-2010 十字轴式万向节传动轴总成设计规范 1 范围 本 标 准 规 定 了 十 字 轴 式 万 向 节 传 动 轴 总 成 技 术 规 范 。 本 标 准 适 用 于 发 动 机 、 变 速 器 纵 置 后 轮 及 四 轮 驱 动 传 动 轴 的 设 计 。 2 规范性引用文件 下 列 文 件 对 于 本 文 件 的 应 用 是 必 不 可 少 的 .凡 是 注 日 期 的 引 用 文 件 ,仅 注 日 期 的 版 本 适 用 于 本 文 件 。凡 是 不 注 日 期 的 引 用 文 件 ,其 最 新 版 本 (包 括 所 有 的 修 改 单 )适 用 于 本 文 件 。 QC/T 523 《 汽 车 传 动 轴 总 成 台 架 试 验 方 法 》 QC/T 29082《 汽 车 传 动 轴 总 成 技 术 条 件 》 3 术语和定义 3.1 传 动 轴 : 由 一 根 或 多 根 实 心 轴 或 空 心 轴 管 将 二 个 或 多 个 十 字 轴 式 万 向 节 连 接 起 来 , 用 来 将 变 速 器 的输 出 扭 矩 和 旋 转 运 动 传 递 给 驱 动 桥 的 装 置 。 3.2 传 动 轴 临 界 转 速 : 传 动 轴 失 去 稳 定 性 的 最 低 转 速 。 传 动 轴 在 该 转 速 下 工 作 易 发 生 共 振 , 造 成 轴 的 严重 弯 曲变 形, 甚至折断。 3.3 当量夹角: 多 万 向 节 传 动 轴 的 各个 万 向 节 输 入、 输 出 轴 夹角等效转 换成 单 万 向 节 的 夹角。 4 目标性能 4.2 传 动 轴 带万 向 节 总 成 所 连 接 的 两轴 相对 位置 在 设 计 范 围内变 动 时, 能可 靠地传 递 动 力; 4.2 所 连 接 两轴 接 近等速 运 转 , 由 万 向 节 夹角产生 的 附加载荷、 振 动 和 噪声应 在 允许范 围内; 4.3 传 动 效率高, 使用 寿命长, 结构简单 , 制造 方 便, 维修 容易 等。 5 设计方法 5.1 设计计算涉及的参数 具体参数见表(一 )、 表(二 ) 表(一 )计 算参数 整车 参数 发 动 机 最 大转 矩 (N﹒mm) Te max 发 动 机 最 大输 出 转 速 (r/min) nm 变 速 器 一 档传 动 比 i1 变 速 器 最 高档传 动 比 i...

1、当您付费下载文档后,您只拥有了使用权限,并不意味着购买了版权,文档只能用于自身使用,不得用于其他商业用途(如 [转卖]进行直接盈利或[编辑后售卖]进行间接盈利)。
2、本站所有内容均由合作方或网友上传,本站不对文档的完整性、权威性及其观点立场正确性做任何保证或承诺!文档内容仅供研究参考,付费前请自行鉴别。
3、如文档内容存在违规,或者侵犯商业秘密、侵犯著作权等,请点击“违规举报”。

碎片内容

十字轴式万向节传动轴总成设计规范

您可能关注的文档

确认删除?
VIP
微信客服
  • 扫码咨询
会员Q群
  • 会员专属群点击这里加入QQ群
客服邮箱
回到顶部