电脑桌面
添加小米粒文库到电脑桌面
安装后可以在桌面快捷访问

BHCM三相通用型可控硅调压器

BHCM三相通用型可控硅调压器_第1页
1/3
BHCM三相通用型可控硅调压器_第2页
2/3
BHCM三相通用型可控硅调压器_第3页
3/3
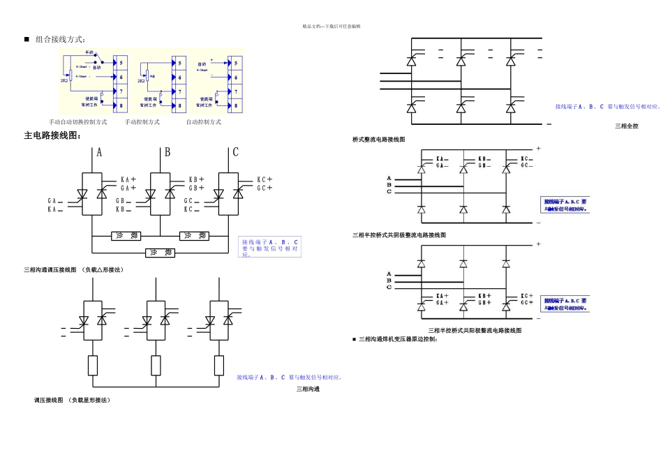
使用说明书BHC6M-1 型三相通用可控硅全(半)控沟通调压/全控整流调压器■概述:BHC6M-1 三相通用型可控硅调压器是移相型的电力控制器,其核心部件采纳国外生产的高性能、高可靠性的军品级可控硅触发专用集成电路。输出触发脉冲具有极高的对称性及稳定性,且不随环境温度变化,使用中不需要对脉冲对称度及限位进行调整。现场调试一般不需要示波器即可完成。它可广泛的应用于工业各领域的电压电流调节,适用于电阻性负载、电感性负载、变压器一次侧及各种整流装置等。*以镍铬、铁铬铝、远红外发热元件及硅钼棒、硅碳棒等为加热元件的温度控制。*盐浴炉、工频感应炉、淬火炉、熔融玻璃的温度加热控制。*整流变压器、调功机(纯电感线圈)、电炉变压器一次侧、升磁/退磁调节、直流电机控制。*电压、电流、功率、灯光(高压钠灯控制必须用稳压功能配套 PID 控制板)等无级平滑调节。*单相、三相电焊机控制、电解电镀控制等*同步机励磁控制、汽轮发电机机励磁控制等*水泵、风机等软启动控制,调速节能控制等*铜线退火设备等*本控制板已经成功用于带平衡电抗器的双反星型主电路的控制, 并获得极佳的控制效果主要应用领域:盐浴炉、工频感应炉、淬火炉温控;热处理炉温控;玻璃生产过程温控;金刚石压机加热;大功率充磁/退磁设备;半导体工业舟蒸发源;航空电源调压;真空磁控溅射电源;纺织机械;水晶石生产;粉末冶金机械;隧道电窑集散温控系统;彩色显像管生产设备;冶金机械设备;交直流电机拖动;石油化工机械;电压、电流、功率、灯光等无级平滑调节,恒压恒流恒功率控制等领域。为了进一步提高产品质量,我们有严格的质量保证体系:严格把握元器件的进货渠道;焊接前对元器件进行测试筛选;产品全部采纳波峰焊(非人工焊接);控制板焊接完成后进行初调;初调合格后进行为期一周的通电升温动态老化试验;出厂前再进行全面检测。确保给您提供的每一块触发板都是合格产品。为了满足不同层次的需求,我们正在加强新产品的开发,并不断推陈出新。为了满足您的特别要求,我们愿为您单台定制。您在使用我们产品时,可能还会发现一些不尽人意的地方,请您提出宝贵意见,我们在此表示衷心感谢。选型指南型号应用场合BHC6M-1TY用于普通三相沟通调压与全控整流场合BHC6M-1D用于沟通点焊机控制场合BHC6M-1T用于各类沟通电焊机、电阻焊机、滚焊机控制场合BHC6M-1Z用于直流电焊机或点焊机控制场合BHC6M-1-K-TS用于大中型直流电动机调速场合BHC6M-1-F用于三...

1、当您付费下载文档后,您只拥有了使用权限,并不意味着购买了版权,文档只能用于自身使用,不得用于其他商业用途(如 [转卖]进行直接盈利或[编辑后售卖]进行间接盈利)。
2、本站所有内容均由合作方或网友上传,本站不对文档的完整性、权威性及其观点立场正确性做任何保证或承诺!文档内容仅供研究参考,付费前请自行鉴别。
3、如文档内容存在违规,或者侵犯商业秘密、侵犯著作权等,请点击“违规举报”。

碎片内容

BHCM三相通用型可控硅调压器

您可能关注的文档

确认删除?
VIP
微信客服
  • 扫码咨询
会员Q群
  • 会员专属群点击这里加入QQ群
客服邮箱
回到顶部