电脑桌面
添加小米粒文库到电脑桌面
安装后可以在桌面快捷访问

单模和多模光纤的特点和应用

单模和多模光纤的特点和应用_第1页
1/7
单模和多模光纤的特点和应用_第2页
2/7
单模和多模光纤的特点和应用_第3页
3/7
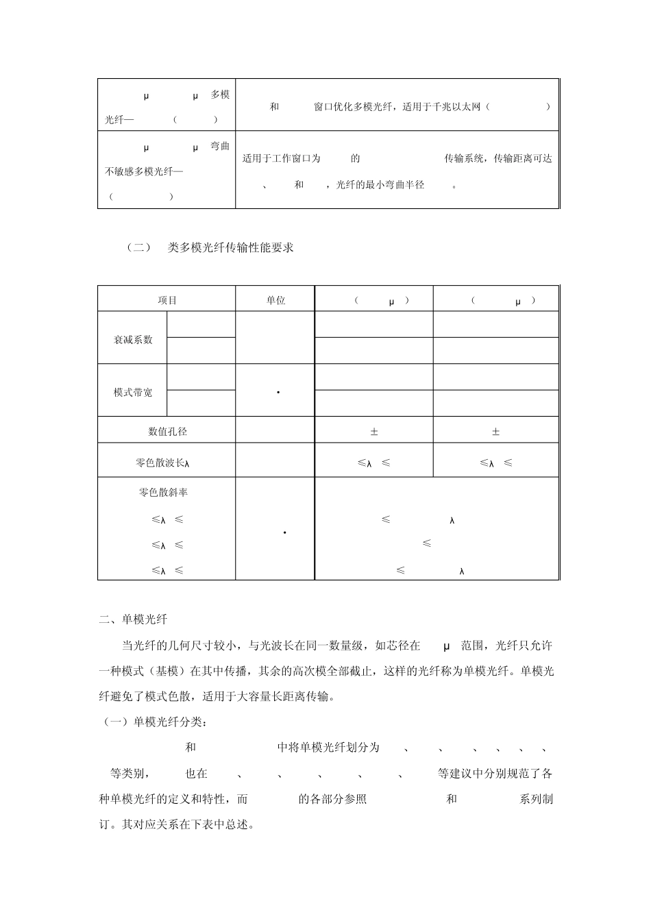
单模和多模光纤的特点和应用 一、光纤结构 光纤是光导纤维的简称,是一种新的光波导,是光通信系统最普遍和最重要的传输媒质。 它由单根玻璃纤芯、紧靠纤芯的包层、一次涂覆层以及套塑保护层组成。(光纤呈圆柱形,由纤芯、包层和涂覆层三部分组成。)纤芯和包层由两种光学性能不同的介质构成,内部的介质对光的折射率比环绕它的介质的折射率高。包在外围的覆盖层就像不透明的物质一样,防止了光线在穿插过程中从表面逸出。 1. 纤芯 位置: 位于光纤的中心部位, 直径:在4-50μ m,单模光纤的纤芯直径为4-10μ m ,多模光纤的纤芯直径为50μ m。 纤芯的成分:含有极少量掺杂剂的高纯度二氧化硅(如二氧化锗,五氧化二磷)作用是适当提高纤芯对光的折射率,用于传输光信号。 2. 包层 位置: 位于纤芯的周围 直径:125μ m 成分:是含有极少量掺杂剂的高纯度二氧化硅。 掺杂剂(如三氧化二硼)的作用:适当降低包层对光的折射率,使之略低于纤芯的折射率,即纤芯的折射率大于包层的折射率(这是光纤结构的关键),它使得光信号封闭在纤芯中传输。 3. 光纤的最外层为涂覆层,包括一次涂覆层、缓冲层和二次涂覆层。 一次涂覆层:一般使用丙烯酸醋、有机硅或硅橡胶材料; 缓冲层:一般为性能良好的填充油膏; 二次涂覆层:一般多用聚丙烯或尼龙等高聚物。 涂覆层的作用:是保护光纤不受水汽侵蚀和机械擦伤,同时增加光纤的机械强度与可弯曲性,起着延长光纤寿命的作用。涂覆后的光纤外径约2. 5 mm 。 4. 光纤最重要的两个传输特性 损耗和色散是光纤最重要的两个传输特性,它们直接影响光传输的性能。 (l)光纤传输损耗:损耗是影响系统传输距离的重要因素之一,光纤自身的损耗主要有吸收损耗和散射损耗。吸收损耗是因为光波在传输中有部分光能转化为热能;散射损耗是因为材料的折射率不均匀或有缺陷、光纤表面畸变或粗糙造成的。当然,在光纤通信系统中还存在非光纤自身原因的一些损耗,包括连接损耗、弯曲损耗和微弯损耗等。这些损耗的大小将直接影响光纤传输距离的长短和中继距离的选择。 (2)光纤传输色散:色散是光脉冲信号在光纤中传输,到达输出端时发生的时间上的展宽。产生的原因是光脉冲信号的不同频率成分、不同模式,在传输时因速度不同,到达终点所用的时间不同而引起的波形畸变。色散结果:这种畸变使得通信质量下降,从而限制了通信容量和传输距离。 二、光纤通信的工作窗口 光纤损耗系数随着波长而变化...

1、当您付费下载文档后,您只拥有了使用权限,并不意味着购买了版权,文档只能用于自身使用,不得用于其他商业用途(如 [转卖]进行直接盈利或[编辑后售卖]进行间接盈利)。
2、本站所有内容均由合作方或网友上传,本站不对文档的完整性、权威性及其观点立场正确性做任何保证或承诺!文档内容仅供研究参考,付费前请自行鉴别。
3、如文档内容存在违规,或者侵犯商业秘密、侵犯著作权等,请点击“违规举报”。

碎片内容

单模和多模光纤的特点和应用

确认删除?
VIP
微信客服
  • 扫码咨询
会员Q群
  • 会员专属群点击这里加入QQ群
客服邮箱
回到顶部