电脑桌面
添加小米粒文库到电脑桌面
安装后可以在桌面快捷访问

危险废物管理周知卡

危险废物管理周知卡_第1页
1/7
危险废物管理周知卡_第2页
2/7
危险废物管理周知卡_第3页
3/7
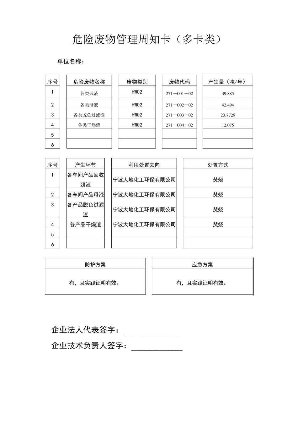
危险废物管理周知卡(多卡类) 单位名称: 企业法人代表签字:___________________ 企业技术负责人签字:_________________ 序号 危险废物名称 废物类别 废物代码 产生量(吨/年) 1 各类残液 HW02 2 7 1 -0 0 1 -0 2 3 9 .8 8 5 2 各类母液 HW02 2 7 1 -0 0 2 -0 2 4 2 .4 9 4 3 各类脱色过滤渣 HW02 2 7 1 -0 0 3 -0 2 2 3 .7 7 2 9 4 各类干燥渣 HW02 2 7 1 -0 0 4 -0 2 1 2 .0 7 5 5 6 序号 产生环节 利用处置去向 处置方式 1 各车间产品回收残液 宁波大地化工环保有限公司 焚烧 2 各车间产品母液 宁波大地化工环保有限公司 焚烧 3 各产品脱色过滤渣 宁波大地化工环保有限公司 焚烧 4 各产品干燥渣 宁波大地化工环保有限公司 焚烧 5 6 防护方案 应急方案 有,且实践证明有效。 有,且实践证明有效。 危险废物管理周知卡(一类卡) 单位名称: 危险废物名称 废物类别 废物代码 产生量(吨/年) 废水预处理残液 HW49 802-006-49 44 产生环节 利用处置去向 处置方式 三车间高浓度废水预处理工序 宁波大地化工环保有限公司 焚烧 防护方案 应急方案 有,且实践证明有效。 有,且实践证明有效。 企业法人代表签字: 企业技术负责人签字: 危险废物管理周知卡(一类卡) 单位名称: 危险废物名称 废物类别 废物代码 产生量(吨/年) 污水处理污泥 HW49 802-006-49 38.4 产生环节 利用处置去向 处置方式 污水处理站板框房污泥压滤 宁波大地化工环保有限公司 焚烧 防护方案 应急方案 有,且实践证明有效。 有,且实践证明有效。 企业法人代表签字: 企业技术负责人签字: 危险废物管理周知卡(一类卡) 单位名称: 危险废物名称 废物类别 废物代码 产生量(吨/年) 废气处理活性炭 HW49 900-039-49 2(5 年更换一次) 产生环节 利用处置去向 处置方式 RTO活性炭应急吸附床 宁波大地化工环保有限公司 焚烧 防护方案 应急方案 有,且实践证明有效。 有,且实践证明有效。 企业法人代表签字: 企业技术负责人签字: 危险废物管理周知卡(一类卡) 单位名称: 危险废物名称 废物类别 废物代码 产生量(吨/年) 危化品废包装材料 HW49 900-041-49 4 产生环节 利用处置去向 处置方式 各原料破损的包装材料 宁波大地化工环保有限公司 焚烧 防...

1、当您付费下载文档后,您只拥有了使用权限,并不意味着购买了版权,文档只能用于自身使用,不得用于其他商业用途(如 [转卖]进行直接盈利或[编辑后售卖]进行间接盈利)。
2、本站所有内容均由合作方或网友上传,本站不对文档的完整性、权威性及其观点立场正确性做任何保证或承诺!文档内容仅供研究参考,付费前请自行鉴别。
3、如文档内容存在违规,或者侵犯商业秘密、侵犯著作权等,请点击“违规举报”。

碎片内容

危险废物管理周知卡

确认删除?
VIP
微信客服
  • 扫码咨询
会员Q群
  • 会员专属群点击这里加入QQ群
客服邮箱
回到顶部