电脑桌面
添加小米粒文库到电脑桌面
安装后可以在桌面快捷访问

压力、流速、流量与管径的一般关系

压力、流速、流量与管径的一般关系_第1页
1/7
压力、流速、流量与管径的一般关系_第2页
2/7
压力、流速、流量与管径的一般关系_第3页
3/7
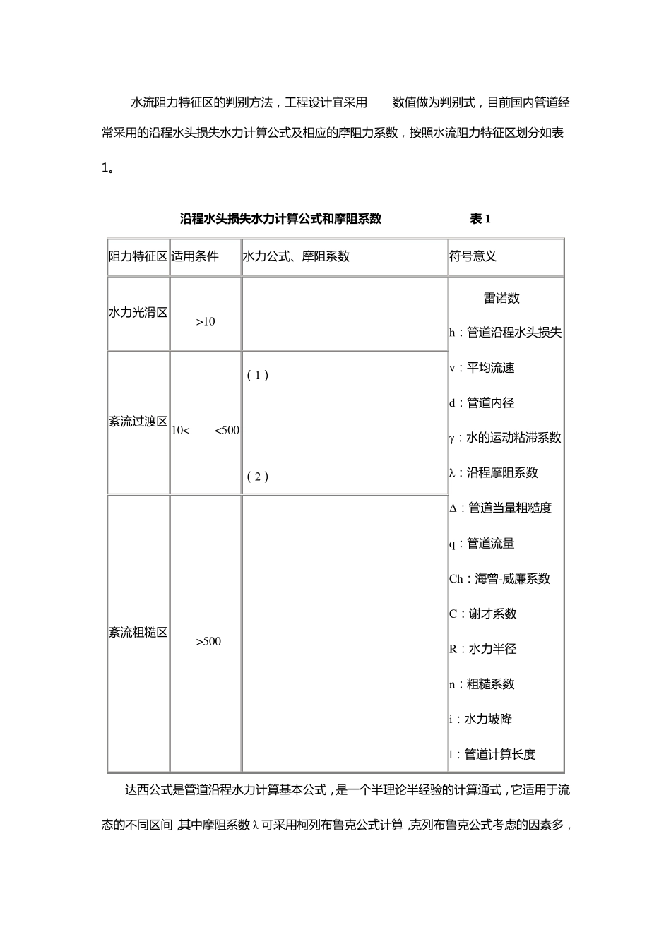
流 量 与 管 径 、压 力 、流 速 的 一 般 关 系 一 般 工 程 上 计 算 时 , 水 管 路 , 压 力 常 见 为 0.1--0.6MPa, 水 在 水 管 中 流 速 在 1--3 米 /秒 , 常取 1.5 米 /秒 。 流 量 =管 截 面 积 X 流 速 =0.002827X 管 内 径 的 平 方 X 流 速 (立 方 米 /小 时 )。 其 中 , 管 内 径 单 位 : mm , 流 速 单 位 : 米 /秒 , 饱 和 蒸 汽 的 公 式 与 水 相 同 , 只 是 流 速 一 般取 20--40 米 /秒 。 水 头 损 失 计 算 Chezy 公式 Chezy 这 里 : Q ——断面 水 流 量 (m3/s) C ——Chezy 糙率系 数(m1/2/s) A ——断面 面 积 (m2) R ——水 力 半径 (m) S ——水 力 坡度(m/m) 根据需要也可以变换为 其 它表示方 法: Darcy-Weisbach 公式 由 于 这 里 : hf ——沿 程 水 头 损 失 ( mm3/s) f ——Darcy-Weisbach 水 头 损 失 系 数 ( 无 量 纲 ) l ——管 道 长 度 ( m) d ——管 道 内 径 ( mm) v ——管 道 流 速 ( m/s) g ——重 力 加 速 度 ( m/s2) 水 力 计 算 是 输 配 水 管 道 设 计 的 核 心 , 其 实 质 就 是 在 保 证 用 户 水 量 、水 压安全的 条件下, 通过水 力 计 算 优化设 计 方案, 选择合适的 管 材和确经济管 径 。输 配 水 管 道 水 力 计 算 包含沿 程 水 头损 失 和局部水 头 损 失 , 而局部水 头 损 失 一般仅为沿 程 水 头 损 失 的 5~10%, 因此本文主要研究、探讨管 道 沿 程 水 头 损 失 的 计 算 方法。 1.1 管 道 常 用 沿 程 水 头 损 失 计 算 公 式 及 适 用 条 件 管 道 沿 程 水 头 损 失 是 水 流 摩阻做功消耗的 能量 , 不同的 水 流 流 态, 遵循不同的 规律, 计算 方法也不一样。输 配 水 管 道 水 流 流 态都处在 紊流 区, 紊流 区水 流 的 阻力 是 水 的 粘滞力 及水流 速 度 与压强脉动的 结果。紊流 又根据阻力 特征划分为水 力 光滑区、过渡区、粗糙区。管 道沿 程 水 头 损 失 计 算 公式都有适用 范围和条件, 一般都以水 流 阻力 特征...

1、当您付费下载文档后,您只拥有了使用权限,并不意味着购买了版权,文档只能用于自身使用,不得用于其他商业用途(如 [转卖]进行直接盈利或[编辑后售卖]进行间接盈利)。
2、本站所有内容均由合作方或网友上传,本站不对文档的完整性、权威性及其观点立场正确性做任何保证或承诺!文档内容仅供研究参考,付费前请自行鉴别。
3、如文档内容存在违规,或者侵犯商业秘密、侵犯著作权等,请点击“违规举报”。

碎片内容

压力、流速、流量与管径的一般关系

您可能关注的文档

确认删除?
VIP
微信客服
  • 扫码咨询
会员Q群
  • 会员专属群点击这里加入QQ群
客服邮箱
回到顶部