电脑桌面
添加小米粒文库到电脑桌面
安装后可以在桌面快捷访问

压力变送器检定规程

压力变送器检定规程_第1页
1/12
压力变送器检定规程_第2页
2/12
压力变送器检定规程_第3页
3/12
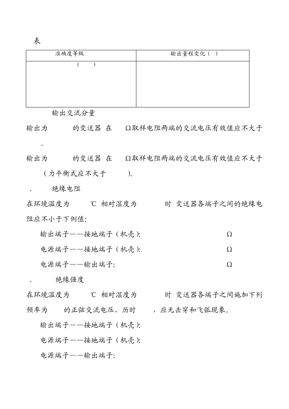
压力变送器检定规程 一 目的 通过自检、校验提高压力变送器监视测量的准确度,为产品符合确定的要求提供保障。 二 范围 适用于集团公司本规程适用于新制造、使用中和修理后的压力变送器的检定 三 规范性引用文件 JJG — 《压力变送器检定规程》 四 概述 压力变送器是种将压力变量转换为可传送的统一输出信号的仪表,而且其输出信号与压力变量之间有一给定的连续函数关系,通常为线性函数。 压力变量包括正、负压力,差压和绝对压力。 压力变送器有电动和气动两大类,电动的统一输出信号为 0~10mA,4~20mA(或 1~5V)的直流电信号,气动的统一输出信号为 20~100kpa的气体压力。 五 技术要求 1 外观 1.1 压力变送器的铭牌应完整、清晰、应注明产品名称、型号、规格、测量范围等主要技术指标,高、低容室应有明显标记,还应标明制造厂的名称或商标、出厂编号、制造年月。 1.2 压力变送器零部件应完整无损,紧固件不得有松动和损伤现象,可动部分应灵活可靠。 1.3 新制造的压力变送器的外壳、零件表面涂覆层应光洁、完好、无锈蚀和霉斑,内部不得有切屑、残渣等杂物,使用中和修理后的压力变送器不允许有影响使用和计量性能的缺陷。 2 密封性 变送器的测量部分在承受测量上限压力(差压变送器为额定工作压力)时,不得有泄漏和损坏现象。 3 基本误差 变送器基本误差应不超过表1规定。 表1 准确度等级 基本误差(%) 回程误差(%) 0.2 (0.25) 0. 5 1. 0 1. 5 2. 5 ±0.2 (±0.25) ±0.5 ±1.0 ±1.5 ±2.5 0.16 (0.2) 0.4 0.8 1.2 2.0 4 回程误差 新制造的变送器回程误差应不超过表1规定,使用中和修后的变送器回程误差应不大于表1中基本误差的绝对值。 5 电动变送器的电性能 5.1 输出开路影响 力平衡式变送器开路试验后,恢复正常接线,变送器的输出量程变化不得超过表2规定,并仍符合基本误差和回程误差的要求。 表 2 准确度等级 输出量程变化(%) 0. 2(0.25) 0. 5 1. 0 1. 5 2. 5 0. 1 0. 25 0. 4 0. 6 1. 0 5.2 输出交流分量 输出为0~10mA的变送器,在200Ω取样电阻两端的交流电压有效值应不大于20mA。 输出为4~20mA的变送器,在250Ω取样电阻两端的交流电压有效值应不大于50mV(力平衡式应不大于 150mV)。 5.3 绝缘电阻 在环境温度为15~35℃,相对湿度为45%~75%时,变送器各端子之间的绝缘电阻应不小于下例值: 输出端子——接地端子(机壳): 20...

1、当您付费下载文档后,您只拥有了使用权限,并不意味着购买了版权,文档只能用于自身使用,不得用于其他商业用途(如 [转卖]进行直接盈利或[编辑后售卖]进行间接盈利)。
2、本站所有内容均由合作方或网友上传,本站不对文档的完整性、权威性及其观点立场正确性做任何保证或承诺!文档内容仅供研究参考,付费前请自行鉴别。
3、如文档内容存在违规,或者侵犯商业秘密、侵犯著作权等,请点击“违规举报”。

碎片内容

压力变送器检定规程

确认删除?
VIP
微信客服
  • 扫码咨询
会员Q群
  • 会员专属群点击这里加入QQ群
客服邮箱
回到顶部