电脑桌面
添加小米粒文库到电脑桌面
安装后可以在桌面快捷访问

发光二极管技术参数VS1838VIP专享

发光二极管技术参数VS1838_第1页
1/6
发光二极管技术参数VS1838_第2页
2/6
发光二极管技术参数VS1838_第3页
3/6
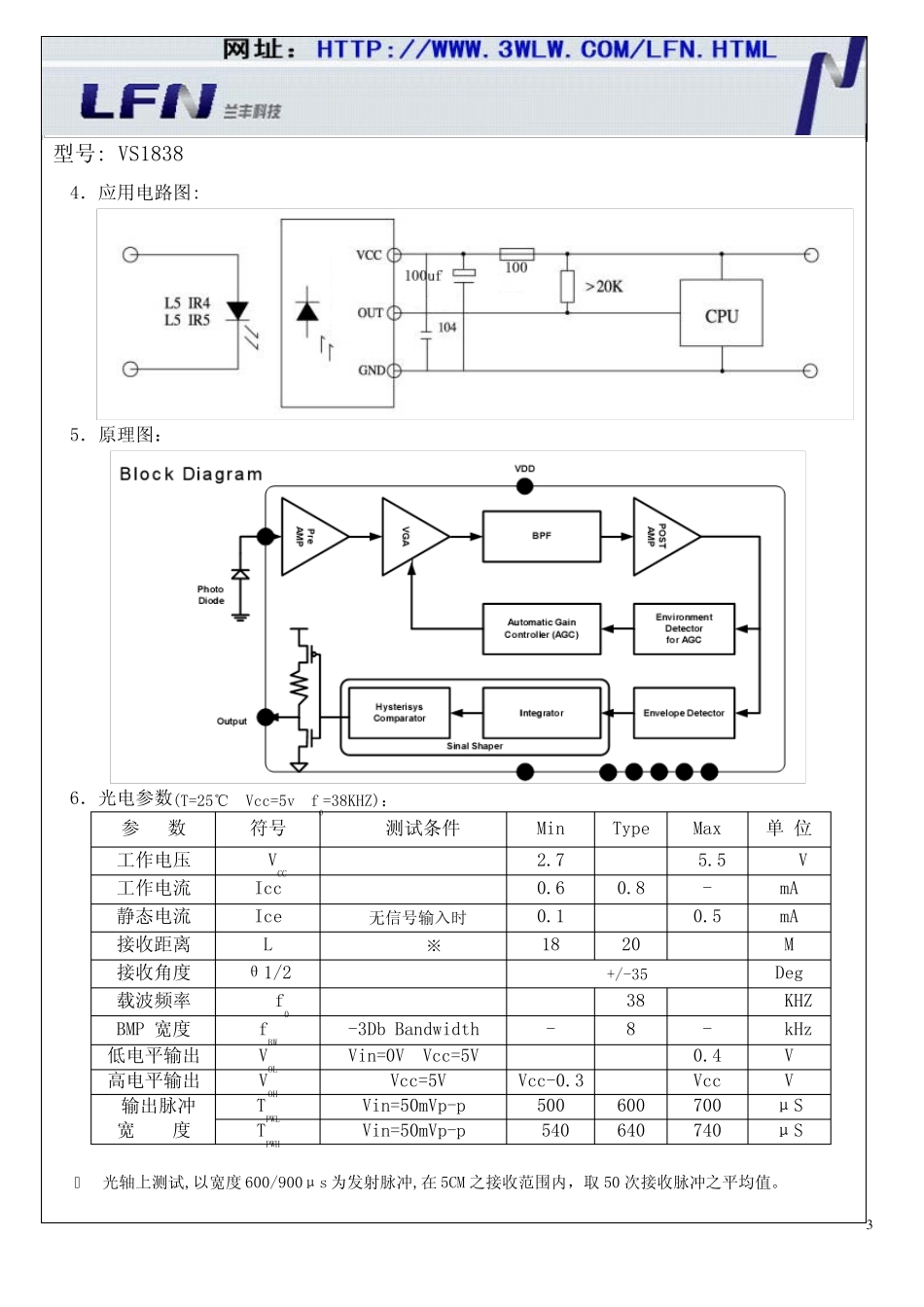
1V S18382型号:VS1838(深圳兰丰科技产红外线接收头、发射管、发光二极管等光电系列产品)1.特性:●小型设计;●内置专用IC;●宽角度及长距离接收;●抗干挠能力强;●能抵挡环境干挠光线;●低电压工作;2.应用:■视听器材(音箱,电视,录影机,碟机)■家庭电器(冷气机,电风扇,电灯)■其它红外线遥控产品;3.尺寸:V S18383型号: VS18384.应用电路图:5.原理图:6.光电参数(T=25℃Vcc=5vf0=38KHZ):参数 符号测试条件MinTypeMax单位工作电压VCC2.75.5V工作电流 Icc0.60.8-mA静态电流 Ice无信号输入时0.10.5mA接收距离L※1820M接收角度θ1/2+/-35Deg载波频率f038KHZBMP 宽度 fBW-3Db Bandwidth-8-kHz低电平输出VOLVin=0VVcc=5V0.4V高电平输出VOHVcc=5VVcc-0.3VccV输出脉冲宽度TPWLVin=50mVp-p500600700μSTPWHVin=50mVp-p540640740μS※光轴上测试,以宽度600/900μs 为发射脉冲,在 5CM 之接收范围内,取 50 次接收脉冲之平均值。4型号: VS18387.测试波型:8.特性曲线图(Characteristics Curve)(Tamb=25℃ unless otheruise specified):5型号: VS1838Typical Electrical Curves at Temp=25℃6型号: VS18389.极限参数:项目符号规格单位供应电压VCC-0.3—6.5V工作温度Topr-20— +85℃储存温度Tstg-40 —— +125℃焊接温度Tsol260(5S)℃10.推荐使用条件:项目符号MinTypMnx单位工作电压 Vcc2.7-----5.5V输入频率FM38kHz工作温度Topr-202580℃11.接收角度图:12.使用注意:1).在无任何外加压力及影响品质的环境下储存及使用;2).在无污染气体或海风(含盐分)的环境下储存及使用;3).在低湿度环境下储存及使用;4).在规定的条件下焊接引线管脚,焊接后,请勿施加外力;5).请勿清洗本产品,使用前,请先用静电带将作业员及电烙铁连接落地线;6).请注意保护红外线接收器的接收面,沾污或磨损后会影响接收效果,同时不要触碰表面。

1、当您付费下载文档后,您只拥有了使用权限,并不意味着购买了版权,文档只能用于自身使用,不得用于其他商业用途(如 [转卖]进行直接盈利或[编辑后售卖]进行间接盈利)。
2、本站所有内容均由合作方或网友上传,本站不对文档的完整性、权威性及其观点立场正确性做任何保证或承诺!文档内容仅供研究参考,付费前请自行鉴别。
3、如文档内容存在违规,或者侵犯商业秘密、侵犯著作权等,请点击“违规举报”。

碎片内容

发光二极管技术参数VS1838

确认删除?
VIP
微信客服
  • 扫码咨询
会员Q群
  • 会员专属群点击这里加入QQ群
客服邮箱
回到顶部