电脑桌面
添加小米粒文库到电脑桌面
安装后可以在桌面快捷访问

变频器应用技术实训指导书

变频器应用技术实训指导书_第1页
1/18
变频器应用技术实训指导书_第2页
2/18
变频器应用技术实训指导书_第3页
3/18
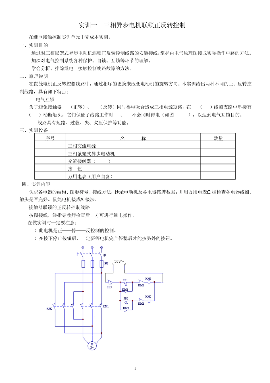
1 实训一 三相异步电机联锁正反转控制 在继电接触控制实训单元中完成本实训。 一、实训目的 1. 通过对三相鼠笼式异步电动机连锁正反转控制线路的安装接线,掌握由电气原理图接成实际操作电路的方法。 2. 加深对电气控制系统各种保护、自锁、互锁等环节的理解。 3. 学会分析、排除继电--接触控制线路故障的方法。 二、原理说明 在鼠笼电机正反转控制线路中,通过相序的更换来改变电动机的旋转方向。本实训给出两种不同的正、反转控制线路,具有如下特点: 1. 电气互锁 为了避免接触器KM1(正转)、KM2(反转)同时得电吸合造成三相电源短路,在KM1(KM2)线圈支路中串接有KM1(KM2)动断触头,它们保证了线路工作时KM1、KM2不会同时得电(如图6-24-1),以达到电气互锁目的。 3. 线路具有短路、过载、失、欠压保护等功能。 三、实训设备 序号 名 称 数量 1 三相交流电源 1 2 三相鼠笼式异步电动机 1 3 交流接触器(AC36V) 2 4 按 钮 3 5 万用电表(用户自备) 1 四、实训内容 认识各电器的结构、图形符号、接线方法;抄录电动机及各电器铭牌数据;并用万用电表Ω 档检查各电器线圈、触头是否完好。鼠笼电机接成Δ 接法。 接触器联锁的正反转控制线路 按图接线,经指导教师检查后,方可进行通电操作。 在做实训时一定要注意: 1)此电机是正——停——反控制的控制。 2)在按下停止按钮后,一定要等电机完全停稳后才能按另外的按钮。 2 (1) 开启控制屏电源总开关,打开电源。 (2) 按正向起动按钮SB1,观察并记录电动机的转向和接触器的运行情况。 (3) 按反向起动按钮SB2,观察并记录电动机和接触器的运行情况。 (4) 按停止按钮SB3,观察并记录电动机的转向和接触器的运行情况。 (5) 再按SB2,观察并记录电动机的转向和接触器的运行情况。 (6) 实训完毕,按控制屏停止按钮,切断三相交流电源。 五、故障分析 1. 接通电源后,按起动按钮(SB1或SB2),接触器吸合,但电动机不转且发出“嗡嗡”声响;或者虽能起动,但转速很慢。这种故障大多是主回路一相断线或电源缺相。 2. 接通电源后,按起动按钮(SB1或SB2), 若接触器通断频繁,且发出连续的劈啪声或吸合不牢,发出颤动声,此类故障原因可能是: (1) 线路接错,将接触器线圈与自身的动断触头串在一条回路上了。 (2) 自锁触头接触不良,时通时断。 (3) 接触器铁心上的短路环脱落或断裂。 (4) 电源电压过低或与接触器线圈电...

1、当您付费下载文档后,您只拥有了使用权限,并不意味着购买了版权,文档只能用于自身使用,不得用于其他商业用途(如 [转卖]进行直接盈利或[编辑后售卖]进行间接盈利)。
2、本站所有内容均由合作方或网友上传,本站不对文档的完整性、权威性及其观点立场正确性做任何保证或承诺!文档内容仅供研究参考,付费前请自行鉴别。
3、如文档内容存在违规,或者侵犯商业秘密、侵犯著作权等,请点击“违规举报”。

碎片内容

变频器应用技术实训指导书

您可能关注的文档

确认删除?
VIP
微信客服
  • 扫码咨询
会员Q群
  • 会员专属群点击这里加入QQ群
客服邮箱
回到顶部