电脑桌面
添加小米粒文库到电脑桌面
安装后可以在桌面快捷访问

叶轮水力计算

叶轮水力计算_第1页
1/6
叶轮水力计算_第2页
2/6
叶轮水力计算_第3页
3/6
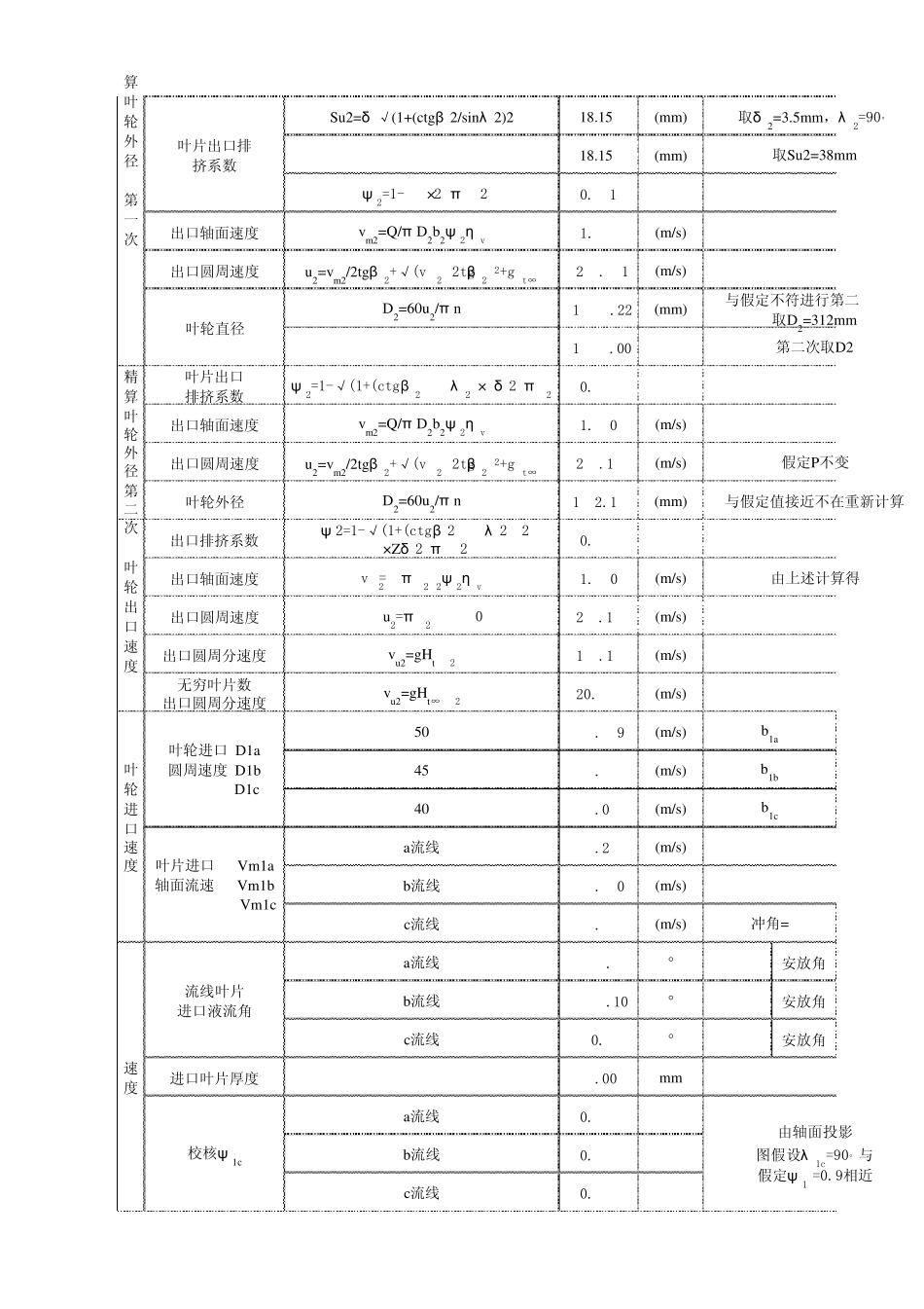
公 式结 果单 位流量Q25.00m3/h扬程H32.00m转速n2900.00r/min装置气蚀余量NPSHa3.00m泵进口直径Ds65.00(mm)泵出口直径Dd65.00(mm)泵进口速度Vd2.09(m/s)泵出口速度Vs2.09(m/s)泵安装高度hg=10.33-0.5-0.24-[NPSH]a6.59(m)泵气蚀余量NPSHr=NPSHa/1.32.31(m)泵气蚀转数C=5.62n√Q/NPSHr3/4725.39比转比转数ns=3.65n√Q/H3/465.56水力效率η h=1+0.0835g(Q/n)1/30.79容积效率η v=1/(1+0.68ns-2/3)0.96圆盘损失效率η m'=1-0.07/(ns/100)7/60.84机械效率0.82总效率η =η mη vη h0.62轴功率P=ρ gQH/1000η3.51(kW)计算配套功率P'=KP3.86(kW)扭矩Mn=9.55×103P'/n12.71 (N.m)轮毂直径0.00(mm)进口当量直径D0=K0(Q/n)1/353.51Dj=√(D02+dh2)53.5155.00Kb2=0.7(ns/100)0.65 b2=Kb2(Q/n)1/37.12(mm)Kb2=1.26(ns/100)1.02 b2=Kb2(√2gH)/n7.08(mm)10.00(mm)叶轮外径KD2=9.35(ns/100)-0.5 D2=KD2(Q/n)1/3154.49(mm)叶片出口角β 216.00度叶片数Z=6.5(D2+D1)*sin[(β 1+β 2)/2]/(D2-D1)5.00理论扬程Ht=H/η h40.32(m)修正系数 PP=ψ R22/ZS0.36出口叶片厚度δ 25.00(mm)Ht∞=(1+P)×Ht54.84 (mm)54.845-7 0.3-0.36 3-5 2 0.5-0.6 1 0.6-0.7(mm)确定Dj值确定b2值叶轮出口宽度叶轮进口直径取K=1.1选K0=4选[τ ]=350×105(N/m2)备 注常温清水pv/ρ g=0.24m hc=0.5m取D1=0.93Dj=60mm 设β 1=30。确定效率12.20 (mm)d=(Mn/0.2[τ ])1/3假定轴承、填料损失为2%最小轴径项 目泵进出口直径气蚀计算基本参数选vs=3.5m/s选Dd=0.8Ds精算叶轮外径初步确定叶轮主要尺寸确定功率无穷叶片数理论扬程确定Ht∞值Su2=δ √(1+(ctgβ 2/sinλ 2)218.15(mm)18.15(mm)ψ 2=1-Su2×Z/π D20.81出口轴面速度vm2=Q/π D2b2ψ 2η v1.83(m/s)出口圆周速度u2=vm2/2tgβ 2+√(vm2/2tgβ 2)2+gHt∞26.61(m/s)D2=60u2/π n175.22(mm)173.00叶片出口排挤系数ψ 2=1-√(1+(ctgβ 2/sinλ 2)×Zδ 2/π D20.83出口轴面速度vm2=Q/π D2b2ψ 2η v1.60(m/s)出口圆周速度u2=vm2/2tgβ 2+√(vm2/2tgβ 2)2+gHt∞26.15(m/s)叶轮外径D2=60u2/π n172.18(mm)出口排挤系数ψ 2=1-√(1+(ctgβ 2/sinλ 2)2×Zδ 2/π D20.83出口轴面速度vm2=Q/π D2b2ψ 2η v1.60(m/s)出口圆周速度u2=π D2n/6026.15(m/s)出口圆周分速度vu2=gHt/u215.13(m/s)无穷叶片数出口圆周分速度vu2=gHt∞/u220.58(m/s)507.59(m/s)456.83(m/s)406.07...

1、当您付费下载文档后,您只拥有了使用权限,并不意味着购买了版权,文档只能用于自身使用,不得用于其他商业用途(如 [转卖]进行直接盈利或[编辑后售卖]进行间接盈利)。
2、本站所有内容均由合作方或网友上传,本站不对文档的完整性、权威性及其观点立场正确性做任何保证或承诺!文档内容仅供研究参考,付费前请自行鉴别。
3、如文档内容存在违规,或者侵犯商业秘密、侵犯著作权等,请点击“违规举报”。

碎片内容

叶轮水力计算

小辰8+ 关注
实名认证
内容提供者

出售各种资料和文档

相关文档

确认删除?
VIP
微信客服
  • 扫码咨询
会员Q群
  • 会员专属群点击这里加入QQ群
客服邮箱
回到顶部