电脑桌面
添加小米粒文库到电脑桌面
安装后可以在桌面快捷访问

QTZTC塔吊施工方案VIP专享

QTZTC塔吊施工方案_第1页
1/17
QTZTC塔吊施工方案_第2页
2/17
QTZTC塔吊施工方案_第3页
3/17
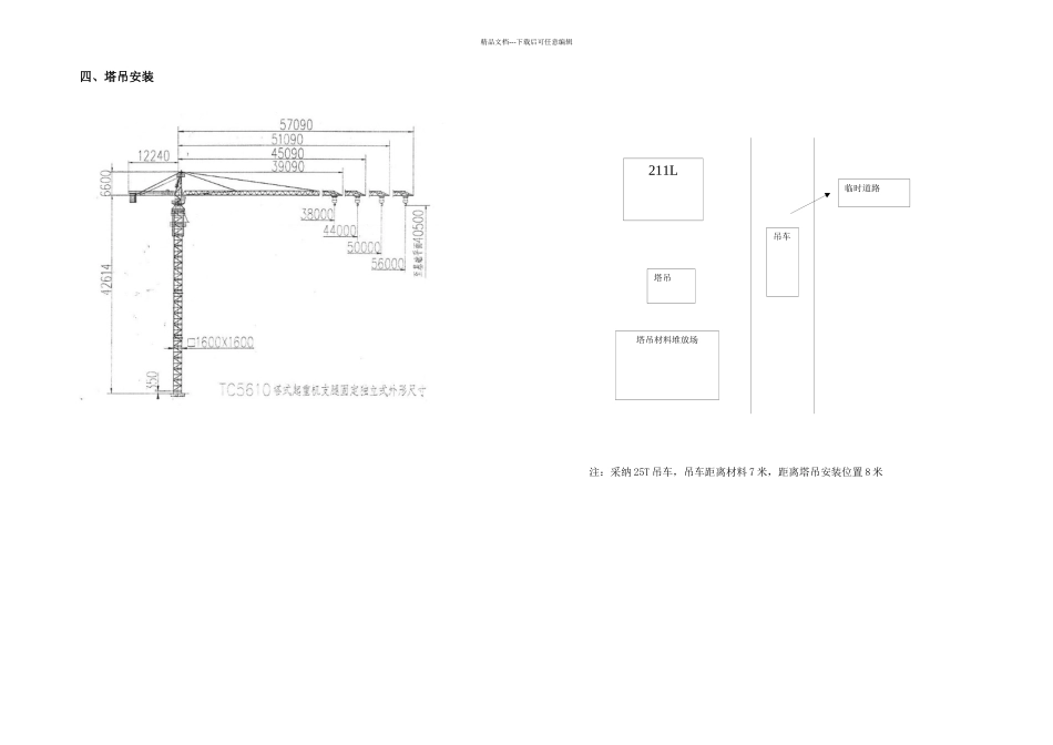
输煤系统栈桥塔吊专项施工方案编制:审核:审批:中化二建集团有限公司延长中煤靖边能源化工项目部2012 年 5 月 5 日目录五、塔机安全验收与操作使用六、塔机的维修与保养七、塔机拆除八、塔机安拆安全技术要求九、附塔机基础及平衡重和塔吊计算书十、应急处理预案一、工程概况:1.工程名称:三井收费站精品文档---下载后可任意编辑2.工程地址:山西省忻州市岢岚县三井镇3.建设单位:神岢高速公路建设管理处4.设计单位:山西路晟交通建筑设计有限公司5.监理单位:山西省公路工程监理技术咨询公司6.施工单位:河南省大成建设工程有限公司7.建筑工程:本工程为神池至岢岚高速公路三井房建工程。包括:三井收费站综合楼、附属用房、收费棚、治超房 2。根据该工程的施工特点和进度要求及本公司的设备情况,本工程选用 QTZ40 塔机作为垂直运输工具。塔机基本技术参数如下表:QTZ40 塔机主要技术参数 项目名称单位设计值备注公称起重力矩KN·m800最大额定起重量t6最大工作幅度m56最小工作幅度m最大幅度时额定起重量t6最大起重量时允许最大幅度m56起升高度固定式m附着式m220a=2 时起升机构起升速度倍率a=2a=4速度m/min80404020相 应 最 大 起 重量t33366整 机 总 功 率 ( 不 包 括 顶升)KW二、编制依据:1、华陆工程科技所下发工程施工图纸2、《建筑结构荷载法律规范》(GB50009-2024)3、《塔式起重机使用说明书》4、《建筑地基基础设计法律规范》(GB50007-2024)5、《地基与基础施工及验收法律规范》(GBJ202-83)6、《混凝土结构设计法律规范》(GB50010-2024)7、《混凝土结构工程施工及验收法律规范》(GB50204-2024)8、《钢结构设计法律规范》(GB50017-2024)9、《钢结构工程施工及验收法律规范》(GB50205-2024)三、塔吊基础设计1.塔吊基础方案分析本工程对塔吊的基础要求较高,因施工场地地质坚固牢实,采纳整体钢筋混凝土基础,以确保塔吊基础的稳定性。2.塔吊安装位置选择根据本工程在施工中垂直运输工作量较大,施工场地受限制的特点,结合建筑物的高度、结构类型、施工现场环境,综合考虑工期、吊运能力、机械类型等因素,同时为不影响后期钢结构的施工,将塔吊安装位置选择在 211L 支架 1 东北侧。塔机用电独立设置配电箱,并设置在离塔机 5 米处。地基周围,已清理场地,平整障碍物。后附固定基础及平衡重211L塔吊塔吊材料堆放场临时道路吊车精品文档---下载后可任意编辑四、塔吊安装 注:采纳 25T...

1、当您付费下载文档后,您只拥有了使用权限,并不意味着购买了版权,文档只能用于自身使用,不得用于其他商业用途(如 [转卖]进行直接盈利或[编辑后售卖]进行间接盈利)。
2、本站所有内容均由合作方或网友上传,本站不对文档的完整性、权威性及其观点立场正确性做任何保证或承诺!文档内容仅供研究参考,付费前请自行鉴别。
3、如文档内容存在违规,或者侵犯商业秘密、侵犯著作权等,请点击“违规举报”。

碎片内容

QTZTC塔吊施工方案

确认删除?
VIP
微信客服
  • 扫码咨询
会员Q群
  • 会员专属群点击这里加入QQ群
客服邮箱
回到顶部