电脑桌面
添加小米粒文库到电脑桌面
安装后可以在桌面快捷访问

呈容性电磁式电压互感器在广西电网使用情况及检测方法

呈容性电磁式电压互感器在广西电网使用情况及检测方法_第1页
1/12
呈容性电磁式电压互感器在广西电网使用情况及检测方法_第2页
2/12
呈容性电磁式电压互感器在广西电网使用情况及检测方法_第3页
3/12
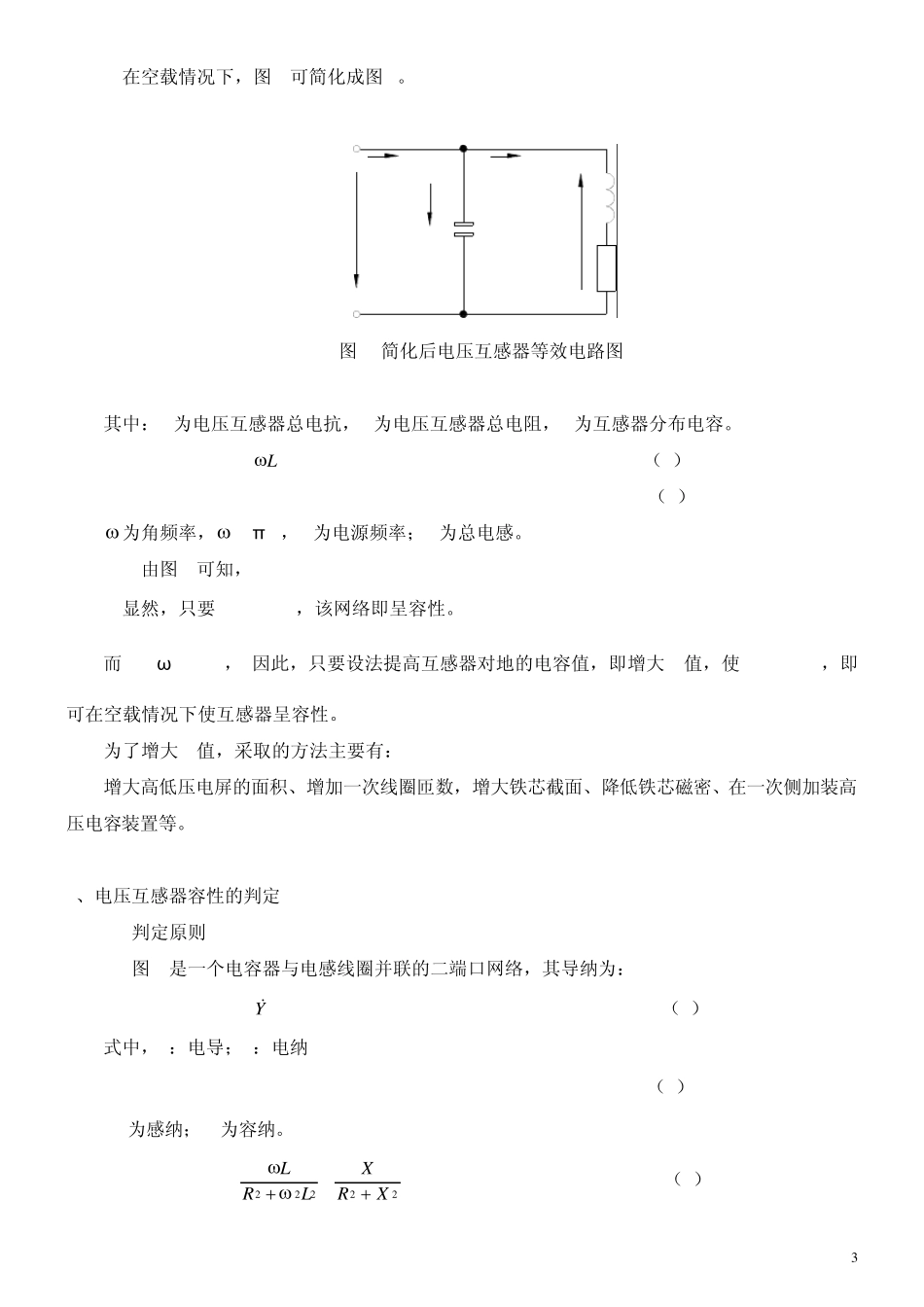
1 呈容性电磁式电压互感器的判定方法 赵坚 1 前言 DL / T 866一2004 《电流互感器和电压互感器选择及计算导 则》第8.7.3 条款要求: 在 中 性 点不接地系统中,电磁式电压互感器与母线或线路对地电容形成的回路,在一定激发条件下可能发生铁磁谐振而产生过电压及过电流,使电压互感器损坏,因此应采取消谐措施。这些措施有:在电压互感器开口三角或互感器中性点与地之间接专用的消谐器,选用三相防谐振电压互感器,增加对地电容破坏谐振条件等。 广西电网公司2007年反措要求:为防止母线电压互感器(PT)产生铁磁谐振过电压引起设备损坏事故,将变电站的10kV、35kV母线PT更换为励磁特性好的呈容性电磁式PT。2007年完成户内 PT的更换,2008年全部完成。 新订购的电磁式PT要求在出厂和交接时进行 1.9倍额定电压下的工频空载电流测量,交接时的增量不应大于出厂试验值的5%,且空载电流(折算到高压侧)不大于 10mA。 反措要求的出台,致使许多试验人员认为只要对新订购的电磁式PT进行 1.9倍额定电压下的工频空载电流测量,且空载电流折算到高压侧不大于 10mA时,就可证明该 PT呈容性,反之,则不呈容性。这实际上是一种误解。 2电磁式电压互感器的原理 2.1常规电磁式电压互感器的工作原理(以空载时为例) 正常情况下,常规电磁式电压互感器一次绕组对地电容量很小,对地容抗很大,其等效原理图见图 1: 2 图1 常规电磁式电压互感器等效原理图 图中,X1:—次绕组等效电抗,R1:一次绕组等效电阻;X0:励磁电抗,R0:励磁电阻;X′ 2:测量二次绕组等效电抗,R′ 2:测量二次绕组等效电阻;X′ 3:剩余电压绕组等效电抗,;R′ 3:剩余电压绕组等效电阻; 电压互感器可以看作是一个二端口的网络,在该网络中,只有电感和电阻,呈感性。 2.2 呈容性电磁式电压互感器的工作原理(以空载时为例) 如果不忽略绕组的分布电容(包括匝间电容、层间电容、段间电容、对地电容),在电压互感器空载的情况下,其等值电路图如图2。 图2中,C:互感器分布电容,其余参数与图1相同。 图2 呈容性电磁式电压互感器等效原理图 3 在空载情况下,图2可简化成图3。 U1IICE1ILRXC 图3 简化后电压互感器等效电路图 其中:X为电压互感器总电抗,R为电压互感器总电阻,C为互感器分布电容。 X=L =X1+X0 (1) R=R1+R0 (2)  为角频率, =2π f,f为电源频率;L为总电感。 由图3可知, I=IC-IL 显然,只要...

1、当您付费下载文档后,您只拥有了使用权限,并不意味着购买了版权,文档只能用于自身使用,不得用于其他商业用途(如 [转卖]进行直接盈利或[编辑后售卖]进行间接盈利)。
2、本站所有内容均由合作方或网友上传,本站不对文档的完整性、权威性及其观点立场正确性做任何保证或承诺!文档内容仅供研究参考,付费前请自行鉴别。
3、如文档内容存在违规,或者侵犯商业秘密、侵犯著作权等,请点击“违规举报”。

碎片内容

呈容性电磁式电压互感器在广西电网使用情况及检测方法

您可能关注的文档

小辰2+ 关注
实名认证
内容提供者

出售各种资料和文档

确认删除?
VIP
微信客服
  • 扫码咨询
会员Q群
  • 会员专属群点击这里加入QQ群
客服邮箱
回到顶部