电脑桌面
添加小米粒文库到电脑桌面
安装后可以在桌面快捷访问

二轨道下山中部车场规程VIP专享

二轨道下山中部车场规程_第1页
1/12
二轨道下山中部车场规程_第2页
2/12
二轨道下山中部车场规程_第3页
3/12
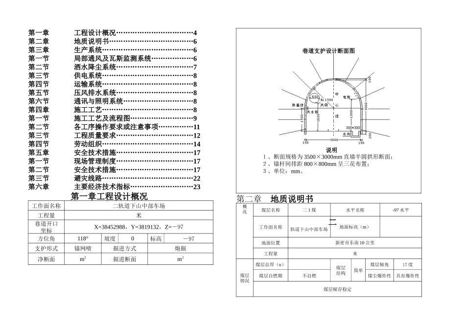
第一章 工程设计概况……………………………4第二章 地质说明书………………………………6第三章 生产系统…………………………………6第一节 局部通风及瓦斯监测系统………………6第二节 洒水降尘系统……………………………7第三节 供电系统…………………………………8第四节 运输系统…………………………………8第五节 压风排水系统……………………………8第六节 通讯与照明系统…………………………8第四章 施工工艺…………………………………8第一节 施工工艺及流程图………………………9第二节 各工序操作要求或注意事项……………11第三节 工程质量要求……………………………12第四节 劳动组织…………………………………14第五章 安全技术措施……………………………17第一节 现场管理制度……………………………17第二节 安全技术措施……………………………17第三节 避灾线路…………………………………22第六章 主要经济技术指标………………………23第一章工程设计概况工作面名称二轨道下山中部车场工程量米巷道开口坐标X=38452988,Y=3819132,Z=-97方位角118°坡度0 标高-97支护形式锚网喷掘进方式炮掘净断面m2掘进断面m2巷道支护设计断面图说明1、断面规格为 3500×3000mm 直墙半圆拱形断面;2、锚杆间排距 800×800mm 呈三花布置;3、单位:mm。第二章地质说明书概况煤层名称二 1 煤水平名称-97 水平工作面名称二轨道下山中部车场地面标高(m)地面位置新密市东南 10 公里工程量米煤层情况煤层总厚(m)煤层结构简单煤层倾角17 度煤层自燃期不自燃煤尘爆炸性具有爆炸性煤层赋存稳定精品文档---下载后可任意编辑主要地质构造概述:该巷道在二 1 煤层顶板砂质泥岩和大占砂岩中掘进,岩石节理裂隙发育。水文情况水文地质情况简单,正常涌水量 3m3/h,估计最大涌水量 10m3/h。注意问题施工过程中注意观察巷道涌水情况,发现异常立即汇报处理。第三章生产系统第一节局部通风及瓦斯监测系统一、风量计算1、按瓦斯涌出量计算精品文档---下载后可任意编辑Q1=100qk=100××1.6=128m3/min式中:Q1---掘进面实际需要风量 m3/minq---掘进工作面的瓦斯正常绝对涌出量 0.8 m3/mink---掘进工作面的通风系数,取2、按掘进工作面最多人数计算Q2=4NK=4×40×1.2=192m3/min式中:N---掘进工作面同时工作的最多人数,单班取 20 人,交接班时最多人数 40 人,K----备用系数,取3、按炸药消耗量计算Q...

1、当您付费下载文档后,您只拥有了使用权限,并不意味着购买了版权,文档只能用于自身使用,不得用于其他商业用途(如 [转卖]进行直接盈利或[编辑后售卖]进行间接盈利)。
2、本站所有内容均由合作方或网友上传,本站不对文档的完整性、权威性及其观点立场正确性做任何保证或承诺!文档内容仅供研究参考,付费前请自行鉴别。
3、如文档内容存在违规,或者侵犯商业秘密、侵犯著作权等,请点击“违规举报”。

碎片内容

二轨道下山中部车场规程

确认删除?
VIP
微信客服
  • 扫码咨询
会员Q群
  • 会员专属群点击这里加入QQ群
客服邮箱
回到顶部