电脑桌面
添加小米粒文库到电脑桌面
安装后可以在桌面快捷访问

京龙SCGZ型施工升降机安装方案VIP专享

京龙SCGZ型施工升降机安装方案_第1页
1/13
京龙SCGZ型施工升降机安装方案_第2页
2/13
京龙SCGZ型施工升降机安装方案_第3页
3/13
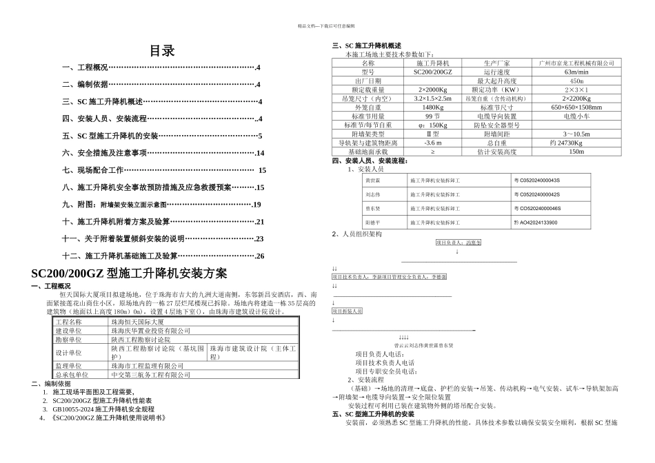
精品文档---下载后可任意编辑工程名称: 恒天国际大厦工程 NO:致:珠海市工程监理有限公司(监理单位)我方已完成施工升降机安装方案编制, 并经公司技术负责人批准,请予以审查。附:SC200/200GZ 施工升降机安装方案总承包单位(项目章):项目负责人(注册章):年月日专业监理工程师审查意见:专业监理工程师(签名):年月日总监理工程师审核意见:项目监理机构(章):总监理工程师(注册章):年月日GDAQ21102 SC200/200GZ 施工升降机专业承包工程安全施工方案工程名称:恒天国际大厦工程 专业承包单位:八冶建设集团有限公司珠海分公司(公章)编制人:年月日审核人:年月日审批人:年月日(企业技术负责人)总承包单位:中交第三航务工程局有限公司(公章)总承包单位审核人:年月日总承包单位审批人:年月日精品文档---下载后可任意编辑目录一、工程概况………………………………………………….4二、编制依据………………………………………………….4三、SC 施工升降机概述………………………………………4四、安装人员、安装流程……………………………………..4五、SC 型施工升降机的安装…………………………………5六、安全措施及注意事项…………………………………….14七、现场配合工作…………………………………………… 15八、施工升降机安全事故预防措施及应急救援预案……….15九、附图:附墙架安装立面示意图…………………………….19十、施工升降机附着方案及验算…………………………….21十一、关于附着装置倾斜安装的说明……………………….23十二、施工升降机基础施工及验算………………………….26SC200/200GZ 型施工升降机安装方案一、工程概况恒天国际大厦项目拟建场地,位于珠海市吉大的九洲大道南侧,东邻新昌安酒店,西、南面紧接莲花山商住小区,原场地内的一栋 27 层烂尾楼现已拆除。场地内将建造一栋 35 层高的建筑物(地面以上高度 180m)0m),设置 4 层地下室(),由珠海市建筑设计院设计。工程名称珠海恒天国际大厦建设单位珠海庆华置业投资有限公司勘察单位陕西工程勘察讨论院设计单位陕西工程勘察讨论院(基坑围护)珠海市建筑设计院(主体工程)监理单位珠海市工程监理有限公司总承包单位中交第三航务工程有限公司二、编制依据1. 施工现场平面图及工程需要,2. SC200/200GZ 型施工升降机性能表3. GB10055-2024 施工升降机安全规程 4.《SC200/200GZ 施工升降机使用说明书》三、SC 施...

1、当您付费下载文档后,您只拥有了使用权限,并不意味着购买了版权,文档只能用于自身使用,不得用于其他商业用途(如 [转卖]进行直接盈利或[编辑后售卖]进行间接盈利)。
2、本站所有内容均由合作方或网友上传,本站不对文档的完整性、权威性及其观点立场正确性做任何保证或承诺!文档内容仅供研究参考,付费前请自行鉴别。
3、如文档内容存在违规,或者侵犯商业秘密、侵犯著作权等,请点击“违规举报”。

碎片内容

京龙SCGZ型施工升降机安装方案

确认删除?
VIP
微信客服
  • 扫码咨询
会员Q群
  • 会员专属群点击这里加入QQ群
客服邮箱
回到顶部