电脑桌面
添加小米粒文库到电脑桌面
安装后可以在桌面快捷访问

01V自动变速器工作原理及传递路线

01V自动变速器工作原理及传递路线_第1页
1/7
01V自动变速器工作原理及传递路线_第2页
2/7
01V自动变速器工作原理及传递路线_第3页
3/7
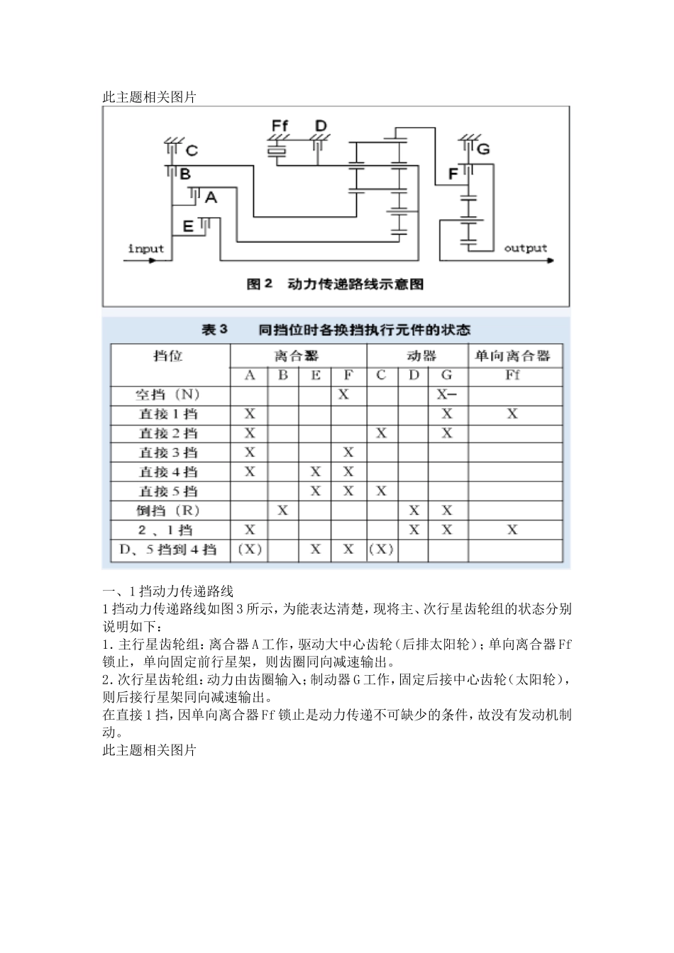
大众 01V 自动变速器工作原理 奥迪车系配用了 ZF 公司的多款自动变速器。ZF 公司的 5HP-19 型自动变速器(大众公司的服务名称为 01V)大量配备在奥迪 A6、A4 和帕萨特 B5 等车上。奥迪 A8 和 2005 款奥迪 A6L 配备了 ZF 公司的 6HP-26 型(大众公司的服务名称为09E)和 6HP-19A 型自动变速器(大众公司的服务名称为 09L)。6HP-26 与 6HP-19A的机械结构、功能和控制基本相同,只是两者的传递扭矩不同。6HP-26 的传递扭矩为 650N·m,6HP-19A 的传递扭矩为 450N·m。6HP-19A 型自动变速器的传递力矩稍低,使某些元件的布置略有不同。另外,早期生产的奥迪车还装用了 ZF 公司的 4HP-18 型自动变速器。本文将介绍在我国保有和维修量最大的 01V(5HP-19)型自动变速器的维修。此主题相关图片01V 型自动变速器是电控手/自一体 5 速自动变速器,变矩器锁止离合器可在3、4、5 挡时结合。5HP-19 型自动变速器又可分为前驱和四驱两种,型号分别为5HP-19FL 和 5HP-19FLA,其基本参数见表 1 。5HP-19 型自动变速器行星齿轮机构与换挡执行元件的布置如图 1 所示,动力传递路线示意图如图 2 所示。由图 1、2 可知,其行星齿轮机构由一个主行星齿轮组(拉维那式行星齿轮组)和一个次行星齿轮组(简单的单排单级行星齿轮机构)组合而成,其构件包括小中心齿轮、大中心齿轮、共用内齿圈、前行星架后接太阳轮和后行星架(最终输出端)。换挡执行元件包括 4 个片式离合器 A、B、E、F 和 3 个片式制动器 C、D、G 和 1 个单向离合器,各换挡执行元件的作用见表 2。不同挡位时,各换挡执行元件的状态见表 3。此主题相关图片一、1 挡动力传递路线1 挡动力传递路线如图 3 所示,为能表达清楚,现将主、次行星齿轮组的状态分别说明如下:1.主行星齿轮组:离合器 A 工作,驱动大中心齿轮(后排太阳轮);单向离合器 Ff锁止,单向固定前行星架,则齿圈同向减速输出。2.次行星齿轮组:动力由齿圈输入;制动器 G 工作,固定后接中心齿轮(太阳轮),则后接行星架同向减速输出。在直接 1 挡,因单向离合器 Ff 锁止是动力传递不可缺少的条件,故没有发动机制动。此主题相关图片二、 2、1 挡动力传递路线2、1 挡动力传递路线如图 4 所示,为能表达清楚,现将主、次行星齿轮组的状态分别说明如下:1.主行星齿轮组:离合器 A 工作,驱动大中心齿轮(后排太阳轮);单向离合器 Ff锁止,同...

1、当您付费下载文档后,您只拥有了使用权限,并不意味着购买了版权,文档只能用于自身使用,不得用于其他商业用途(如 [转卖]进行直接盈利或[编辑后售卖]进行间接盈利)。
2、本站所有内容均由合作方或网友上传,本站不对文档的完整性、权威性及其观点立场正确性做任何保证或承诺!文档内容仅供研究参考,付费前请自行鉴别。
3、如文档内容存在违规,或者侵犯商业秘密、侵犯著作权等,请点击“违规举报”。

碎片内容

01V自动变速器工作原理及传递路线

确认删除?
VIP
微信客服
  • 扫码咨询
会员Q群
  • 会员专属群点击这里加入QQ群
客服邮箱
回到顶部