电脑桌面
添加小米粒文库到电脑桌面
安装后可以在桌面快捷访问

《水利水电工程建设项目前期工作工程勘察收费标准》VIP专享

《水利水电工程建设项目前期工作工程勘察收费标准》_第1页
1/7
《水利水电工程建设项目前期工作工程勘察收费标准》_第2页
2/7
《水利水电工程建设项目前期工作工程勘察收费标准》_第3页
3/7
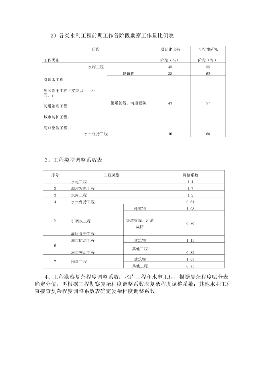
水利、水电工程建设项目前期工作工程勘察收费标准一、本标准适用于水利工程编项目建设书、可行性研究阶段的工程勘察收费,水电工程(含潮汐发电工程)预可行性研究阶段的工程勘察收费。二、水利水电工程项目前期工作工程勘察收费按照下列公式计算:水利水电工程项目前期工作相应阶段工程勘察收费基准价=水利水电工程前期工作工程勘察收费基价 X 相应阶段各占前期工作工程勘察工作量比例 X 工程类型调整系数 X 工程勘察复杂程度调整系数 X 附加方案及其它调整系数1、水利水电工程前期工作工程勘察收费基价表(金额单位:万元)序号投资估算值(计费额)收费基价序号投资估算值(计费额)收费基价150012.001080,0001.008.2521,00022.2011100,0001,215.1033,00059.5012200,0002,207.5045,00092.7013400,0004,002.605&000139.1014600,0005,626.50610,000168.0715800,0007,145.80720,000307.32161,000,0008,591.20840,000560.80172,000,00015,506.20960,000791.50注:投资估算值处于两个数值区间的,采用内插法确定工程勘察收费基价。投资估算值大于 2,000,000 万元的,收费基价增幅按投资估算额超出幅度的 0.77%计算。2.项目前期工作相应阶段工程勘察各占前期工作工程勘察工作量比例。1)水电工程预可行性研究阶段勘察工作量比例按 28%计取。2)各类水利工程前期工作各阶段勘察工作量比例表阶段工程类别项目建议书阶段(%)可行性研究阶段(%)水库工程4555引调水工程灌区骨干工程(支渠以上,不同);河道治理工程城市防护工程;河口整治工程;建筑物3862渠道管线、河道堤防4357水土保持工程40603、工程类型调整系数表序号工程类别调整系数1水电工程1.42潮汐发电工程1.73水库工程1.24水土保持工程0.615引调水工程灌区骨干工程建筑物1.08渠道管线、河道堤防0.806城市防洪工程河口整治工程建筑物1.15其他工程0.827围垦工程建筑物1.03其他工程0.754、工程勘察复杂程度调整系数:水库工程和水电工程,根据复杂程度赋分表确定分值,再根据工程勘察复杂程度调整系数表复杂程度调整系数;其他水利工程直接查复杂程度调整系数表确定复杂程度调整系数。水库、水电工程前期工程阶段工程勘察复杂程度赋分值表序号项目赋分条件分值序号项目赋分条件分值1坝高 H(m)H<30-56地质构造简单-230MHV50-2中等150VHV7011较复杂270WHV1503复杂3150VHV25057坝基或厂基覆盖层厚度V10m-22建筑物一般土石坝-110〜20m1常规重力坝120〜40m2两种坝型或引水线路大于3...

1、当您付费下载文档后,您只拥有了使用权限,并不意味着购买了版权,文档只能用于自身使用,不得用于其他商业用途(如 [转卖]进行直接盈利或[编辑后售卖]进行间接盈利)。
2、本站所有内容均由合作方或网友上传,本站不对文档的完整性、权威性及其观点立场正确性做任何保证或承诺!文档内容仅供研究参考,付费前请自行鉴别。
3、如文档内容存在违规,或者侵犯商业秘密、侵犯著作权等,请点击“违规举报”。

碎片内容

《水利水电工程建设项目前期工作工程勘察收费标准》

确认删除?
VIP
微信客服
  • 扫码咨询
会员Q群
  • 会员专属群点击这里加入QQ群
客服邮箱
回到顶部