电脑桌面
添加小米粒文库到电脑桌面
安装后可以在桌面快捷访问

新现场原材料采样规定secret

新现场原材料采样规定secret_第1页
1/15
新现场原材料采样规定secret_第2页
2/15
新现场原材料采样规定secret_第3页
3/15
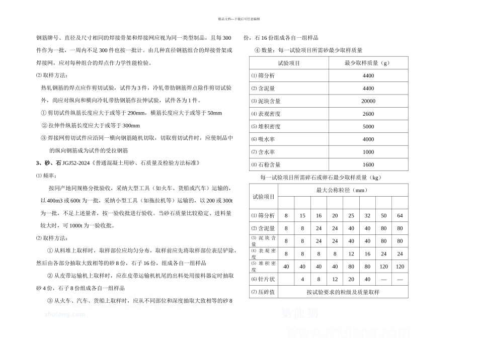
精品文档---下载后可任意编辑现场原材料见证取样相关规定1、水泥 GB50204-2024《混凝土结构工程质量验收法律规范》第条、GB175-2024《通用硅酸盐水泥》⑴ 检测参数:强度、凝聚时间、安定性、细度(选择性指标)⑵ 频率:按同一生产厂家、同一等级、同一品种、同一批号且连续进场的水泥,袋装不超过 200t 为一批,散装不超过 500t 为一批,每批抽样不少于一次。当在使用中对水泥质量有怀疑或水泥出厂超过三个月(快硬硅酸盐水泥超过一个月)时,应进行复验,并按复验结果使用。⑶ 取样方法:可连续取,亦可从 20 个以上不同部位取等量样品,采纳取样管,插入水泥适当深度,用大拇指按住气孔,小心抽出取样管,将所取样品放入干净、干燥、不易受污染的容器中,总量不少于 12kg。2、钢筋混凝土用钢材2.1 钢筋原材料⑴ 频率:一般每批由同一牌号、同一炉罐号、同一规格的钢筋组成,每批重量不大于60t。⑵ 取样方法:① 热轧带肋、热轧光圆钢筋 GB1499-2024《钢筋混凝土用钢》第一、第二部分。序号检测项目取样数量取样方法1拉伸2 根任选 2 根钢筋切取,长度约 450mm2冷弯2 根任选 2 根钢筋切取,长度约 350mm3尺寸偏差逐支一般就用力学性能试件做4重量偏差不少于 5根从不同根钢筋上截取,长度不小于500mm② 冷轧带肋钢筋 GB13788-2000《冷轧带肋钢筋》序号检测项目取样数量取样方法1拉伸1在每(任)盘中随机切取,拉伸长约 450mm,弯曲长约 350mm2弯曲(反复)2③ 冷轧扭钢筋 JG190-2024《冷轧扭钢筋》每批由同一型号、同一强度等级、同一规格尺寸、同一台(套)轧机生产的钢筋组成,且每批不大于 20t。序号检测项目取样数量取样方法1拉伸2随机抽取,每根钢筋只能截取 1 根拉伸,1 根弯曲试样。先去掉钢筋端部 500mm 后,再截取试样。试样长度:取偶数倍节距,且不应小于 4 倍节距,同时不小于 400mm。2冷弯1精品文档---下载后可任意编辑2.2 钢筋焊接 JGJ18-2024《钢筋焊接及验收规程》闪光对焊⑴ 频率:同一台班内由同一焊工完成的 300 个同级别、同直径钢筋焊接接头为一批,当同一台班内焊接的接头数量较少,可在一周内累计计算,如累计仍不足 300 个接头,也应按一批计算。⑵ 取样方法:每批随机抽取 3 个长约 450mm 接头做拉伸,抽取 3 个长约 350mm 接头做冷弯。电弧焊、电渣压力焊、气压焊、⑴ 频率:在一般构筑物中,以 300 个同牌钢筋、同型式接头作为一批,在现浇钢筋混凝土结构中...

1、当您付费下载文档后,您只拥有了使用权限,并不意味着购买了版权,文档只能用于自身使用,不得用于其他商业用途(如 [转卖]进行直接盈利或[编辑后售卖]进行间接盈利)。
2、本站所有内容均由合作方或网友上传,本站不对文档的完整性、权威性及其观点立场正确性做任何保证或承诺!文档内容仅供研究参考,付费前请自行鉴别。
3、如文档内容存在违规,或者侵犯商业秘密、侵犯著作权等,请点击“违规举报”。

碎片内容

新现场原材料采样规定secret

津创媒+ 关注
实名认证
内容提供者

欢迎交流文创,小店资料希望满足您的需要。

确认删除?
VIP
微信客服
  • 扫码咨询
会员Q群
  • 会员专属群点击这里加入QQ群
客服邮箱
回到顶部