电脑桌面
添加小米粒文库到电脑桌面
安装后可以在桌面快捷访问

生产计划工作流程图VIP免费

生产计划工作流程图_第1页
1/3
生产计划工作流程图_第2页
2/3
生产计划工作流程图_第3页
3/3
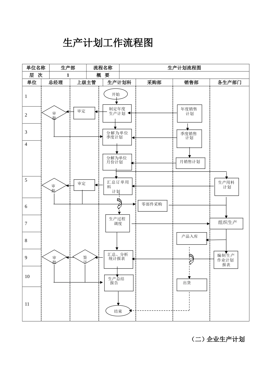
生产计划工作流程图单位名称生产部流程名称生产计划流程图层次1概要单位总经理上级主管生产计划科采购部销售部各生产部门1234567891011(二)企业生产计划开始签字审定审批审批制定年度生产计划年度销售计划审定汇总订单用料计划生产过程调度汇总、分析统计报表分解为单位月份计划分解为单位季度计划生产总结报告结束零部件采购产品入库季度销售计划月销售计划组织生产编制生产作业计划报表生产用料计划审批出货管理标准任务名称节点任务程序、重点及标准时限相关资料制定年度生产计划C2程序一、《公司发展战略规划》二、《公司年度销售计划》三、《公司年度生产计划》☆由生产部组织下属各生产单位负责人召开年度生产计划会议,根据公司发展战略和经营计划规定的经营目标和年度销售计划,制定当年的生产计划5个工作日内☆报生产经理审核,生产经理应提出自己的意见和建议3个工作日内☆报公司总经理审批即时重点☆制定年度生产计划的过程标准☆控制产销平衡,各生产单位产量平衡、品种齐全,符合客户要求分解季度生产计划C3程序一、《公司季度销售计划》二、《公司季度生产计划》☆年度生产计划经总经理批准后,由生产部组织下属各生产单位负责人召开季度生产计划会议,按照季度销售计划要求将年度生产计划分解为各生产单位季度生产计划3个工作日内☆每季度一次季度生产计划会议重点☆生产任务按品种、型号、规格、数量进行分解标准☆控制产销平衡,填写生产计划统计报表制定月度生产计划C4程序一、《公司月度销售计划》二、《公司月度生产计划》☆由生产部组织下属各生产单位负责人召开阶段生产计划会议,按照月度销售计划要求制定月度生产计划2个工作日内☆每月召开一次月度生产计划会议重点☆制定月度各生产单位的生产作业计划标准☆生产计划与设备维护、质量、安全、环保、资源等各种计划同时下达程序☆各下属生产单位向生产部上报生产用料的品种、型号、数量、质量等计划2个工作日内汇总原材料使用计划C5一、《用料计划单》二、《生产部用料汇总单》☆生产部汇总各下属生产车间用料计划2个工作日内☆报财务部进行费用审核2个工作日内☆根据购买额度及公司的审批权限,报生产公司总经理审批一个工作日内☆计划批准后,由生产部统一报采购部,准备生产用原材料3个工作日内重点☆生产用料的汇总、核实标准☆填写采购原材料计划单生产过程调度C7程序☆生产部对各生产车间的生产过程进行平衡、控制,合理调度公用工程系统、人力等资源,对生产现场及时进行监督、管理依生产过程确定生产调度会议,每月召开☆各生产车间按计划组织生产;按季度、月度召开生产调度会议,对生产过程中的问题进行平衡、协调、调度,生产严格按计划进行,产成品通过质检入库重点☆生产过程中的安全、质量、成本等因素的控制标准☆检查、控制生产过程的记录汇总统计报表C9程序一、《生产统计报表》二、《公司生产统计报表》☆各生产车间按要求填报生产统计报表一个工作日内☆生产部汇总公司的生产统计报表以及计划完成情况的分析报告一个工作日内☆报经理审批,并提出部门的意见一个工作日内标准☆报表的汇总和计划完成情况的分析报告程序☆报表准确及时,原因分析确切☆其它经济技术指标的统计

1、当您付费下载文档后,您只拥有了使用权限,并不意味着购买了版权,文档只能用于自身使用,不得用于其他商业用途(如 [转卖]进行直接盈利或[编辑后售卖]进行间接盈利)。
2、本站所有内容均由合作方或网友上传,本站不对文档的完整性、权威性及其观点立场正确性做任何保证或承诺!文档内容仅供研究参考,付费前请自行鉴别。
3、如文档内容存在违规,或者侵犯商业秘密、侵犯著作权等,请点击“违规举报”。

碎片内容

生产计划工作流程图

您可能关注的文档

确认删除?
VIP
微信客服
  • 扫码咨询
会员Q群
  • 会员专属群点击这里加入QQ群
客服邮箱
回到顶部