电脑桌面
添加小米粒文库到电脑桌面
安装后可以在桌面快捷访问

回填灌浆单元质量评定表

回填灌浆单元质量评定表_第1页
1/9
回填灌浆单元质量评定表_第2页
2/9
回填灌浆单元质量评定表_第3页
3/9
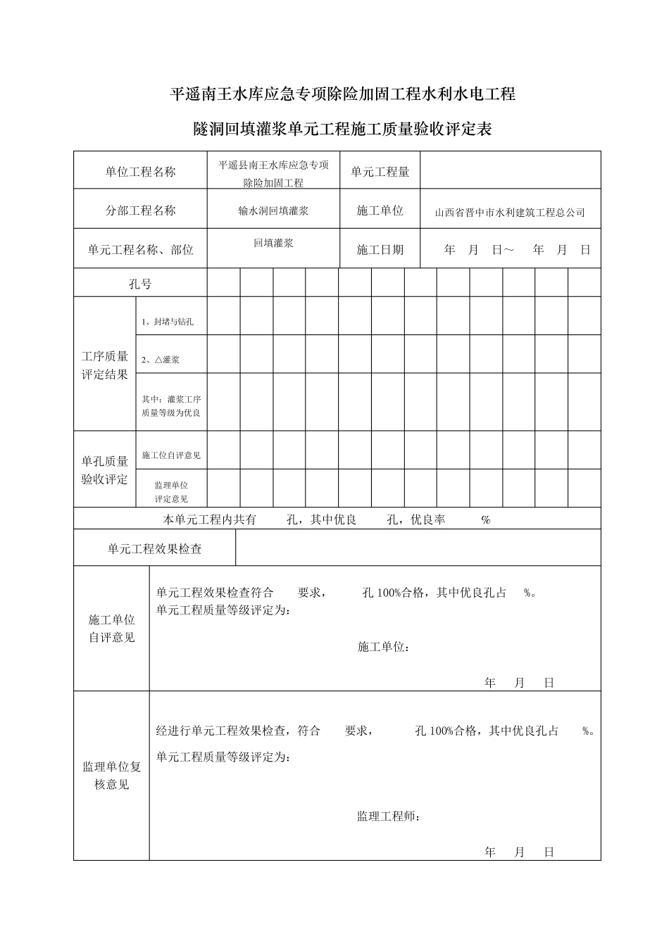
平 遥 南 王 水 库 应 急 专 项 除 险 加 固 工 程 水 利 水 电 工 程 隧 洞 回 填 灌 浆 单 元 工 程 施 工 质 量 验 收 评 定 表 单位工程名称 平遥县南王水库应急专项除险加固工程 单元工程量 分部工程名称 输水洞回填灌浆 施工单位 山西省晋中市水利建筑工程总公司 单元工程名称、部位 回填灌浆 施工日期 年 月 日~ 年 月 日 孔号 工序质量评定结果 1、封堵与钻孔 2、△灌浆 其中:灌浆工序 质量等级为优良 单孔质量验收评定 施工位自评意见 监理单位 评定意见 本单元工程内共有 孔,其中优良 孔,优良率 % 单元工程效果检查 施工单位 自评意见 单元工程效果检查符合 要求, 孔100%合格,其中优良孔占 %。 单元工程质量等级评定为: 施工单位: 年 月 日 监理单位复核意见 经进行单元工程效果检查,符合 要求, 孔100%合格,其中优良孔占 %。 单元工程质量等级评定为: 监理工程师: 年 月 日 平 遥 南 王 水 库 应 急 专 项 除 险 加 固 工 程 水 利 水 电 工 程 灌 浆 区 ( 段 ) 封 堵 与 钻 孔 ( 或 对 预 埋 管 进 行 扫 孔 ) 工 序 施 工 质 量 验 收 评 定 表 单位工程名称 平遥县南王水库应急专项除险加固工程 孔号及工序名称 分部工程名称 输水洞回填灌浆 施工单位 山西省晋中市水利建筑工程总公司 单元工程名称、部位 回填灌浆 施工日期 年 月 日~ 年 月 日 项次 检验项目 质量要求 检查(测)记录 合格数 合格率 主控项目 1 灌区封堵 密实不漏浆 2 钻孔或扫孔深度 深度 3 孔序 2 序 一般项目 1 孔径 孔径不宜小于Φ108m m 2 孔位偏差 ≤100m m 施工单位自评意见 主控项目检验点 100%合格,一般项目逐项检验点的合格率不低于 ,不合格点不应集中分布,且不合格点的质量不应超出有关规范或设计要求的限值。 工序质量等级评定为: 施工单位: 年 月 日 监理单位复核评定意见 经复核,主控项目检验点 100%合格,一般项目逐项检验点的合格率不低于 ,不合格点不应集中分布,且不合格点的质量不应超出有关规范或设计要求的限值。 工序质量等级评定为: 监理工程师: 年 月 日 平 遥 南 王 水 库 应 急 专 项 除 险 加 固 工 程 水 利 水 电 工 程 灌 浆 区 ( 段 ) 灌 浆 工 ...

1、当您付费下载文档后,您只拥有了使用权限,并不意味着购买了版权,文档只能用于自身使用,不得用于其他商业用途(如 [转卖]进行直接盈利或[编辑后售卖]进行间接盈利)。
2、本站所有内容均由合作方或网友上传,本站不对文档的完整性、权威性及其观点立场正确性做任何保证或承诺!文档内容仅供研究参考,付费前请自行鉴别。
3、如文档内容存在违规,或者侵犯商业秘密、侵犯著作权等,请点击“违规举报”。

碎片内容

回填灌浆单元质量评定表

小辰2+ 关注
实名认证
内容提供者

出售各种资料和文档

确认删除?
VIP
微信客服
  • 扫码咨询
会员Q群
  • 会员专属群点击这里加入QQ群
客服邮箱
回到顶部