电脑桌面
添加小米粒文库到电脑桌面
安装后可以在桌面快捷访问

制度管理控制表 金属技术监督实施细则VIP免费

制度管理控制表 金属技术监督实施细则_第1页
1/38
制度管理控制表 金属技术监督实施细则_第2页
2/38
制度管理控制表 金属技术监督实施细则_第3页
3/38
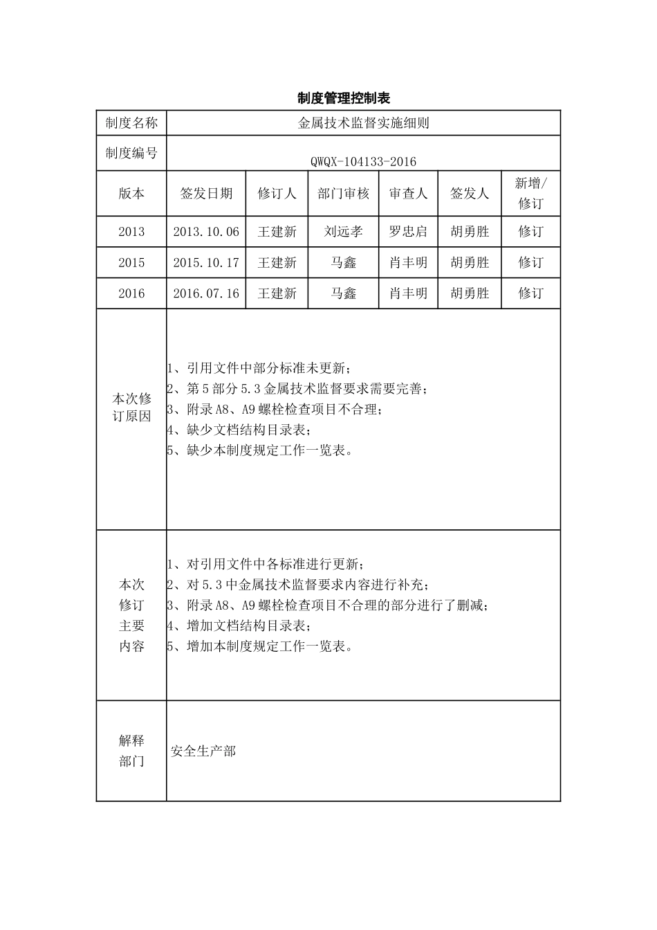
制度管理控制表制度名称金属技术监督实施细则制度编号QWQX-104133-2016版本签发日期修订人部门审核审查人签发人新增/修订20132013.10.06王建新刘远孝罗忠启胡勇胜修订20152015.10.17王建新马鑫肖丰明胡勇胜修订20162016.07.16王建新马鑫肖丰明胡勇胜修订本次修订原因1、引用文件中部分标准未更新;2、第5部分5.3金属技术监督要求需要完善;3、附录A8、A9螺栓检查项目不合理;4、缺少文档结构目录表;5、缺少本制度规定工作一览表。本次修订主要内容1、对引用文件中各标准进行更新;2、对5.3中金属技术监督要求内容进行补充;3、附录A8、A9螺栓检查项目不合理的部分进行了删减;4、增加文档结构目录表;5、增加本制度规定工作一览表。解释部门安全生产部附件B:管理标准编排格式示样前言本标准由五凌电力有限公司五强溪水电厂标准化领导小组提出。本标准由五凌电力有限公司五强溪水电厂标准化管理办公室归口。本标准起草单位:五凌电力有限公司五强溪水电厂。本标准主要起草人:……。本标准审查人:……。本标准批准人:……。本标准××年首次发布。Q/WQXQ/WQX104133-2016金属技术监督实施细则2016-07-16发布2016-07-16实施五凌电力有限公司五强溪水电厂发布五强溪水电厂企业标准目录1.范围............................................................52.规范性引用/应用文件.............................................52.1引用文件...................................................52.2应用文件...................................................53.名词释义........................................................54.职责与分工......................................................65.管理内容与要求..................................................65.1金属监督对象...............................................65.2金属监督基本要求...........................................65.3金属监督要求...............................................75.4专项监督项目内容...........................................86.附录...........................................................12附录A1:本制度规定工作一览表...................................13附录A2:金属监督常规检验项目表.................................14附录A3:机组部件焊缝检验项目表..................................16附录A4:焊缝质量等级检测标准....................................18附录A5:金属试验项目完成情况季度报表...........................19附录A6:汽、水、油、气管路爆漏事故及金属部件故障季度报表.......20附录A7:金属部件重大事故报表...................................21附表A8:五强溪电厂螺栓检查项目表(机组检修中检查).............22附表A9:五强溪电厂螺栓检查项目表(日常检查)...................30附表A10:螺栓扭力等级表........................................34前言本标准由五凌电力有限公司五强溪水电厂标准化领导小组提出。本标准由五凌电力有限公司五强溪水电厂标准化管理办公室归口。本标准起草单位:五凌电力有限公司五强溪水电厂。本标准主要起草人:王建新。本标准修编人:王建新。本标准审查人:马鑫、肖丰明。本标准批准人:胡勇胜。本标准2011年首次发布,2013年10月第1次修编,2015年10月第2次修编,2016年6月第三次修编。金属技术监督实施细则1.范围本部分规定了五强溪电厂金属技术监督范围;受监督部件日常检验项目、专项监督项目的检查范围与检查方法。本部分适用于五强溪电厂与金属技术监督范围内有关的各设备以及各工程技术人员。2.规范性引用/应用文件下列文件中的条款通过本标准的引用和应用而成为本标准的条款。凡是注日期的引用和应用文件,其随后所有的修改单(不包括勘误的内容)或修订版均不适用于本标准。凡不注日期的引用和应用文件,其最新版本(包括所有的修改单)适用于本标准。2.1引用文件GB/T15469.1-2008《水轮机、蓄能泵和水泵水轮机空蚀评定第1部分:反击式水轮机的空蚀评定》GB/T16938-...

1、当您付费下载文档后,您只拥有了使用权限,并不意味着购买了版权,文档只能用于自身使用,不得用于其他商业用途(如 [转卖]进行直接盈利或[编辑后售卖]进行间接盈利)。
2、本站所有内容均由合作方或网友上传,本站不对文档的完整性、权威性及其观点立场正确性做任何保证或承诺!文档内容仅供研究参考,付费前请自行鉴别。
3、如文档内容存在违规,或者侵犯商业秘密、侵犯著作权等,请点击“违规举报”。

碎片内容

制度管理控制表 金属技术监督实施细则

确认删除?
VIP
微信客服
  • 扫码咨询
会员Q群
  • 会员专属群点击这里加入QQ群
客服邮箱
回到顶部