电脑桌面
添加小米粒文库到电脑桌面
安装后可以在桌面快捷访问

建筑平面布置重点归纳VIP专享VIP免费

建筑平面布置重点归纳_第1页
1/7
建筑平面布置重点归纳_第2页
2/7
建筑平面布置重点归纳_第3页
3/7
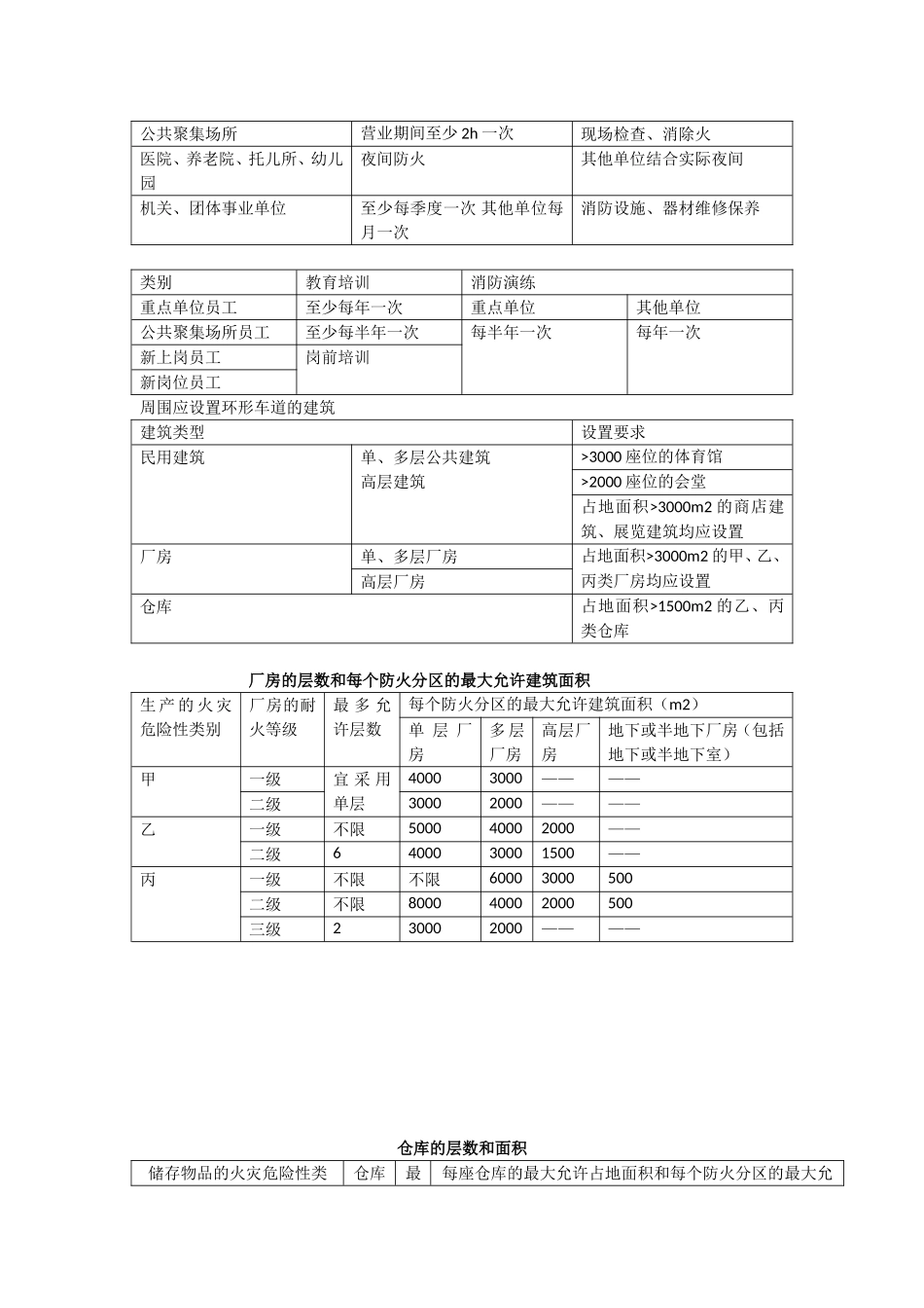
建筑平面布置重点归纳民用建筑内商店等与建筑内其他部位的分隔不燃烧体隔墙楼板隔墙门窗歌舞娱乐(含人防工程)2h1h乙级医院病房相邻护理单元2h……乙级托儿所幼儿园老年人活动场所儿童游乐厅2h1h……剧院、电影院、礼堂2h……甲级大于2万平米的地下营业厅防火分隔3h…………工业建筑不燃烧体隔墙楼板隔墙门窗甲乙类厂房贴邻办公室、休息室3h防爆墙甲乙类仓库设置办公室休息室………………丙类厂房设置办公室、休息室2.5h1h乙级丙类仓库设置办公室、休息室2.5h1h乙级厂房内丙类液体中间储罐5M33h1.5h甲级厂房内设置甲乙丙类中间仓库防火墙1.5h厂房内设置丁戊类中间仓库2h1h甲乙类厂房甲乙类仓库防火分区分隔的防火墙耐火极限应保持不低于4.0h1.5h丁戊类厂房内的通风机房1h0.5h甲级民用建筑附设设备用房不燃烧体隔墙楼板隔墙门窗锅炉房变压器2h1.5h甲级柴油发电机房(含人防工程)2h1.5h甲级消防控制室2h1.5h乙级附设在建筑物内的设备用房(灭火系统设备室、消防水泵房、通风空气调节机房、防排烟机房、电梯机房)2h1.5h甲级民用建筑锅炉房储油间1m33h1.5h甲级类别防火巡查内容重点单位每日防火巡查人员、内容、部位锅炉房变压器室首层或地下一层常负压地下二层柴油发电机房首层或地下一二层消防控制室首层或地下一层耐火等级不应低于二级建筑内的消防设备用房(固定灭火系统设备室、消防水泵房,通风空调机房、防排烟机房)不应设置在地下三层及以下或地下室内地面与室外出入口地坪高差大于10m的楼层耐火等级不应低于二级公共聚集场所营业期间至少2h一次现场检查、消除火医院、养老院、托儿所、幼儿园夜间防火其他单位结合实际夜间机关、团体事业单位至少每季度一次其他单位每月一次消防设施、器材维修保养类别教育培训消防演练重点单位员工至少每年一次重点单位其他单位公共聚集场所员工至少每半年一次每半年一次每年一次新上岗员工岗前培训新岗位员工周围应设置环形车道的建筑建筑类型设置要求民用建筑单、多层公共建筑高层建筑>3000座位的体育馆>2000座位的会堂占地面积>3000m2的商店建筑、展览建筑均应设置厂房单、多层厂房占地面积>3000m2的甲、乙、丙类厂房均应设置高层厂房仓库占地面积>1500m2的乙、丙类仓库厂房的层数和每个防火分区的最大允许建筑面积生产的火灾危险性类别厂房的耐火等级最多允许层数每个防火分区的最大允许建筑面积(m2)单层厂房多层厂房高层厂房地下或半地下厂房(包括地下或半地下室)甲一级宜采用单层40003000————二级30002000————乙一级不限500040002000——二级6400030001500——丙一级不限不限60003000500二级不限800040002000500三级230002000————仓库的层数和面积储存物品的火灾危险性类仓库最每座仓库的最大允许占地面积和每个防火分区的最大允别的耐火等级多允许层数许建筑面积(m2)单层仓库多层仓库高层仓库地下或半地下仓库(包括地下或半地下室)每座仓库防火分区每座仓库防火分区每座仓库防火分区防火分区甲3、4项一级118060—————————1、2、5、6项一、二级1750250——————乙1、3、4项一、二级32000500900300————三级1500250——————2、5、6项一、二级528007001500500——————三级1900300———————丙1项一、二级5400010002800700——150三级11200400———————2项一、二级不限600015004800120040001000300三级321007001200400——————丁一、二级不限不限3000不限150048001200500三级3300010001500500——————四级12100700——————————戊一、二级不限不限不限不限2000600015001000三级3300010002100700——————四级12100700——————————甲类仓库之间及其与其他建筑、明火或散发火花地点、铁路、道路等的防火间距名称甲类仓库(储量,t)甲类储存物品第3、4项甲类储存物品第1、2、5、6项≤5>5≤10>10高层民用建筑、重要公共建筑50裙房、其他民用建筑、明火或散发火花地点30402530甲类仓库20202020厂房和乙、丙、丁、戊类仓库一、二级15201215三级20251520四级25302025电力系统电压为35-500KV且每台变压器容量不小于10MV.A的室外变、配电站、工业企业的变压器总...

1、当您付费下载文档后,您只拥有了使用权限,并不意味着购买了版权,文档只能用于自身使用,不得用于其他商业用途(如 [转卖]进行直接盈利或[编辑后售卖]进行间接盈利)。
2、本站所有内容均由合作方或网友上传,本站不对文档的完整性、权威性及其观点立场正确性做任何保证或承诺!文档内容仅供研究参考,付费前请自行鉴别。
3、如文档内容存在违规,或者侵犯商业秘密、侵犯著作权等,请点击“违规举报”。

碎片内容

建筑平面布置重点归纳

您可能关注的文档

确认删除?
VIP
微信客服
  • 扫码咨询
会员Q群
  • 会员专属群点击这里加入QQ群
客服邮箱
回到顶部