电脑桌面
添加小米粒文库到电脑桌面
安装后可以在桌面快捷访问

大桥K4+717小桥现浇板施工方案VIP免费

大桥K4+717小桥现浇板施工方案_第1页
1/12
大桥K4+717小桥现浇板施工方案_第2页
2/12
大桥K4+717小桥现浇板施工方案_第3页
3/12
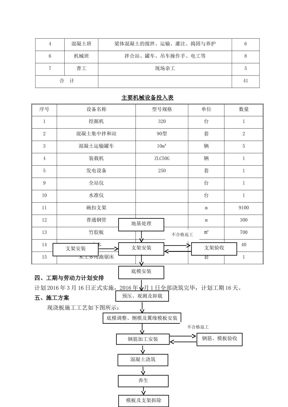
K4+717小桥现浇板施工方案一、工程概况K4+717小桥位于整体式路基段,地理位置处于深沟斜坡上,斜交角度为20°。桥梁中心桩号为K4+717,左右幅桥宽均为13.25m。设计为2-8m现浇混凝土现浇板,每跨8m,全桥共计16m长。基础及下部结构为扩大基础及墩、台身,全桥设计为2处桥台以及1处墩台,桥梁左右两侧均设置八字墙。地形地貌及水文地质条件K4+717小桥桥址处地形起伏不平,地貌单元主要为侵蚀构造山地区,刚好处于深沟向上斜坡处,两侧与沟底高差约7m,地表为冲积沉积物、土石混合物。相关文件显示最冷月为1月,最热月为7月,降水集中,地区分布不均,降水量集中在7、8月,占全年降水量56%左右,冬半年降水稀少,从11月至次年4月,降雨量占全年的12%,且桥址位于平原山区交接地带,山前迎风坡形成多雨带。K4+717小桥为2-8m简支小桥,采用整体现浇简支板式体系,现浇板采用满堂支架就地浇筑。首件工程选定本标段拟将K4+717小桥右幅两跨共计16m现浇板作为首件工程开工,用以指导其余小桥、通道现浇板施工。K4+717小桥每块现浇板设计尺寸如下图所示:每块C40混凝土现浇板使用材料具体如下:Φ20螺纹钢664.7kg,Φ18螺纹钢2253.4kg,Φ14螺纹钢1398.8kg,Φ12螺纹钢940.7kg,Φ8光圆钢筋878.3kg,浇筑C40混凝土50立方。二、编制依据《两阶段施工图设计》第三册第四分册《公路桥涵施工技术规范》(JTJ041-2011)《建筑工程安全施工技术》(JTJ076-95)《土力学与地基基础》(教材)《路桥施工计算手册》《建筑施工碗扣式脚手架安全技术规范》(JGJ166-2008)。《桥梁施工百问》河北省交通运输厅《河北省高速公路施工标准化管理指南》《钢结构设计》《绕城高速公路建设项目施工标准化管理实施细则》三、人员、机械设备组织为安全、优质、高效地完成本工程,按照“集中领导、职责明确、提高效率、有利协调的原则,指派具有丰富施工和管理经验的杨泗强担任生产负责人,桥梁工程师苟光明对现场施工进行管理,质检工程师陈华担任质检负责人,试验负责人秦智负责对进场原材料进行取样检查、施工过程中的试验检测,安全生产负责人康毅、专职安全员杨冲、杨陇对整个施工场地进行安全巡视。主要人员安排表序号姓名职务岗位职责备注1项目总工技术指导和监督2生产副经理现场指导和监督3施工负责人现场管理和工作安排4安全负责人安全监督指导5测量工程师现场测量和控制6质检工程师施工质量检测控制7试验检测负责人原材料检验、施工过程检查、试验劳动力安排计划表序号作业人员主要工作内容人数1支架班支架安全、预压、拆除及维修82钢筋班钢筋加工与安装83模板班模板的制作、安装及拆除64混凝土班梁体混凝土的搅拌、运输、灌注、捣固与养护66机械班拌合站、罐车、吊车操作手、电工等87普工现场杂工5合计41主要机械设备投入表序号设备名称型号规格单位数量1挖掘机320台12混凝土集中拌和站90型套23混凝土运输罐车10m³辆54装载机ZLC50G辆15发电设备250套19全站仪台110水准仪台111碗扣支架m910012普通钢管m30013竹胶板㎡70014方木立方4015木工多用跑锯床套1四、工期与劳动力计划安排计划2016年3月16日正式实施,2016年4月1日全部浇筑完毕,计划工期16天。五、施工方案现浇板施工工艺如下图所示:地基处理支架安装支架安装支架验收不合格返工底模安装预压、观测及卸载底模调整、侧模及翼缘模板安装钢筋加工安装钢筋、模板验收不合格返工混凝土浇筑养生模板及支架拆除1、地基处理:K4+717小桥桥底设计为M7.5浆砌砂浆砌mu60片石40cm厚,本项工作完成后可作为支架地基。浆砌片石铺底注意事项:a.片石需质地坚硬,不易风化,无裂缝,片石表面不得有水锈,强度不小于MU60,片石表面的污渍必须予以清除。b.砂浆必须严格按照试验室提供的砂浆配合比采用机械拌合,投料顺序应先到砂子、水泥、掺加料,最后加水。自投料完算起,拌制时间宜为3~5min。c.拌合好的砂浆得有适当的流动性和良好的和易性。砂浆的稠度以砂浆稠度仪测定的下沉度表示,宜为10~50mm,每批砂浆均应制作试件。d.砂浆得随拌随用,一般宜在3h内使用完毕,气温低于5℃时,采取材料加热并提高1个等级的方法拌制砂浆。2、支架安装(1)、材料选用和质量要求...

1、当您付费下载文档后,您只拥有了使用权限,并不意味着购买了版权,文档只能用于自身使用,不得用于其他商业用途(如 [转卖]进行直接盈利或[编辑后售卖]进行间接盈利)。
2、本站所有内容均由合作方或网友上传,本站不对文档的完整性、权威性及其观点立场正确性做任何保证或承诺!文档内容仅供研究参考,付费前请自行鉴别。
3、如文档内容存在违规,或者侵犯商业秘密、侵犯著作权等,请点击“违规举报”。

碎片内容

大桥K4+717小桥现浇板施工方案

文章天下+ 关注
实名认证
内容提供者

各种文档应有尽有

确认删除?
VIP
微信客服
  • 扫码咨询
会员Q群
  • 会员专属群点击这里加入QQ群
客服邮箱
回到顶部