电脑桌面
添加小米粒文库到电脑桌面
安装后可以在桌面快捷访问

全自动双面钻电气控制系统设计说明书

全自动双面钻电气控制系统设计说明书_第1页
1/16
全自动双面钻电气控制系统设计说明书_第2页
2/16
全自动双面钻电气控制系统设计说明书_第3页
3/16
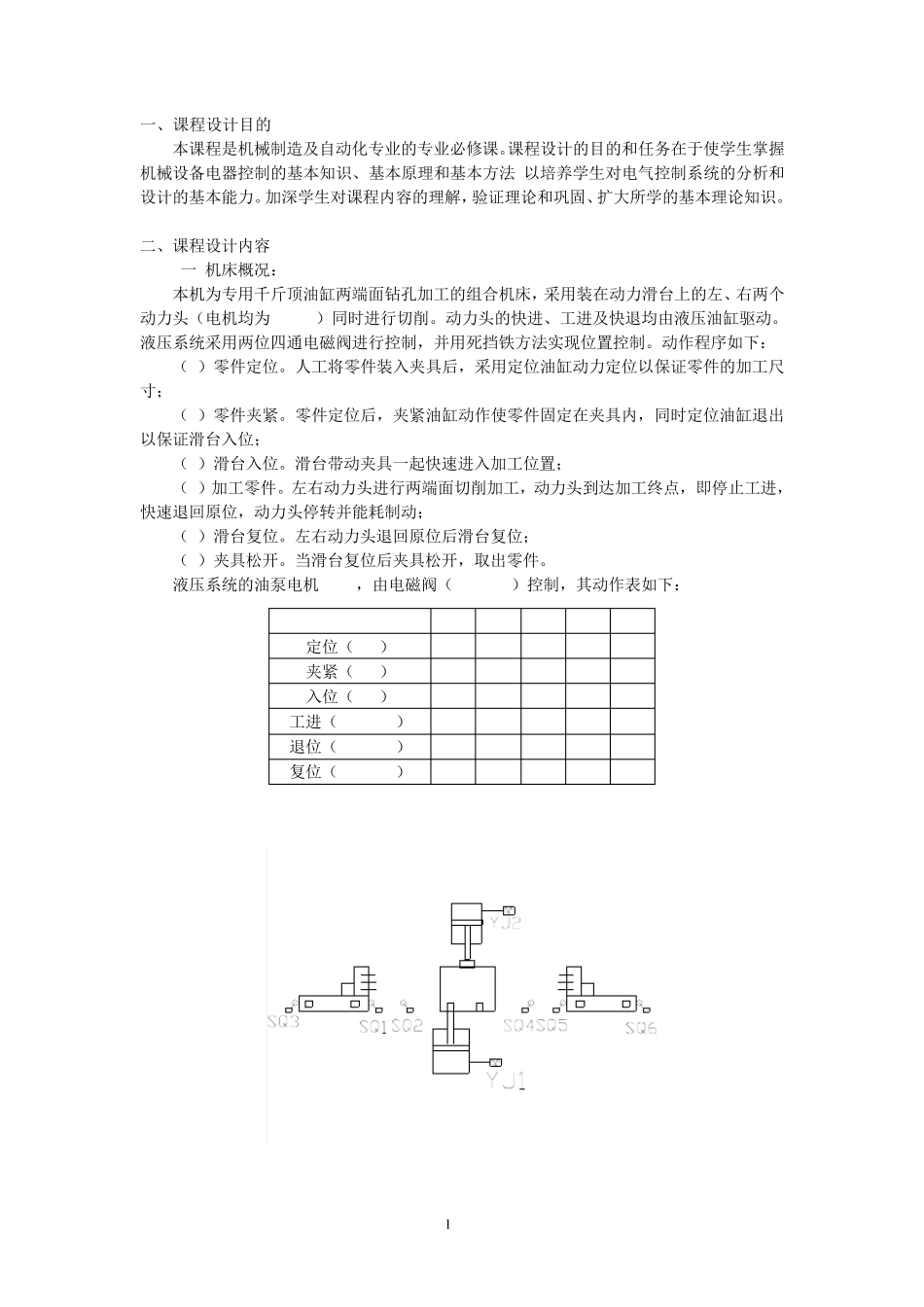
一、 正文……………………………………………………………………………4 1. 概述……………………………………………………………………………4 1 .1 机电传动控制概述…………………………………………………………4 1 .2 课程设计……………………………………………………………………5 2. 总体设计………………………………………………………………………5 2 .1 控制要求的分析……………………………………………………………5 2 .2 液压控制回路中电磁阀被控逻辑表达式……………………………………6 3. 局部设计………………………………………………………………………6 3 .1 原理图………………………………………………………………………6 3 .1 .1 主电路……………………………………………………………………6 3 .1 .2 控制电路…………………………………………………………………7 3 .1 .3 辅助电路(照明显示)…………………………………………………9 3 .2 接线图………………………………………………………………………1 0 3 .3 元件选型……………………………………………………………………1 0 (1 ) 电动机的选型………………………………………………………1 0 (2 ) 熔断器的选型………………………………………………………1 0 (3 ) 热继电器的选型……………………………………………………1 1 (4 ) 交流接触器、中间继电器与时间继电器的选型………………… 1 1 (5 ) 照明与显示灯的选型……………………………………………… 1 1 (6 ) 变压器的选型……………………………………………………… 1 1 (7 ) 按钮及刀开关的选型……………………………………………… 1 1 二、 小结…………………………………………………………………………… 1 2 三、 参考文献……………………………………………………………………… 1 2 四、 附录…………………………………………………………………………… 1 3 附表 1 :元器件选型明细表…………………………………………………… 1 3 附图 1 :原理图………………………………………………………………… 1 4 附图 2 :接线图………………………………………………………………… 1 5 1 一、课程设计目的 本课程是机械制造及自动化专业的专业必修课...

1、当您付费下载文档后,您只拥有了使用权限,并不意味着购买了版权,文档只能用于自身使用,不得用于其他商业用途(如 [转卖]进行直接盈利或[编辑后售卖]进行间接盈利)。
2、本站所有内容均由合作方或网友上传,本站不对文档的完整性、权威性及其观点立场正确性做任何保证或承诺!文档内容仅供研究参考,付费前请自行鉴别。
3、如文档内容存在违规,或者侵犯商业秘密、侵犯著作权等,请点击“违规举报”。

碎片内容

全自动双面钻电气控制系统设计说明书

您可能关注的文档

确认删除?
VIP
微信客服
  • 扫码咨询
会员Q群
  • 会员专属群点击这里加入QQ群
客服邮箱
回到顶部