电脑桌面
添加小米粒文库到电脑桌面
安装后可以在桌面快捷访问

钣金冷冲压激光切割折弯检验作业指导书

钣金冷冲压激光切割折弯检验作业指导书_第1页
1/8
钣金冷冲压激光切割折弯检验作业指导书_第2页
2/8
钣金冷冲压激光切割折弯检验作业指导书_第3页
3/8
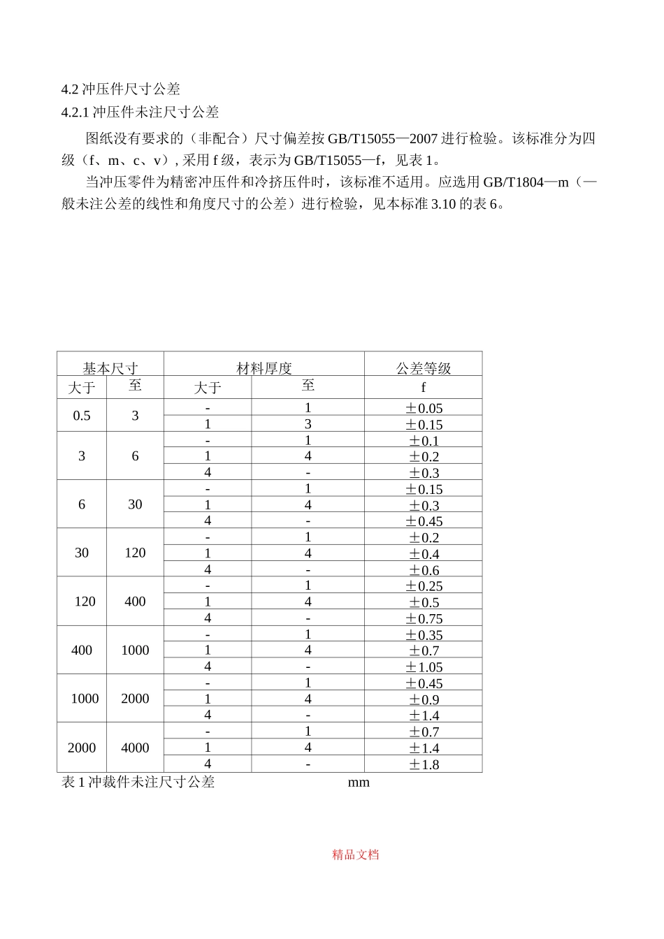
精品文档□□□□□□□□□□□□□□□□□□发行版本:V1.0发行日期:2011.06.16实施日期:2011.07.1归口管理部门:品质精品文档就在这里各类专业好文档,值得你下载,教育,管理,论文,制度,方案手册,应有尽有精品文档DDDDDDDDDDDDDDDDDD1、目的:为检验员加工过程的监督及成品检验的要求提供检验规则和检验方法,指导其正确检验从而稳定产品质量。2、适用范围:本标准适用于威猛公司及其外协加工的钣金冷冲压件。精品文档4.2 冲压件尺寸公差4.2.1 冲压件未注尺寸公差图纸没有要求的(非配合)尺寸偏差按 GB/T15055—2007 进行检验。该标准分为四级(f、m、c、v),采用 f 级,表示为 GB/T15055—f,见表 1。当冲压零件为精密冲压件和冷挤压件时,该标准不适用。应选用 GB/T1804—m(—般未注公差的线性和角度尺寸的公差)进行检验,见本标准 3.10 的表 6。基本尺寸材料厚度公差等级大于至大于至f0.53-1±0.0513±0.1536-1±0.114±0.24-±0.3630-1±0.1514±0.34-±0.4530120-1±0.214±0.44-±0.6120400-1±0.2514±0.54-±0.754001000-1±0.3514±0.74-±1.0510002000-1±0.4514±0.94-±1.420004000-1±0.714±1.44-±1.8mm表 1 冲裁件未注尺寸公差m精品文档就在这里各类专业好文档,值得你下载,教育,管理,论文,制度,方案手册,应有尽有精品文档注:对于 0.5 及 0.5mm 以下的尺寸应标公差。4.2.2 冲压件未注公差成形尺寸的极限偏差图纸没有要求的(非配合)尺寸偏差按 GB/T15055—2007 进行检验。该标准分为四级(f、m、c、v),采用 f 级,表示为 GB/T15055—f,见表 2。当冲压零件为精密冲压件和冷挤压件时,该标准不适用。应选用 GB/T1804—m 进行检验,见本标准 3.10 的表 64.3 孔距的偏差图纸上有孔距公差要求的按图纸检验,没标注孔距公差的,孔距尺寸偏差按 GB/T1804—m 进行,见本标准 3.10 中表 6。注:标注孔距偏差不是按线性尺寸偏差标注的,也不是按 GB/T1804 执行的。这里只有在未标注公差检验时才用到。基本尺寸材料厚度公差等级大于至大于至f0.53-1±0.1513±0.336-1±0.214±0.44-±0.55630-1±0.2514±0.54-±0.830120-1±0.314±0.64-±1120400-1±0.4514±0.94-±1.34001000-1±0.5514±1.1表 2 冲压成形未注尺寸公差精品文档4-±1.710002000-1±0.814±1.44-±2注:对于 0.5 及 0.5mm 以下的尺寸应标公差。4..4 零件的弯边高度偏差尺寸偏差小于 1mm4.5 零件的冲...

1、当您付费下载文档后,您只拥有了使用权限,并不意味着购买了版权,文档只能用于自身使用,不得用于其他商业用途(如 [转卖]进行直接盈利或[编辑后售卖]进行间接盈利)。
2、本站所有内容均由合作方或网友上传,本站不对文档的完整性、权威性及其观点立场正确性做任何保证或承诺!文档内容仅供研究参考,付费前请自行鉴别。
3、如文档内容存在违规,或者侵犯商业秘密、侵犯著作权等,请点击“违规举报”。

碎片内容

钣金冷冲压激光切割折弯检验作业指导书

您可能关注的文档

确认删除?
VIP
微信客服
  • 扫码咨询
会员Q群
  • 会员专属群点击这里加入QQ群
客服邮箱
回到顶部