电脑桌面
添加小米粒文库到电脑桌面
安装后可以在桌面快捷访问

德国DIN22102分层输送带执行标准VIP专享

德国DIN22102分层输送带执行标准_第1页
1/7
德国DIN22102分层输送带执行标准_第2页
2/7
德国DIN22102分层输送带执行标准_第3页
3/7
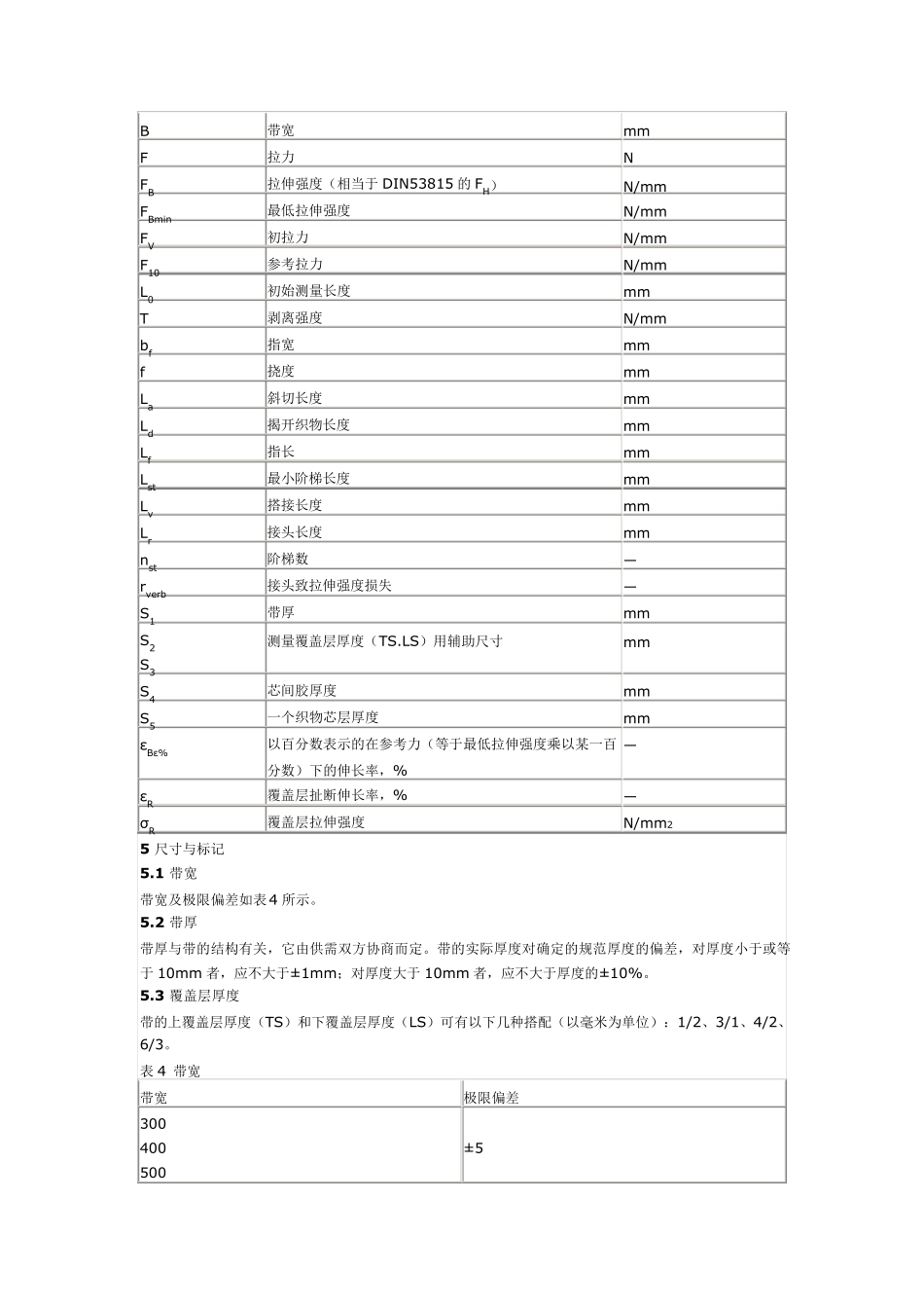
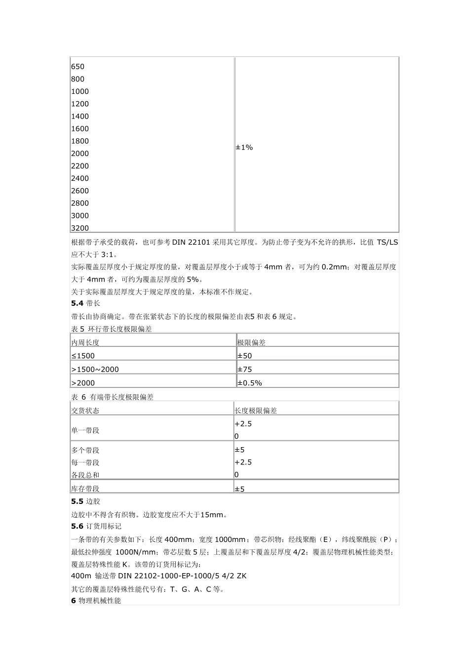
德国标准DIN 22102 Teil 1:1991 散装物料织物芯输送带 第1 部分 尺寸、规范与标志 本标准与国际标准化组织(ISO)制定的标准ISO 251:1987 相互协调。 1 适用范围 本标准适用于包含一层或多层织物芯体、用于输送散装物料的织物芯输送带,关于煤矿用织物芯输送带参见 DIN 22109 第1、2、4、6 部分。 2 带结构 散装物料织物芯输送带在结构上有以下几种: 1) 一层织物芯体 2) 二层织物芯体,其间有 1~2mm 厚的层间胶 3) 二层或多层织物芯体,以弹性体材料作为粘合层进行接头 4) 选择性的带挡板 3 带型号 表 1 具有一层、两层或多层织物芯的带的型号 带芯 层数 带型号 1 200/1 250/1 315/1 400/1 500/1 630/1 800/1 1000/1 1250/1 1600/1 2000/1 2500/1 3150/1 2 200/2 250/2 315/2 400/2 600/2 630/2 800/2 1000/2 1250/2 1600/2 2000/2 2500/2 3150/2 ≥3 315/3 400/3 500/3 630/4 800/4 1000/5 1250/5 1600/5 2000/5 2500/5 3150/5 注:1)带型号中包括带的最低拉伸强度(以 N 为单位的拉断力与以 mm 为单位的带宽之比)以及带芯层数。 表 2 拉伸强度接头损失 带芯层数 接头引起的拉伸强度损失 rverb 1 0.20 2 0.201) 0.502) 3 0.33 4 0.25 5 0.20 注:1)有层间缓冲胶的接头和双梯式接头; 2)无层间缓冲胶的接头。 在选择带型号的时候,应考虑由于制作带接头时拉伸强度的损失 rverb,此时可参考德国标准DIN 22109并利用表 2 给出的饿数据。 4 术语代号及单位 表 3 术语代号及单位 代号 含义或说明 单位 A 覆盖层磨耗量 mm3 B 带宽 mm F 拉力 N FB 拉伸强度(相当于DIN53815 的FH) N/mm FBmin 最低拉伸强度 N/mm FV 初拉力 N/mm F10 参考拉力 N/mm L0 初始测量长度 mm T 剥离强度 N/mm bf 指宽 mm f 挠度 mm La 斜切长度 mm Ld 揭开织物长度 mm Lf 指长 mm Lst 最小阶梯长度 mm Lv 搭接长度 mm Lr 接头长度 mm nst 阶梯数 — rverb 接头致拉伸强度损失 — S1 带厚 mm S2 S3 测量覆盖层厚度(TS.LS)用辅助尺寸 mm S4 芯间胶厚度 mm S5 一个织物芯层厚度 mm εBε% 以百分数表示的在参考力(等于最低拉伸强度乘以某一百分数)下的伸长率,% — εR 覆盖层扯断伸长率,% — σR 覆盖层拉伸强度 N/mm2 5 尺寸与标记 5.1 带宽 带宽...

1、当您付费下载文档后,您只拥有了使用权限,并不意味着购买了版权,文档只能用于自身使用,不得用于其他商业用途(如 [转卖]进行直接盈利或[编辑后售卖]进行间接盈利)。
2、本站所有内容均由合作方或网友上传,本站不对文档的完整性、权威性及其观点立场正确性做任何保证或承诺!文档内容仅供研究参考,付费前请自行鉴别。
3、如文档内容存在违规,或者侵犯商业秘密、侵犯著作权等,请点击“违规举报”。

碎片内容

德国DIN22102分层输送带执行标准

确认删除?
VIP
微信客服
  • 扫码咨询
会员Q群
  • 会员专属群点击这里加入QQ群
客服邮箱
回到顶部