电脑桌面
添加小米粒文库到电脑桌面
安装后可以在桌面快捷访问

中科院与清华大学职工住宅北区4号、5号楼模板工程施工组织设计方案

中科院与清华大学职工住宅北区4号、5号楼模板工程施工组织设计方案_第1页
1/30
中科院与清华大学职工住宅北区4号、5号楼模板工程施工组织设计方案_第2页
2/30
中科院与清华大学职工住宅北区4号、5号楼模板工程施工组织设计方案_第3页
3/30
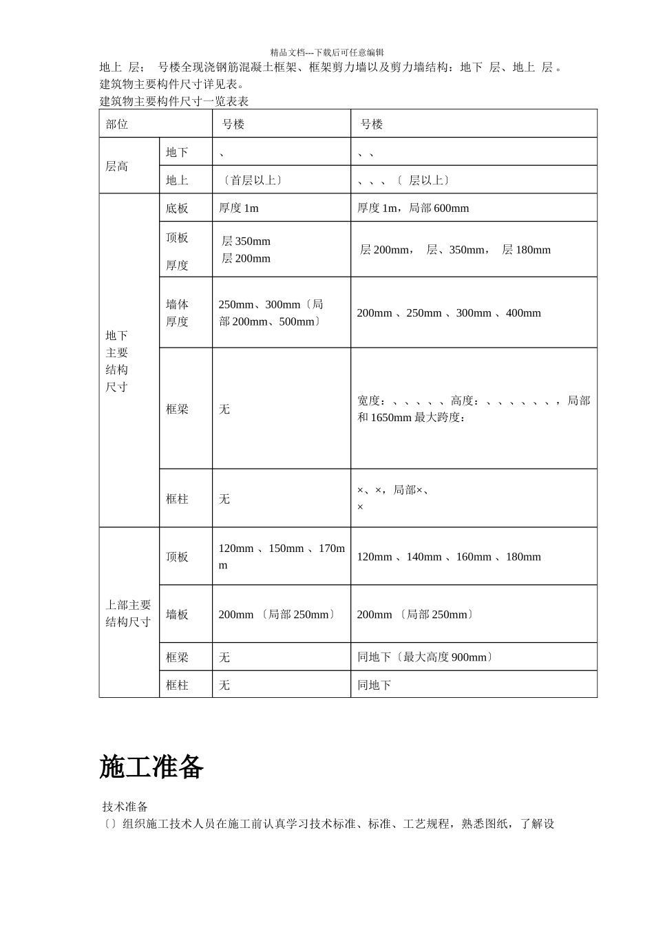
精品文档---下载后可任意编辑目录第一章 编制依据.................................................................第二章 工程结构概况.............................................................第三章 施工准备.................................................................第四章 模板工程施工方法.........................................................第五章 模板的撤除...............................................................第六章 模板制作、安装技术措施...................................................第七章 质量通病及预防措施.......................................................第八章 材料节约措施.............................................................精品文档---下载后可任意编辑编制依据 施工合同北京华清投资与江苏华建公司签署的?中科院与清华大学职工住宅北区 号、 号楼工程施工合同?。 施工组织设计?中科院与清华大学职工住宅北区 号、 号楼施工组织设计?。 施工图纸(详见表)图纸一览表表 部位图纸类别编号出图日期 号楼建筑建施~建施 年 月结构结施~结施 年 月 号楼建筑建施~建施 年 月结构结施~结施 年 月 主要规程、标准(详见表) 标准一览表表 类别名称编号国家?混凝土结构工程施工质量验收标准? ?建筑工程施工质量验收统一标准? ?钢筋混凝土高层建筑结构技术与施工规程? ?建筑工程大模板技术规程? 地方?建筑结构长城杯工程质量评审标准? ?建筑长城杯工程质量评审标准? ?建筑安装工程施工平安操作规程? 其他()建设部“关于建筑业进一步推广应用十项新技术的通知〞。()企业 质量体系管理文件和环境职业健康平安管理体系文件。()企业工程管理手册。()钢大模板厂家(北京中建模板厂)提供的钢大模板配板图。工程结构概况中科院与清华大学职工住宅小区北区 号楼工程为全现浇钢筋混凝土剪力墙结构:地下 层 、精品文档---下载后可任意编辑地上 层; 号楼全现浇钢筋混凝土框架、框架剪力墙以及剪力墙结构:地下 层、地上 层 。建筑物主要构件尺寸详见表。建筑物主要构件尺寸一览表表 部位 号楼 号楼层高地下、、、地上〔首层以上〕、、、〔 层以上〕地下主要结构尺寸底板厚度 1m厚度 1m,局部 600mm顶板 层 350mm 层 200mm 层 200mm, 层、350mm, 层 180mm厚度墙体厚度250mm、300mm〔局部 200mm、500mm〕...

1、当您付费下载文档后,您只拥有了使用权限,并不意味着购买了版权,文档只能用于自身使用,不得用于其他商业用途(如 [转卖]进行直接盈利或[编辑后售卖]进行间接盈利)。
2、本站所有内容均由合作方或网友上传,本站不对文档的完整性、权威性及其观点立场正确性做任何保证或承诺!文档内容仅供研究参考,付费前请自行鉴别。
3、如文档内容存在违规,或者侵犯商业秘密、侵犯著作权等,请点击“违规举报”。

碎片内容

中科院与清华大学职工住宅北区4号、5号楼模板工程施工组织设计方案

您可能关注的文档

一帆文传+ 关注
实名认证
内容提供者

欢迎光临店铺,各类公文供您挑选。

确认删除?
VIP
微信客服
  • 扫码咨询
会员Q群
  • 会员专属群点击这里加入QQ群
客服邮箱
回到顶部