电脑桌面
添加小米粒文库到电脑桌面
安装后可以在桌面快捷访问

交通建设危险性较大分部分项工程清单登记表

交通建设危险性较大分部分项工程清单登记表_第1页
1/2
交通建设危险性较大分部分项工程清单登记表_第2页
2/2
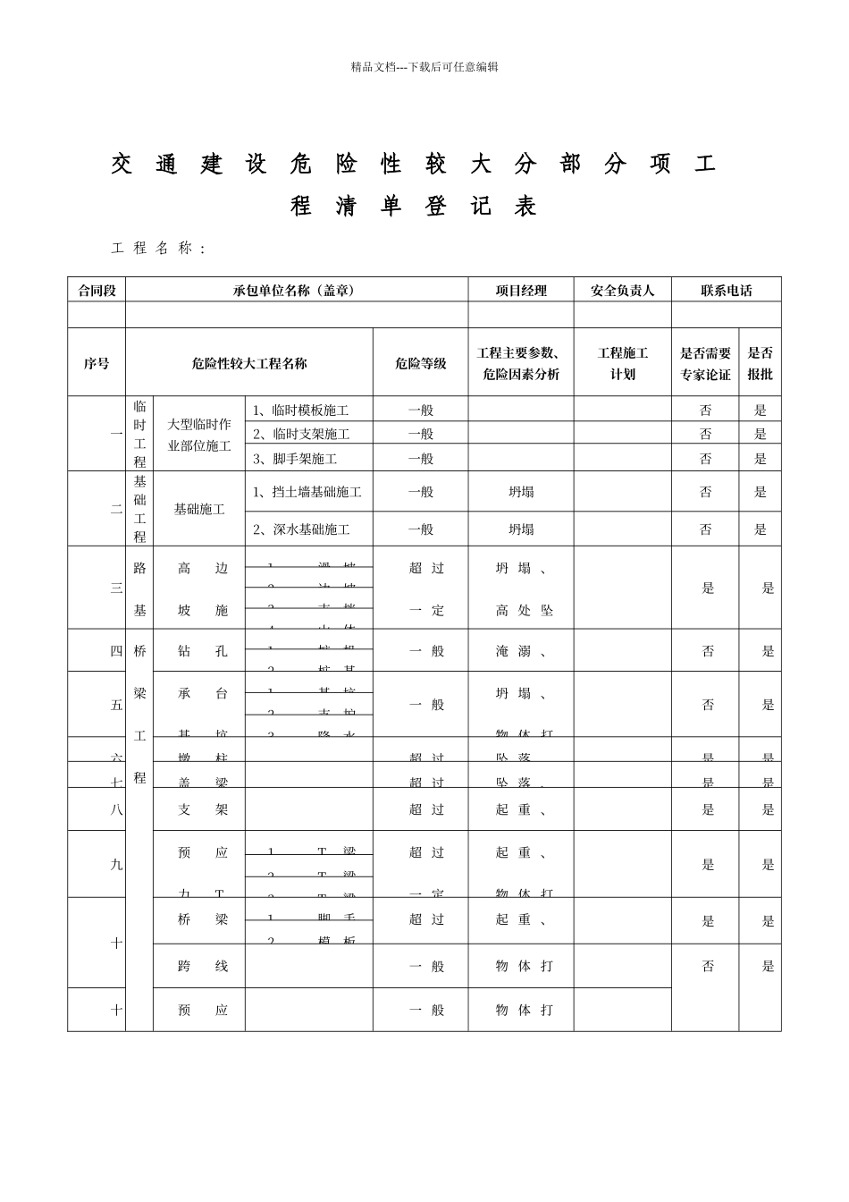
精品文档---下载后可任意编辑交通建设危险性较大分部分项工程清单登记表工 程 名 称 : 合同段承包单位名称(盖章)项目经理安全负责人联系电话序号危险性较大工程名称危险等级工程主要参数、危险因素分析工程施工计划是否需要专家论证是否报批一临时工程大型临时作业部位施工1、临时模板施工一般否是2、临时支架施工一般否是3、脚手架施工一般否是二基础工程基础施工1、挡土墙基础施工一般坍塌否是2、深水基础施工一般坍塌否是三路基高边坡施1、滑坡超 过一 定坍 塌 、高 处 坠是是2、边坡3、支挡4、山体四桥梁工程钻孔1、桩机一 般淹 溺 、否是2、桩基五承台基坑1、基坑一 般坍 塌 、物 体 打否是2、支护3、降水六墩柱超 过坠 落 、是是七盖梁超 过坠 落 、是是八支架现浇超 过一 定起 重 、物 体 打是是九预应力T1、T梁超 过一 定起 重 、物 体 打是是2、T梁3、T梁十桥梁附属1、脚手超 过一 定起 重 、物 体 打是是2、模板跨线桥梁一 般物 体 打击否是十一预应力结一 般物 体 打击精品文档---下载后可任意编辑十二预应力结一 般物 体 打击十三砼拌和站一 般起 重 、物 体 打否是十四钢筋加工一 般起 重 、物 体 打否是十五其他工程爆破施 工超 过一 定爆 炸 、坍 塌是是十六临时用电一 般触 电否是十七钢栈桥施1、钢便桥 施 工超 过一 定起 重 、车 辆 、是是十八起重吊装起重机吊装施工1、电动单梁起重一 般起 重 、物 体 打击否是2、门式起重机安3、架桥4、其它大型机械十九隧道工程隧道施 工1、隧道超 过一 定规 模坍 塌 、爆 炸 、车 辆 、机 械 、物 体 打击 、 坠落 、 火灾 、 起是是2、边仰3、出4、初期5、二衬6、隧道洞口、明7、浅埋8、围岩突变区段9、隧道10、钻爆填表人: 日期:

1、当您付费下载文档后,您只拥有了使用权限,并不意味着购买了版权,文档只能用于自身使用,不得用于其他商业用途(如 [转卖]进行直接盈利或[编辑后售卖]进行间接盈利)。
2、本站所有内容均由合作方或网友上传,本站不对文档的完整性、权威性及其观点立场正确性做任何保证或承诺!文档内容仅供研究参考,付费前请自行鉴别。
3、如文档内容存在违规,或者侵犯商业秘密、侵犯著作权等,请点击“违规举报”。

碎片内容

交通建设危险性较大分部分项工程清单登记表

您可能关注的文档

确认删除?
VIP
微信客服
  • 扫码咨询
会员Q群
  • 会员专属群点击这里加入QQ群
客服邮箱
回到顶部