电脑桌面
添加小米粒文库到电脑桌面
安装后可以在桌面快捷访问

房屋变形监测倾斜记录计算表2

房屋变形监测倾斜记录计算表2_第1页
1/11
房屋变形监测倾斜记录计算表2_第2页
2/11
房屋变形监测倾斜记录计算表2_第3页
3/11
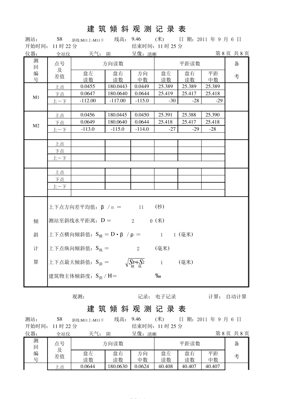
测站: S8斜线:M11上-M11下 线高:9.46(米)日 期:2011 年 9 月 6 日开始时间: 11 时 22 分结束时间:11 时 25 分仪器:全站仪天气:阴呈像:清晰 第 8 页 共 8 页上点 0.0455180.04430.044925.38925.38925.389下点 0.0647180.06400.064425.41925.41725.418上-下-112.00-117.00-115.0-30-28-29上点 0.0456180.04450.045025.39125.38825.390下点 0.0649180.06400.064425.41825.41725.418上-下-113.0-115.0-114.0-27-29-28上点下点上-下上点下点上-下上下点方向差平均值:β /n =-114.5(秒)测站至斜线水平距离:D =25.404(米)上下点横向倾斜值:S横 = D·β /ρ =-14.1 (毫米)上下点纵向倾斜值:S纵 =-28.5(毫米)上下点最大倾斜值:S斜 = = 31.8(毫米)建筑物主体倾斜度:S斜/H=3.4‰观测:记录:电子记录计算:自动计算测站: S8斜线:M11上-M11下 线高:9.46(米)日 期:2011 年 9 月 6 日开始时间: 11 时 22 分结束时间:11 时 25 分仪器:全站仪天气:阴呈像:清晰 第 8 页 共 8 页上点 0.0644180.06300.062440.40840.40740.407盘右读数平距中数建 筑 倾 斜 观 测 记 录 表测回编号点号及差值方向读数平距读数备考盘左读数盘右读数方向中数盘左读数倾 斜 计 算盘右读数平距中数M1M2建 筑 倾 斜 观 测 记 录 表测回编号点号及差值方向读数平距读数备考盘左读数盘右读数方向中数盘左读数横纵22 SS 下点 0.0658180.06540.065640.39940.40040.400上-下-14.00-51.00-32.5867上点 0.0644180.06340.063940.40840.40840.408下点 0.0659180.06520.065640.39740.39840.398上-下 -15.0-18.0-16.511910上点下点上-下上点下点上-下上下点方向差平均值:β /n =-24(秒)测站至斜线水平距离:D =40.403(米)上下点横向倾斜值:S横 = D·β /ρ =-4.8 (毫米)上下点纵向倾斜值:S纵 = 8.8(毫米)上下点最大倾斜值:S斜 = =10.0(毫米)建筑物主体倾斜度:S斜/H=1.1‰观测:记录:电子记录计算:自动计算测站: S8斜线:M11上-M11下 线高:9.46(米)日 期:2011 年 9 月 6 日开始时间: 11 时 22 分结束时间:11 时 25 分仪器:全站仪天气:阴呈像:清晰 第 8 页 共 8 页上点 0.0840180.08330.083648.13648.13948.137下点 0.0725180.07170.072148.15348.15248.152上-下 75.0076.0075.5-17-13-15上点 0.084318...

1、当您付费下载文档后,您只拥有了使用权限,并不意味着购买了版权,文档只能用于自身使用,不得用于其他商业用途(如 [转卖]进行直接盈利或[编辑后售卖]进行间接盈利)。
2、本站所有内容均由合作方或网友上传,本站不对文档的完整性、权威性及其观点立场正确性做任何保证或承诺!文档内容仅供研究参考,付费前请自行鉴别。
3、如文档内容存在违规,或者侵犯商业秘密、侵犯著作权等,请点击“违规举报”。

碎片内容

房屋变形监测倾斜记录计算表2

小辰4+ 关注
实名认证
内容提供者

出售各种资料和文档

确认删除?
VIP
微信客服
  • 扫码咨询
会员Q群
  • 会员专属群点击这里加入QQ群
客服邮箱
回到顶部